projet chauffage + ecs+piscine
Modérateurs : ramses, Balajol, monteric, ametpierre, j2c
- Besson François
- Maitre Solaire
- Messages : 1182
- Enregistré le : jeu. janv. 15, 2009 18:09 pm
- Localisation : Echalas(69)
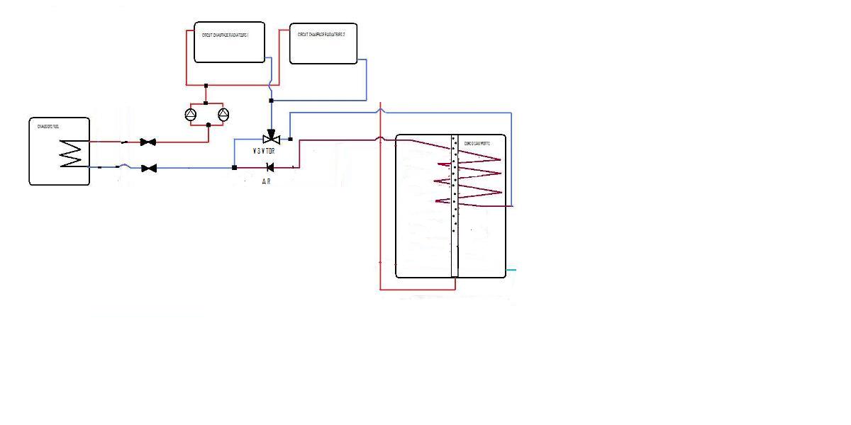
Bonjour a tous
J ai decoupé le schema afin de ne faire apparaitre que la partie esc
Le principe est :
Un echangeur instantané dans une cuve d eau morte en serie avec un ballon esc existant a un seul echangeur deja utilisé par la chaudiere fioul
Est ajouté une recirculation afin d ajouter quelques degres au ballon esc si la temperature de la cuve est superieur
Inconvenients
Le ballon esc lors de la recirculation ne sera plus stratifié
Cette recirculation serait limité au periode sans besoin en chauffage
Avantage
Si l efs traverse la cuve a un momment ou celle ci n est pas tres chaude , la recirculation ulterieur pourra permettre de limiter , voir supprimer , l appoint de la chaudiere
Perso , je ne voie pas d autre solution dans cette configuration , merci de vos suggestions
J ai decoupé le schema afin de ne faire apparaitre que la partie esc
Le principe est :
Un echangeur instantané dans une cuve d eau morte en serie avec un ballon esc existant a un seul echangeur deja utilisé par la chaudiere fioul
Est ajouté une recirculation afin d ajouter quelques degres au ballon esc si la temperature de la cuve est superieur
Inconvenients
Le ballon esc lors de la recirculation ne sera plus stratifié
Cette recirculation serait limité au periode sans besoin en chauffage
Avantage
Si l efs traverse la cuve a un momment ou celle ci n est pas tres chaude , la recirculation ulterieur pourra permettre de limiter , voir supprimer , l appoint de la chaudiere
Perso , je ne voie pas d autre solution dans cette configuration , merci de vos suggestions
Amicalement François
-
- Etudiant Solaire
- Messages : 283
- Enregistré le : lun. juil. 20, 2009 12:51 pm
- Localisation : sathonay (69)
Si la température T4 en haut du ballon d'Eau Chaude est inférieure à la température en haut de la cuve d'eau morte T1, la pompe P6 est mise en marche et l'eau chaude sanitaire se réchauffe.
La circulation est arrêtée quand T4 supérieure à T.
Il faudra prendre une plage de fonctionnement par exemple :
Si T4 < (T1 - 5 °C) : mise en marche de P4
Quand T4 = T1 : arrêt P4
L'hiver T4 sera sans doute toujours > T1 donc nous serons en marche sur chaudière, sauf que l'eau Froide sanitaire se préchauffera dans le ballon d'eau morte qui sera sans doute toujours à température supérieure à la température de l'eau de la ville.
Le schéma 3 me paraît correct.
François, je pense que tu as inversé le sens de circulation du ballon existant :
Le serpentin du circuit de chauffage en provenance de la chaudière entre en bas du ballon et ressort au milieu du ballon pour retourner à la chaudière.
Merci pour ce nouveau schéma.
La circulation est arrêtée quand T4 supérieure à T.
Il faudra prendre une plage de fonctionnement par exemple :
Si T4 < (T1 - 5 °C) : mise en marche de P4
Quand T4 = T1 : arrêt P4
L'hiver T4 sera sans doute toujours > T1 donc nous serons en marche sur chaudière, sauf que l'eau Froide sanitaire se préchauffera dans le ballon d'eau morte qui sera sans doute toujours à température supérieure à la température de l'eau de la ville.
Le schéma 3 me paraît correct.
François, je pense que tu as inversé le sens de circulation du ballon existant :
Le serpentin du circuit de chauffage en provenance de la chaudière entre en bas du ballon et ressort au milieu du ballon pour retourner à la chaudière.
Merci pour ce nouveau schéma.
- Besson François
- Maitre Solaire
- Messages : 1182
- Enregistré le : jeu. janv. 15, 2009 18:09 pm
- Localisation : Echalas(69)
- Besson François
- Maitre Solaire
- Messages : 1182
- Enregistré le : jeu. janv. 15, 2009 18:09 pm
- Localisation : Echalas(69)
Bonjour a tous
Apparement tout le monde est d accord
Pour l echangeur esc , 25 ml en 14*16 devrait suffire
Apparement tout le monde est d accord
Pour l echangeur esc , 25 ml en 14*16 devrait suffire
- Fichiers joints
-
- CalculLongeurEchangeur esc.xls
- (20.5 Kio) Téléchargé 86 fois
Amicalement François
- ramses
- Administrateur
- Messages : 2646
- Enregistré le : mer. janv. 23, 2008 21:49 pm
- Localisation : Belgique Prov Namur
- Contact :
bonjour a tous,
ben faire gaffe quand meme car l'eau de la cuve n'est pas toujours a 60°C .... bien penser aussi que le tirage dans une telle cuve, sans dispositif adapte, va fortement perturber la stratification et va donc vite faire de l'eau tiede! et la formule utilisee dans cette feuille Exell est donnee pour une cuve a t° constante et homogene !
Il faut donc se donner les valeurs limites dans lesquelles on veut pouvoir travailler => c'est pas quelques metres de cuivre en plus qui vont "manger le budget" car ce serait dommage d'avoir de la flotte a 45°C dans la cuve et etre trop court pour se faire une douche ...
Un autre truc aussi est de savoir que le rendement d'un echangeur est fonction du regime du fluide qui le traverse ! Lorsqu'on passe d'un regime laminaire a un regime turbulent, j'ai pour memoire que le rendement augmente de 10 a 15% (a verifier, car je ne suis plus certain du pourcentage). Pour rendre ce regime turbulent, une solution consiste a augmenter sa vitesse en reduisant le diametre du tuyau. Mais si reduire le diametre du tuyau rend le regime turbulent en augmentant en plus le rapport surface/debit, il augmente fortement les pertes en charge ... Donc ce n'est pas, dans ton cas, une solution de reduire de diametre. Par contre, une solution que nombre de fabriquants mettent en place est d'utiliser du cuivre ou inox anneles et d'autres "tortures" meme l'etat de surface (asperites) de l'echangeur en le bosselant lors du cintrage. (il existe des CR qui en parlent)
Une autre solution aussi consiste a utiliser des echangeurs a ailettes. Ces ailettes sont fixees au tuyau de l'echangeur augmentant ainsi la surface d'echange et diminuant d'autant la longueur necessaire pour une puissance d'echange equivalente.
Bien a vous tous
ben faire gaffe quand meme car l'eau de la cuve n'est pas toujours a 60°C .... bien penser aussi que le tirage dans une telle cuve, sans dispositif adapte, va fortement perturber la stratification et va donc vite faire de l'eau tiede! et la formule utilisee dans cette feuille Exell est donnee pour une cuve a t° constante et homogene !
Il faut donc se donner les valeurs limites dans lesquelles on veut pouvoir travailler => c'est pas quelques metres de cuivre en plus qui vont "manger le budget" car ce serait dommage d'avoir de la flotte a 45°C dans la cuve et etre trop court pour se faire une douche ...
Un autre truc aussi est de savoir que le rendement d'un echangeur est fonction du regime du fluide qui le traverse ! Lorsqu'on passe d'un regime laminaire a un regime turbulent, j'ai pour memoire que le rendement augmente de 10 a 15% (a verifier, car je ne suis plus certain du pourcentage). Pour rendre ce regime turbulent, une solution consiste a augmenter sa vitesse en reduisant le diametre du tuyau. Mais si reduire le diametre du tuyau rend le regime turbulent en augmentant en plus le rapport surface/debit, il augmente fortement les pertes en charge ... Donc ce n'est pas, dans ton cas, une solution de reduire de diametre. Par contre, une solution que nombre de fabriquants mettent en place est d'utiliser du cuivre ou inox anneles et d'autres "tortures" meme l'etat de surface (asperites) de l'echangeur en le bosselant lors du cintrage. (il existe des CR qui en parlent)
Une autre solution aussi consiste a utiliser des echangeurs a ailettes. Ces ailettes sont fixees au tuyau de l'echangeur augmentant ainsi la surface d'echange et diminuant d'autant la longueur necessaire pour une puissance d'echange equivalente.
Bien a vous tous
-
- Etudiant Solaire
- Messages : 283
- Enregistré le : lun. juil. 20, 2009 12:51 pm
- Localisation : sathonay (69)
Merci François, merci Ramsès
le régime dans un serpentin ne doit quand même pas être laminaire avec tous ces virages.
Il y a la solution des coups de marteau, vu sur le site, et la solution de l'inox annelé mais je crains assez les mélanges de matière.
On peut toujours ajouter 25 mètres ou plus de cuivre, j'avais vu ces longueurs de serpentin ici et cela semblait bien.
Je n'ai aucune expérience mais beaucoup signalent la possibilité de 1 ou 2 douches solaires sans pb.
Pour moi je prends souvent des bains hydromassants avec douche avant et brève après soit environ 300 litres pour le bain et 40 pour la douche disons environ 350 litres à chaque fois, ce qui me paraît hors des limites du solaire ???
Je n'ai jamais mesuré l'eau nécessaire mais cela me semble correct comme volume ???
Mais il s'agit d'eau à 30°C, soit donc plus froide que le ballon d'ECS.
????
Pour RAMSES, à quel dispositif adapté fais tu allusion ???
Merci à tous
A vous lire
La chaudière devra toujours venir en secours il me semble.
le régime dans un serpentin ne doit quand même pas être laminaire avec tous ces virages.
Il y a la solution des coups de marteau, vu sur le site, et la solution de l'inox annelé mais je crains assez les mélanges de matière.
On peut toujours ajouter 25 mètres ou plus de cuivre, j'avais vu ces longueurs de serpentin ici et cela semblait bien.
Je n'ai aucune expérience mais beaucoup signalent la possibilité de 1 ou 2 douches solaires sans pb.
Pour moi je prends souvent des bains hydromassants avec douche avant et brève après soit environ 300 litres pour le bain et 40 pour la douche disons environ 350 litres à chaque fois, ce qui me paraît hors des limites du solaire ???
Je n'ai jamais mesuré l'eau nécessaire mais cela me semble correct comme volume ???
Mais il s'agit d'eau à 30°C, soit donc plus froide que le ballon d'ECS.
????
Pour RAMSES, à quel dispositif adapté fais tu allusion ???
Merci à tous
A vous lire
La chaudière devra toujours venir en secours il me semble.
- thermitch
- Maitre Solaire
- Messages : 4065
- Enregistré le : dim. mars 16, 2008 13:45 pm
- Localisation : Marcillé-Robert (35)
- Contact :
[quote="pruvost"]... soit environ 300 litres pour le bain et 40 pour la douche disons environ 350 litres à chaque fois, ce qui me paraît hors des limites du solaire ???[/quote]
Je vais peut être te paraître dur mais ce n'est pas dirigé spécialement contre toi
Ce n'est pas hors des limites du solaire ... c'est hors limite tout court
A quoi sert donc de penser énergie propre, faire du bien à la planète etc. si c'est pour balancer 350 litres de flotte en pur plaisir.
Si les calories doivent être économisées pour faire de l'eau chaude et peuvent être gratuites, l'eau tout simplement est loin d'être une ressource inépuisable.
On peut peut-être commencer par cette économie.
Je vous renvoie à cette image parue dans un CR sur le site

On n'est quand même pas obligé de retourner à l'âge de pierre, mais on peut quand même limiter les dégâts.
Pour rappel, perso une douche c'est 9 litres d'eau : le robinet coule 1minute et a un débit de 9l/mn.
En appliquant la croix des mélanges, ça me donne 4,7l d'eau à 50°
Je vais peut être te paraître dur mais ce n'est pas dirigé spécialement contre toi

Ce n'est pas hors des limites du solaire ... c'est hors limite tout court

A quoi sert donc de penser énergie propre, faire du bien à la planète etc. si c'est pour balancer 350 litres de flotte en pur plaisir.
Si les calories doivent être économisées pour faire de l'eau chaude et peuvent être gratuites, l'eau tout simplement est loin d'être une ressource inépuisable.
On peut peut-être commencer par cette économie.
Je vous renvoie à cette image parue dans un CR sur le site

On n'est quand même pas obligé de retourner à l'âge de pierre, mais on peut quand même limiter les dégâts.
Pour rappel, perso une douche c'est 9 litres d'eau : le robinet coule 1minute et a un débit de 9l/mn.
En appliquant la croix des mélanges, ça me donne 4,7l d'eau à 50°

- Besson François
- Maitre Solaire
- Messages : 1182
- Enregistré le : jeu. janv. 15, 2009 18:09 pm
- Localisation : Echalas(69)
Bonsoir a tous
Pas simple l echangeur instantané , on a pas droit a plusieurs passage , encore qu avec la recirculation ...
Donc surdimensionner un peu et a mon avis reduire la distance entre la cuve et le ballon esc au maxi
J ai fais de meme pour la partie chauffage , reste a determiner aussi la puissance de l echangeur et voir pour abaisser la temperature de la chaudiere ??
Pas simple l echangeur instantané , on a pas droit a plusieurs passage , encore qu avec la recirculation ...
Donc surdimensionner un peu et a mon avis reduire la distance entre la cuve et le ballon esc au maxi
J ai fais de meme pour la partie chauffage , reste a determiner aussi la puissance de l echangeur et voir pour abaisser la temperature de la chaudiere ??
Amicalement François
-
- Etudiant Solaire
- Messages : 283
- Enregistré le : lun. juil. 20, 2009 12:51 pm
- Localisation : sathonay (69)
Je n'ai pas mesuré la quantité d'eau nécessaire à une douche mais 4,7 litres me paraissent faibles-
Admettons 20 litres.
La baignoire prend 180 litres.
Disons donc 200 litres d'eau à 35 °C, soit si l'eau solaire est à 50 °C, 140 litres d'eau solaire et cela 2 fois la semaine.
Ajoutons à cela les besoins en toilette quotidienne soit 50 litres en plus.
Soit ramenée à 35°C 35 litres .
Pour les autres besoins je n'ai pas d'idée de la consommation.
Il reste la cuisine et le lavage des sols et divers.
Une trentaine de litres par jour semble une valeur correcte.
Les machines à laver chauffent leur eau.
Soit par semaine de l'ordre de 550 / 600 litres d'ECS à 50 °C
Désolé THERMICH mais 4,7 litre /jour me semblent un peu justes.
De toute façon, ne t'inquiète pas cette eau usée est retraitée et elle n'est pas perdue pour l'humanité...
Admettons 20 litres.
La baignoire prend 180 litres.
Disons donc 200 litres d'eau à 35 °C, soit si l'eau solaire est à 50 °C, 140 litres d'eau solaire et cela 2 fois la semaine.
Ajoutons à cela les besoins en toilette quotidienne soit 50 litres en plus.
Soit ramenée à 35°C 35 litres .
Pour les autres besoins je n'ai pas d'idée de la consommation.
Il reste la cuisine et le lavage des sols et divers.
Une trentaine de litres par jour semble une valeur correcte.
Les machines à laver chauffent leur eau.
Soit par semaine de l'ordre de 550 / 600 litres d'ECS à 50 °C
Désolé THERMICH mais 4,7 litre /jour me semblent un peu justes.
De toute façon, ne t'inquiète pas cette eau usée est retraitée et elle n'est pas perdue pour l'humanité...
- thermitch
- Maitre Solaire
- Messages : 4065
- Enregistré le : dim. mars 16, 2008 13:45 pm
- Localisation : Marcillé-Robert (35)
- Contact :
4,7l ... à 50° ... qu'on mitige fort heureusement pour la douche 
Tu fais tous tes calculs sans tenir compte de ça ... n'oublie pas la croix des mélanges.
Ceci dit, je ne nie pas que je dois être un cas
et c'est sans contrainte pour moi vu que j'ai été élevé comme ça.
La douche c'est pour se laver : point !
Après bien sûr, je conçois tout à fait qu'on puisse avoir d'autres envies et habitudes.
Je veux juste dire que nous avons (tous) sans doute à travailler sur nos comportements pour trouver un juste équilibre

Tu fais tous tes calculs sans tenir compte de ça ... n'oublie pas la croix des mélanges.
Ceci dit, je ne nie pas que je dois être un cas

La douche c'est pour se laver : point !
Après bien sûr, je conçois tout à fait qu'on puisse avoir d'autres envies et habitudes.
Je veux juste dire que nous avons (tous) sans doute à travailler sur nos comportements pour trouver un juste équilibre

- ramses
- Administrateur
- Messages : 2646
- Enregistré le : mer. janv. 23, 2008 21:49 pm
- Localisation : Belgique Prov Namur
- Contact :
Bonjour a tous,
ce projet de Pruvost chauffage-piscine-ECS est super interessant mais risque, sur un seul post, de se perdre en intervention.
A la demande generale, j'ai donc "sorti" la gestion ECS de ce post et ai ouvert un post specifique. Vous pouvez retrouvez ce post a l'adresse : ECS en autovidangable (Projet Pruvost)
Bien a vous tous
ce projet de Pruvost chauffage-piscine-ECS est super interessant mais risque, sur un seul post, de se perdre en intervention.
A la demande generale, j'ai donc "sorti" la gestion ECS de ce post et ai ouvert un post specifique. Vous pouvez retrouvez ce post a l'adresse : ECS en autovidangable (Projet Pruvost)
Bien a vous tous