Bonjour !
Je crois que j'ai pu enfin trouver le bon bouton pour vous proposer mon projet de chauffage solaire en P J.
Merci pour vos remarques.
J'ai réalisé à peu près la moitié de mes murs chauffants et testé avec un vieux chauffe-eau à gaz; ils montent très bien en température et ont parfaitement supporté une circulation d'eau très chaude. Reste à tester l'inertie en condition "basse température"
a bientôt
projet 15m2 capteurs longs + 55 m2 murs chauffants
Modérateurs : ramses, Balajol, monteric, ametpierre, j2c
- Fichiers joints
-
- 55 m2 murs chauffant & 15m2 capteurs plans LM1240.doc
- (97.5 Kio) Téléchargé 156 fois
- ametpierre
- Administrateur

- Messages : 1648
- Enregistré le : mar. déc. 13, 2005 18:07 pm
- Localisation : st-andré les alpes (04)
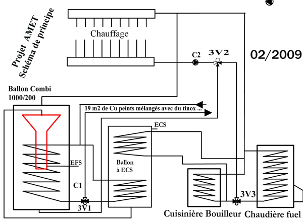
c'est a peu pres mon schéma actu:
pj
avec la diff que je n'ai pas (pas encore) de mur chauffant
et aussi que j'ai mis un ballon combi qui me donnera potentiellement 1000 l d'ecs l'été
je suis en train aussi d'installer cuisiniere bouilleur
j'ai placé le ballon ecs solaire double ech juste derriere le bouilleur de manière a ce qu'il fonctionne en thermosiphon
cela a l'avantage d'etre simple et efficace
si j'étais de vs je fabriquerais un combi avec les 1000l
pj
avec la diff que je n'ai pas (pas encore) de mur chauffant
et aussi que j'ai mis un ballon combi qui me donnera potentiellement 1000 l d'ecs l'été
je suis en train aussi d'installer cuisiniere bouilleur
j'ai placé le ballon ecs solaire double ech juste derriere le bouilleur de manière a ce qu'il fonctionne en thermosiphon
cela a l'avantage d'etre simple et efficace
si j'étais de vs je fabriquerais un combi avec les 1000l
- Fichiers joints
-
- amet.jpg (115.54 Kio) Vu 637 fois
Bonjour !
Merci Pierre pour votre réponse et votre schéma ( très clair ) effectivement ça ressemble pas mal à ce que j'espère réaliser mais il est vrai que je me suis beaucoup inspiré des expériences mises en pratique sur le site d'Apper.
le ballon combi ECS me parait effectivement une bonne idée à la quelle je réfléchis, mon souci est la faible hauteur ( 1 m) de ma cuve 1000l. Mais je ne désespère pas de trouver une solution satisfaisante.
a bientôt
Merci Pierre pour votre réponse et votre schéma ( très clair ) effectivement ça ressemble pas mal à ce que j'espère réaliser mais il est vrai que je me suis beaucoup inspiré des expériences mises en pratique sur le site d'Apper.
le ballon combi ECS me parait effectivement une bonne idée à la quelle je réfléchis, mon souci est la faible hauteur ( 1 m) de ma cuve 1000l. Mais je ne désespère pas de trouver une solution satisfaisante.
a bientôt
