projet chauffage + ecs+piscine
Modérateurs : ramses, Balajol, monteric, ametpierre, j2c
-
- Etudiant Solaire
- Messages : 283
- Enregistré le : lun. juil. 20, 2009 12:51 pm
- Localisation : sathonay (69)
bonjour à tous
j'essaie de vous envoyer le schéma de mon projet de chauffage solaire + ECS + chauffage piscine intérieure.
Peut-être certains d'entre vous pourrons me donner leur avis.
Mes croquis sont pas terribles mais je ne parviens pas à dessiner par ordinateur.
Je vais tenter de vous envoyer toout celà en plusieurs messages pour ne pas saturer.
Merci à l'avance de vos critiques
j'essaie de vous envoyer le schéma de mon projet de chauffage solaire + ECS + chauffage piscine intérieure.
Peut-être certains d'entre vous pourrons me donner leur avis.
Mes croquis sont pas terribles mais je ne parviens pas à dessiner par ordinateur.
Je vais tenter de vous envoyer toout celà en plusieurs messages pour ne pas saturer.
Merci à l'avance de vos critiques
- Fichiers joints
-
- DESCRIPTION PROJET.doc
- (29.5 Kio) Téléchargé 165 fois
- vile-coyote
- Maitre Solaire
- Messages : 878
- Enregistré le : mar. nov. 06, 2007 12:44 pm
- Localisation : bretagne (56)
bonjour pruvost,
tu aurais les chéma hydraulique que tu prévois stp ? ils sont pas dans le fichier joins.
A+
tu aurais les chéma hydraulique que tu prévois stp ? ils sont pas dans le fichier joins.
A+
mon ancienne installation https://www.apper-solaire.org/Pages/Experiences/Delcourt%20Bertrand%2085/ses%2020m2%20de%20capteurs%20tubes%20et%20son%20ballon%20combi/index.htm
bientôt un nouveau projet solaire thermique
bientôt un nouveau projet solaire thermique
-
- Etudiant Solaire
- Messages : 283
- Enregistré le : lun. juil. 20, 2009 12:51 pm
- Localisation : sathonay (69)
Oui bonjour et merci de t'intéresser à mon message.
J'ai des difficultés pour les joindre.
J'essaye à nouveau.
Je ne parviens pas à joindre mon schéma.
je l'ai scannerisé puis réduit à l'aide de xnview mais après comme je l'ai avec une extension avec une étoile à 3 branche rouge, rien à faire pour le joindre au message.
tant pis ...
je vais encore tenter des essais... je suis nul en informatique ...
J'ai des difficultés pour les joindre.
J'essaye à nouveau.
Je ne parviens pas à joindre mon schéma.
je l'ai scannerisé puis réduit à l'aide de xnview mais après comme je l'ai avec une extension avec une étoile à 3 branche rouge, rien à faire pour le joindre au message.
tant pis ...
je vais encore tenter des essais... je suis nul en informatique ...
- vile-coyote
- Maitre Solaire
- Messages : 878
- Enregistré le : mar. nov. 06, 2007 12:44 pm
- Localisation : bretagne (56)
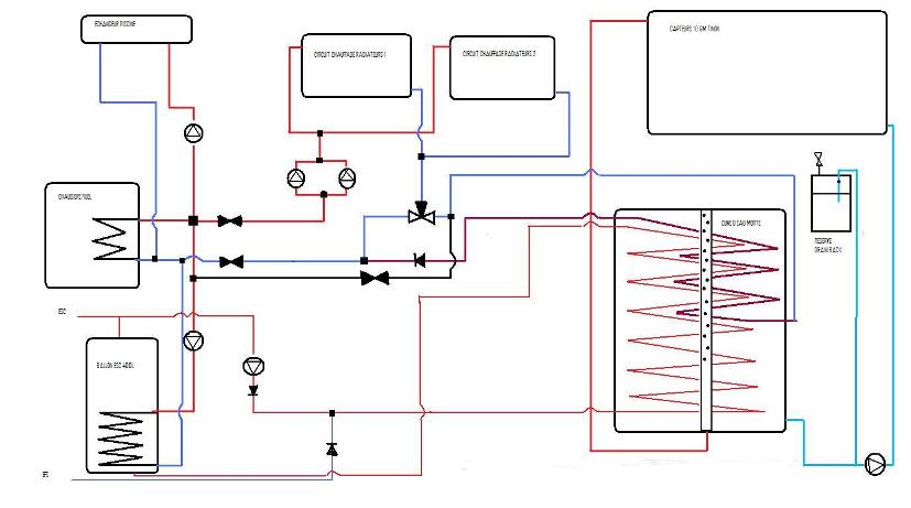
et voila le fichier de pruvost en basse résolution,


Modifié en dernier par vile-coyote le mer. mai 26, 2010 20:18 pm, modifié 3 fois.
mon ancienne installation https://www.apper-solaire.org/Pages/Experiences/Delcourt%20Bertrand%2085/ses%2020m2%20de%20capteurs%20tubes%20et%20son%20ballon%20combi/index.htm
bientôt un nouveau projet solaire thermique
bientôt un nouveau projet solaire thermique
- Besson François
- Maitre Solaire
- Messages : 1182
- Enregistré le : jeu. janv. 15, 2009 18:09 pm
- Localisation : Echalas(69)
Bonsoir a tous , Pruvost
A verifier si je n ai pas fait d erreurs en recopiant
Les point importants a eclaircir a mon avis
Le circuit drain back , fonctionnel en l etat ?
La conception de la cuve , cheminée de stratification , echangeurs dimensionnement
Les eventuelles circulations parasites , echangeur piscine ?
A verifier si je n ai pas fait d erreurs en recopiant

Les point importants a eclaircir a mon avis
Le circuit drain back , fonctionnel en l etat ?
La conception de la cuve , cheminée de stratification , echangeurs dimensionnement
Les eventuelles circulations parasites , echangeur piscine ?
Amicalement François
-
- Etudiant Solaire
- Messages : 283
- Enregistré le : lun. juil. 20, 2009 12:51 pm
- Localisation : sathonay (69)
Merci Tous , Merci François pour ce très beau schéma, sans erreur.
J'ai ajouté une électrovanne en série avec la vanne manuelle existante sur le circuit solaire qui alimente l'échangeur de la piscine de façon à éviter de vidanger les calories de la cuve d'eau morte dans la piscine.
Dès que la température du haut de la cuve d'eau morte descend à 50°C ( à définir), l'électro-vanne sera fermée.
J'ai ajouté une électrovanne en série avec la vanne manuelle existante sur le circuit solaire qui alimente l'échangeur de la piscine de façon à éviter de vidanger les calories de la cuve d'eau morte dans la piscine.
Dès que la température du haut de la cuve d'eau morte descend à 50°C ( à définir), l'électro-vanne sera fermée.
- patoche
- Maitre Solaire
- Messages : 1292
- Enregistré le : mar. mai 02, 2006 21:42 pm
- Localisation : st julien du pinet 43200
Hé, l'ami c'est quoi ça, j'abandonne....
Pas d'çà ici, comme d'hab y'a pas d'problèmes...y'a qu'des solutions!
J'vais p't'être dire une co***rie, mais perso, quand j'n'arrive pas à passer des documents sur l'forum ( c'qui est courant
), j'les tassent en PDF et hop...l'affaire est dans l'sac.
Essaies comme çà, tu vas voir ça va l'faire, mais surtout n'abandonne pas
A+, Patoche,

Pas d'çà ici, comme d'hab y'a pas d'problèmes...y'a qu'des solutions!
J'vais p't'être dire une co***rie, mais perso, quand j'n'arrive pas à passer des documents sur l'forum ( c'qui est courant

Essaies comme çà, tu vas voir ça va l'faire, mais surtout n'abandonne pas

A+, Patoche,
C'est en restant à rien faire...qu'on apprend à mal-faire!!!
-
- Maitre Solaire
- Messages : 1457
- Enregistré le : lun. avr. 13, 2009 7:08 am
- Localisation : Saint Gervais (en Vendée - 85)
Bonjour Pruvost,
Transforme ton fichier en pdf, pour cela tu peux utiliser pdfcreator comme logiciel et télécharge ensuite le fichier pdf créé.
Bonne soirée
Fotourefair
Transforme ton fichier en pdf, pour cela tu peux utiliser pdfcreator comme logiciel et télécharge ensuite le fichier pdf créé.
Bonne soirée
Fotourefair
12 m2 capteurs tubes circulation directe (tubes à l'horizontale) + Ballon tampon 1000L
08/03/2010 : de 26 à 45° en bas de ballon (49° au 1/3 haut ECS)
07/02/2012 : de 23 à 48° en bas (58° au 1/3 haut ECS) pas mal pour un mois de février non ???
08/03/2010 : de 26 à 45° en bas de ballon (49° au 1/3 haut ECS)
07/02/2012 : de 23 à 48° en bas (58° au 1/3 haut ECS) pas mal pour un mois de février non ???
- vile-coyote
- Maitre Solaire
- Messages : 878
- Enregistré le : mar. nov. 06, 2007 12:44 pm
- Localisation : bretagne (56)
- Besson François
- Maitre Solaire
- Messages : 1182
- Enregistré le : jeu. janv. 15, 2009 18:09 pm
- Localisation : Echalas(69)
Bonsoir a tous , Pruvost
A ce stade , je pense qu il n y a pas de gros probleme hydraulique sur ton schema , je m attacherais plutot a approfondir certains points
1 le drain back , nos amis specialistes de la question ne se sont pas prononcés , ce schema est il viable en l etat ??
2 le raccordement des capteurs , entre eux et les lignes
3 la fabrication des elements de la cuve , cheminée , echangeurs chauffage et esc (diametre et longueur)
A ce stade , je pense qu il n y a pas de gros probleme hydraulique sur ton schema , je m attacherais plutot a approfondir certains points
1 le drain back , nos amis specialistes de la question ne se sont pas prononcés , ce schema est il viable en l etat ??
2 le raccordement des capteurs , entre eux et les lignes
3 la fabrication des elements de la cuve , cheminée , echangeurs chauffage et esc (diametre et longueur)
Modifié en dernier par Besson François le sam. mai 29, 2010 20:47 pm, modifié 1 fois.
Amicalement François
- patoche
- Maitre Solaire
- Messages : 1292
- Enregistré le : mar. mai 02, 2006 21:42 pm
- Localisation : st julien du pinet 43200
Salut Tous,
Ben moi qui suis dégourdi.....comme une poule ka trouvée un couteau....j' me demande qu'est ce qu'il y'a dans c'fichier.
Si c'est des photos ou un plan, perso j'l'ouvre avec Corel photo paint, je fais rééchantilloner et paf j'réduis tout ça
Maintenant, c'est pas moi qui vais donner des l'çons....j'ai presque tout appris ici
Place aux "pros"...
A+, Patoche,
Ben moi qui suis dégourdi.....comme une poule ka trouvée un couteau....j' me demande qu'est ce qu'il y'a dans c'fichier.
Si c'est des photos ou un plan, perso j'l'ouvre avec Corel photo paint, je fais rééchantilloner et paf j'réduis tout ça

Maintenant, c'est pas moi qui vais donner des l'çons....j'ai presque tout appris ici

Place aux "pros"...
A+, Patoche,
C'est en restant à rien faire...qu'on apprend à mal-faire!!!
- YvesBr
- Maitre Solaire
- Messages : 1421
- Enregistré le : lun. mars 20, 2006 23:54 pm
- Localisation : Moselle - aéroport 57
[quote="Besson François"]Bonsoir a tous , Pruvost
A ce stade , je pense qu il n y a pas de gros probleme hydraulique sur ton schema , je m attacherais plutot a approfondir certains points
1 le drain back , nos amis specialistes de la question ne se sont pas prononcés , ce schema est il viable en l etat ??
[/quote]
Bonsoir,
effectivement côté autovidange, il n'y a aucune prise d'air. Cà ne peut donc pas fonctionner.
Revoir :
http://www.apper-solaire.org/Pages/Fich ... /index.pdf
et
http://www.apper-solaire.org/Pages/Fich ... /index.pdf
yves
A ce stade , je pense qu il n y a pas de gros probleme hydraulique sur ton schema , je m attacherais plutot a approfondir certains points
1 le drain back , nos amis specialistes de la question ne se sont pas prononcés , ce schema est il viable en l etat ??
[/quote]
Bonsoir,
effectivement côté autovidange, il n'y a aucune prise d'air. Cà ne peut donc pas fonctionner.
Revoir :
http://www.apper-solaire.org/Pages/Fich ... /index.pdf
et
http://www.apper-solaire.org/Pages/Fich ... /index.pdf
yves
-
- Maitre Solaire
- Messages : 1457
- Enregistré le : lun. avr. 13, 2009 7:08 am
- Localisation : Saint Gervais (en Vendée - 85)
Bonjour tous,
Comment un pdf peut il être aussi gros ? Envoyez moi le fichier ville ou pruvost, je m'en occupe !
A+
Fotourefair
Comment un pdf peut il être aussi gros ? Envoyez moi le fichier ville ou pruvost, je m'en occupe !
A+
Fotourefair
12 m2 capteurs tubes circulation directe (tubes à l'horizontale) + Ballon tampon 1000L
08/03/2010 : de 26 à 45° en bas de ballon (49° au 1/3 haut ECS)
07/02/2012 : de 23 à 48° en bas (58° au 1/3 haut ECS) pas mal pour un mois de février non ???
08/03/2010 : de 26 à 45° en bas de ballon (49° au 1/3 haut ECS)
07/02/2012 : de 23 à 48° en bas (58° au 1/3 haut ECS) pas mal pour un mois de février non ???