Je te remercie d'amener du concret à la discussion
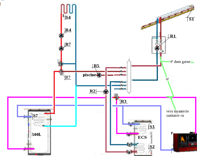
Je ne connais pas ton installation, su tu as un peu de temps, il serait très intéressant de réaliser un schéma sommaire de l'installation en faisant apparaitre les diverses connections des masses et liaisons à la terre, ainsi que les matériaux des tuyauteries.
La position des capteurs, (toit, sol etc) et bien entendu si ils sont intégré ou sur un support en toiture.
Le type d'installation ( a priori récente puisque tu as eu la visite du consuel)
Si tu es équipé de protection contre les surtensions et foudre.
Bon dimanche
Bertrand



