Page 1 sur 2
Solaire + poêle + ECS + Chauffage
Posté : ven. juin 17, 2022 15:42 pm
par nico78
Bonjour,
Voici la situation actuelle:
Maison avec jardin en ile de France. J’ai déjà installé, en remplacement d’une vieille chaudière gaz, un poêle à bois hydro pour l’eau chaude sanitaire et le chauffage centrale. Le système utilise un ballon tampon de 500L contenant l’eau de chauffage avec un serpentin pour l’ECS. Un deuxième serpentin en partie basse est disponible et non utilisé actuellement. Le poêle à bois est situé dans la pièce à « vivre » au 1er étage. En été il est difficile d’utiliser le poêle pour uniquement chauffer l’eau. Donc actuellement j’utilise la résistance électrique que j’ai placé aussi dans le ballon pour faire l’appoint en été.
Petit schéma ci-dessous :

- 1_poele.png (56.08 Kio) Vu 4316 fois

- 2_ecs.png (35.28 Kio) Vu 4316 fois
Évolution envisagée :
Je souhaite raccorder mon ballon tampon/ECS avec des panneaux thermiques via l’échangeur libre, de manière à avoir de l’eau chaude en été et peut-être une petite aide pour le chauffage centrale en inter-saison. J’ai déjà 2 panneaux d’occasion Dietrisol Pro 2,5 que je comptais installer sur le toit (pente 10°), je me suis donc dit que cela allait partir en surchauffe très régulièrement en été, et aucune production au printemps/automne. Donc deuxième idée, les placer dans le jardin orienté sud avec une inclinaison de 70-80° pour éviter la surchauffe et avoir une production en inter-saison.
Le problème c’est que le lieu d’implantation est distant du ballon de 25-30m.
Question :
est-ce réalisable avec cette distance ?
Cordialement,
Nico
Re: Solaire + poêle + ECS + Chauffage
Posté : ven. juin 17, 2022 16:24 pm
par vile-coyote
tout est affaire de compromis dans la vie, et rien est impossible,
j'espère que ces deux éléments te permettront de faire les bons choix

Re: Solaire + poêle + ECS + Chauffage
Posté : ven. juin 17, 2022 18:10 pm
par nico78
Re-bonjour,
Question subsidiaire :
Le drain back en circuit fermé enterré est-il possible malgré la distance?
Re: Solaire + poêle + ECS + Chauffage
Posté : sam. juin 18, 2022 8:28 am
par monteric
Bonjour,
Réalisable.. oui et ça va marcher, j'ai 25m pour les miens.
Mais le coût de la liaison et les travaux ne sont pas négligeable.
Ajouter une autovidange en plus, perso je ne vois pas l'intérêt.
A plus
Eric
Re: Solaire + poêle + ECS + Chauffage
Posté : lun. juin 20, 2022 17:53 pm
par j2c
Je pencherai plus pour l'installation dans le jardin :
* plus de facilité pour la maintenance
* possibilité de couvrir en été
* et bonne inclinaison dès le départ.
Re: Solaire + poêle + ECS + Chauffage
Posté : jeu. juil. 07, 2022 14:59 pm
par nico78
Bonjour, merci pour vos commentaires.
@j2c
L’installation est prévue dans le jardin (orienté sud avec une inclinaison de 70-80°).
@monteric
oui, finalement je l’ai supprimé.
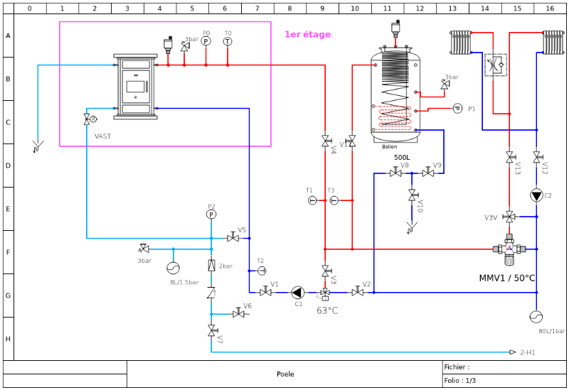
Voici l’implantation que je compte faire :
par le biais d’une vanne thermostatique (réglée à 40°C), je ne chaufferais le ballon qu’à une température supérieure à 40°C, ce qui devrait me permettre de ne pas envoyer les calories du ballon dans les panneaux en inter-saison. Ou y a-t’il un moyen plus simple ?
Pour les problèmes de surchauffe, je compte déclencher le circulateur (C2) des radiateurs si la température du ballon est trop élevée, cela devrait résoudre le problème.
J'espère!

- Screenshot_20220707_145552.png (37.76 Kio) Vu 4106 fois
Re: Solaire + poêle + ECS + Chauffage
Posté : mer. juil. 13, 2022 15:42 pm
par ventura
Bonjour,
Une régulation différentielle fait parfaitement l'affaire
La régulation : une sonde à la sortie des capteurs, une sonde sur le ballon.
Le circulateur ne fonctionne que si la température des capteurs est plus haute que la température du ballon.La différence est réglable à souhait
Pas besoin de système thermostatique.
Il existe des régulations solaires avec fonction régulation différentielle, et fonctionnement forcé du circulateur, pour palier à la surchauffe , également réglable .
Re: Solaire + poêle + ECS + Chauffage
Posté : mer. juil. 13, 2022 15:44 pm
par ventura
Bonjour,
Une régulation différentielle fait parfaitement l'affaire
La régulation : une sonde à la sortie des capteurs, une sonde sur le ballon.
Le circulateur ne fonctionne que si la température des capteurs est plus haute que la température du ballon.La différence est réglable à souhait
Pas besoin de système thermostatique.
Il existe des régulations solaires avec fonction régulation différentielle, et fonctionnement forcé du circulateur, pour palier à la surchauffe , également réglable .
Je ne comprend pas pourquoi les 2 capteurs sont en série ?
Re: Solaire + poêle + ECS + Chauffage
Posté : mer. juil. 13, 2022 15:58 pm
par j2c
Je suis du même avis que ventura, concernant :
* la régulation différentielle, sans système thermostatique. Pourquoi faire du recyclage de l'eau si elle est plus froide que 40° quand ton ballon est froid. Tu passes à coté de l'énergie qui est collectée à ce moment là;
* les panneaux en séries ? je les aurais plutôt vue en parallèle
Pour la surchauffe estivale, avec 2 panneaux incliné à 70°, je ne suis vraiment pas convaincu que tu y sera exposé.
Re: Solaire + poêle + ECS + Chauffage
Posté : mer. juil. 13, 2022 16:46 pm
par nico78
Bonjour,
merci pour vos réponses.
@j2c & @ventura
En fait les panneaux sont distant de 25m environ du ballon, ce qui correspond à un volume d’eau à l’intérieur des tuyaux (A/R), des panneaux et du serpentin du ballon à 10+4+16 = 30L !
Donc la température de l’eau dans les tuyaux et serpentin vont être beaucoup plus basses que celle des panneaux. Et j’ai peur que sinon les panneaux vident les calories du ballon. C’est ce que j’avais mis en place pour le poil bouilleur avec succès (pour éviter le bistre et commencer à charger le ballon à 60°C).
Cela dit ça ne coute rien d’essayer sans la vanne thermostatique.
En fait je compte utiliser aussi les panneaux thermiques en intersaison pour faire de l’appoint de chauffage centrale. Donc normalement le montage série devrait permettre de monter suffisamment la température en intersaison.
@j2c« Pour la surchauffe estivale, avec 2 panneaux incliné à 70°, je ne suis vraiment pas convaincu que tu y sera exposé » En fait je vais mettre une sécurité (sonde temp) qui va forcer la mise en route du chauffage centrale en cas de surchauffe.
Re: Solaire + poêle + ECS + Chauffage
Posté : mer. juil. 13, 2022 19:31 pm
par ventura
Je te conseille de régler la température du ballon à 60°C (sécurité hygiène)
La plupart des régulations intègrent la gestion de surchauffe.
Au lieu de faire fonctionner ton chauffage,"avec le clim" sacrilège,tu peut évacuer de l'eau chaude du ballon.
Avec des capteurs orienté à 70, 80°le risque de surchauffe est minime.
Dans tous les cas , ils est primordial d'isoler, voir sur-isoler toute l'installation , les tubes aussi.
Un montage en série favorise grandement la surchauffe.
Re: Solaire + poêle + ECS + Chauffage
Posté : mer. juil. 13, 2022 21:35 pm
par j2c
Perso.. je ne suis vraiment pas fan de mettre le chauffage en été en décharge.
Si vraiment tu as peur , pendant les vacances,.tu couvres un panneau et fin de l'histoire (c'est ce que je faisais )
Re: Solaire + poêle + ECS + Chauffage
Posté : jeu. juil. 14, 2022 9:03 am
par monteric
Bonjour,
Alors pour ma part quelques remarques :
- Pas de probleme de légionelloses sur des ballons a eau chaud instantané... bon d'ailleurs pas de probleme non plus dans les autre en dessous de 300L, c'est une autre histoire.
- 2 panneaux à 70° pour 500L de ballon, je ne sais plus ou tu es situé en France mais tu n'auras jamais de surchauffe quasiment et avec une régulation bien faite pas de soucis (par exemple saturation des panneaux à partir de 60° en milieu de ballon).
- Pour 2 panneaux je ne mettrais rien en série, ca n'a de mon point de vue aucun sens, tu dégrades le rendement pour rien.
- 70° ca me semble trop, la encore je n'ai pas remonté le fil pour savoir ou tu es géographiquement mais chercher le soleil d'hiver n'a pas d’intérêt. L'hiver (novembre ... janvier) je prefere faire comme si on avait rien et orienté à 60° est bien suffisant.
- Faire du chauffage ou un participation du chauffage avec 2 panneaux est je pense une bétise. Tu ne ferras rien, c'est deja bien de faire de l'eau chaude

Tu vas compliquer ton installation pour rien ! Soit tu fais un CESI, soit tu fait un SSC mais entre les deux, c'est un mauvais calcul.
- Perso les ballon Niox, je ne suis pas fan. Oui c'est pas tres chere (et encore) mais le principe du serpentin ECS a jouté par dessus n'est pas terrible coté stratification.
- Concernant la vanne thermostatique, comme les copains, ca ne sert a rien, bien au contraire tu vas perdre le moment ou le solaire marche le mieux c'est a dire en basse température.
Oui tu vas faire un peut de perte en debut de journée dans certain cas mais se n'est pas si énrome que ca. J'ai aussi 25m et la perte est vraiment minime. Si en plus tu gères correctement en cherchant l'optimisation solaire, ton ballon sera souvent à basse température en bas au niveau de l’échangeur solaire.
Voila pour mes conseils

Bonne journée,
Eric
Re: Solaire + poêle + ECS + Chauffage
Posté : jeu. juil. 14, 2022 13:02 pm
par nico78
Bonjour,
@ ventura
* « température du ballon à 60°C (sécurité hygiène) » avec ce type de ballon aucun risque (serpentin ECS)
* Je ne comprends pas très bien cette phrase ; « "avec le clim" sacrilège,tu peut évacuer de l'eau chaude du ballon. »
* « Un montage en série favorise grandement la surchauffe. » vous avez raison, mais justement je pensais que comme cela, j’aurais plus de puissance de chauffe en intersaison.
@j2c
* « je ne suis vraiment pas fan de mettre le chauffage en été en décharge » avec 70°, cela ne devrait pas arriver souvent, ce n’est qu’une sécurité ultime, qui ne devrait pas se déclencher (comme toute sécurité ;-) )
@monteric
* je suis situé en ile de France.
* je testerais aussi le montage parallèle, de toute manière je ferrais un « montage à blanc » avec des tuyau d’arrosage.
* « Soit tu fais un CESI, soit tu fait un SSC mais entre les deux » en fait c’est déjà une sorte d’installation SSC, où actuellement le solaire est remplacé par un poêle bouilleur (qui chauffe la maison et l’ECS en hiver). Ce que je veux faire c’est simplement « remplacer » le poêle par les panneaux thermiques du printemps à l’automne.
* compris pour la vanne.
* « Niox » je l’utilise depuis 3 ans avec le poêle sans observer de problème.
Merci pour vos conseils, je commence à y voir plus claire.
Cordialement,
Nico
Re: Solaire + poêle + ECS + Chauffage
Posté : jeu. juil. 14, 2022 16:13 pm
par ventura
nico78 a écrit : ↑jeu. juil. 14, 2022 13:02 pm
Bonjour,
* « température du ballon à 60°C (sécurité hygiène) » avec ce type de ballon aucun risque (serpentin ECS)
Sécurité, hygiène et stock
* Je ne comprends pas très bien cette phrase ; « "avec le clim" sacrilège,tu peut évacuer de l'eau chaude du ballon. »
Je crois comprendre que tu n'as pas de clim.
Je n'imagine pas que tu puisses utiliser le chauffage de la maison par ces temps de canicule
* « Un montage en série favorise grandement la surchauffe. » vous avez raison, mais justement je pensais que comme cela, j’aurais plus de puissance de chauffe en intersaison.
La puissance n'augmente pas , la température oui, les déperditions aussi , le rendement diminue