probleme relais
Modérateurs : ramses, Balajol, monteric, ametpierre, j2c
- françois34
- Modérateur

- Messages : 1213
- Enregistré le : ven. janv. 20, 2006 12:33 pm
- Localisation : Herault
Bonjour à tous,
Rien à voir avec le solaire, mais je suis confronté à un probleme de relais et je sais qu'il y a pas mal de kadors en electronique sur le fofo.
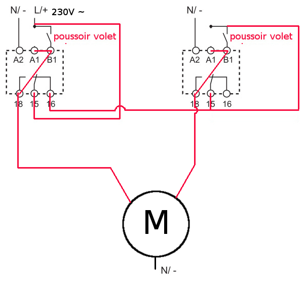
Dans les combles j'ai installé des relais temporisés Finder qui permettent d'une simple impulsion sur un inter poussoir (dans une chambre par exemple) de commander la montée ou descente du volet.
Le principe est le suivant: La bobine étant sous tension, le poussoir envoi une phase sur B1, et le contact se ferme le temps de la temporisation choisi.
Le probleme c'est que la bobine est sans arrêt sous tension et ça chauffe.
J'ai donc eu une modeste idée géniale: j'ai relié B1, A1 et 18, et j'ai enlevé la phase permanente sur A1. Ainsi dès que le poussoir envoi une phase il alimente la bobine, le relais se ferme et la phase est récupérée par le 18.
Quand la temporisation s'arrête, le 18 n'est plus alimenté et la bobine non plus.
Ca fonctionne du tonnerre sauf que quand je connecte les deux relais, celui pour la montée et la descente, le second se comporte comme s'il y avait une phase sur B1. Comme cette entrée B1 a une large plage de fonctionnement au niveau tension, je pense qu'il y a un courant induit qui le déclenche.
Bref j'en viens à ma question: comment supprimer ce courant induit? condensateur, zehner,...?
Rien à voir avec le solaire, mais je suis confronté à un probleme de relais et je sais qu'il y a pas mal de kadors en electronique sur le fofo.
Dans les combles j'ai installé des relais temporisés Finder qui permettent d'une simple impulsion sur un inter poussoir (dans une chambre par exemple) de commander la montée ou descente du volet.
Le principe est le suivant: La bobine étant sous tension, le poussoir envoi une phase sur B1, et le contact se ferme le temps de la temporisation choisi.
Le probleme c'est que la bobine est sans arrêt sous tension et ça chauffe.
J'ai donc eu une modeste idée géniale: j'ai relié B1, A1 et 18, et j'ai enlevé la phase permanente sur A1. Ainsi dès que le poussoir envoi une phase il alimente la bobine, le relais se ferme et la phase est récupérée par le 18.
Quand la temporisation s'arrête, le 18 n'est plus alimenté et la bobine non plus.
Ca fonctionne du tonnerre sauf que quand je connecte les deux relais, celui pour la montée et la descente, le second se comporte comme s'il y avait une phase sur B1. Comme cette entrée B1 a une large plage de fonctionnement au niveau tension, je pense qu'il y a un courant induit qui le déclenche.
Bref j'en viens à ma question: comment supprimer ce courant induit? condensateur, zehner,...?
Avec Linux vous avez un noyau. Avec Windows vous avez des pépins...
- françois34
- Modérateur

- Messages : 1213
- Enregistré le : ven. janv. 20, 2006 12:33 pm
- Localisation : Herault
-
nicolas34
- Expert Solaire

- Messages : 543
- Enregistré le : lun. mars 03, 2008 12:43 pm
- Localisation : montoulieu (34)
Hello François, tous
[quote="françois34"]Eh ben, quel bide...
[/quote]
des fois ça le fait...
un p'tit crobard des branchements de tes 2 relais aiderait.
ton volet, c'est une motorisation standard (3 fils)?
et mode curieux, pourquoi avoir choisi cette option relais ?
plusieurs points de commandes ?
A te lire - nico
[quote="françois34"]Eh ben, quel bide...
des fois ça le fait...
un p'tit crobard des branchements de tes 2 relais aiderait.
ton volet, c'est une motorisation standard (3 fils)?
et mode curieux, pourquoi avoir choisi cette option relais ?
plusieurs points de commandes ?
A te lire - nico
Nicolas Pons pour CR (pas que c'était mieux avant..mais un peu quand même)
https://webold.apper-solaire.org/
https://webold.apper-solaire.org/
- françois34
- Modérateur

- Messages : 1213
- Enregistré le : ven. janv. 20, 2006 12:33 pm
- Localisation : Herault
Hello Nico,
Le schéma est dans le message, mais j'en remets un peut-être plus explicite.
En fait je gere les volets avec un M2 ( on se refait pas!).
Je ne peux donc pas utiliser des inters de volets standard avec le bouton stop au milieu, car ça envoie une phase sans arrêt au volet, c'est la fin de course qui arrête le volet.
Si je me retrouve avec une commande automatique venant du M2 disant de descendre le volet, et que le bouton est sur montée il y a confilt et les volets n'aiment pas du tout!
Pour l'instant il faut rester appuyé sur les boutons pour la descente ou montée manuelle.
D'où mon idée: placer des relais temporisés dans les combles...
Le schéma est dans le message, mais j'en remets un peut-être plus explicite.
En fait je gere les volets avec un M2 ( on se refait pas!).
Je ne peux donc pas utiliser des inters de volets standard avec le bouton stop au milieu, car ça envoie une phase sans arrêt au volet, c'est la fin de course qui arrête le volet.
Si je me retrouve avec une commande automatique venant du M2 disant de descendre le volet, et que le bouton est sur montée il y a confilt et les volets n'aiment pas du tout!
Pour l'instant il faut rester appuyé sur les boutons pour la descente ou montée manuelle.
D'où mon idée: placer des relais temporisés dans les combles...
Avec Linux vous avez un noyau. Avec Windows vous avez des pépins...
- Ottiti
- Maitre Solaire

- Messages : 3097
- Enregistré le : sam. oct. 23, 2010 21:57 pm
- Localisation : 57420 FEY
Salut
Et si quelque chose s'interpose durant la fermeture temporisé que se passe t il ?
Le fait de rester en "manuel" est plus sécurisant
A+
Et si quelque chose s'interpose durant la fermeture temporisé que se passe t il ?
Le fait de rester en "manuel" est plus sécurisant
A+
DrainBloc PAW + 13M2 + KER2 de 800 litres à production d'ECS Instantanée / KER1 de 800l & Chaudiere Prity MA18/ Poêle Hanook Supra / WKS 1kw + 2 x 200wc circuit dédié et 1/280wc injection secteur
- françois34
- Modérateur

- Messages : 1213
- Enregistré le : ven. janv. 20, 2006 12:33 pm
- Localisation : Herault
[quote="Ottiti"]Salut
Et si quelque chose s'interpose durant la fermeture temporisé que se passe t il ?
Le fait de rester en "manuel" est plus sécurisant
A+[/quote]
c'est prévu, le M2 coupe la phase de toutes les commandes manuelles...
Et si quelque chose s'interpose durant la fermeture temporisé que se passe t il ?
Le fait de rester en "manuel" est plus sécurisant
A+[/quote]
c'est prévu, le M2 coupe la phase de toutes les commandes manuelles...
Avec Linux vous avez un noyau. Avec Windows vous avez des pépins...
- françois34
- Modérateur

- Messages : 1213
- Enregistré le : ven. janv. 20, 2006 12:33 pm
- Localisation : Herault
-
nicolas34
- Expert Solaire

- Messages : 543
- Enregistré le : lun. mars 03, 2008 12:43 pm
- Localisation : montoulieu (34)
Re
j'avais vu ton schéma + la modif
ma question était plus sur comment est ton montage avec les 2 relais, 2 bp (j'imagine...) et les fils moteur.
il te faut peut être aussi envisager le cas, en commande manuelle, du conflit => demande montée et descente en même temps... avec l'automate tu t'en tires...
Edit: quelle tension pour la commande (en N et L) ?
A plus tard
j'avais vu ton schéma + la modif
ma question était plus sur comment est ton montage avec les 2 relais, 2 bp (j'imagine...) et les fils moteur.
il te faut peut être aussi envisager le cas, en commande manuelle, du conflit => demande montée et descente en même temps... avec l'automate tu t'en tires...
Edit: quelle tension pour la commande (en N et L) ?
A plus tard
Modifié en dernier par nicolas34 le mer. oct. 15, 2014 0:05 am, modifié 1 fois.
Nicolas Pons pour CR (pas que c'était mieux avant..mais un peu quand même)
https://webold.apper-solaire.org/
https://webold.apper-solaire.org/
- françois34
- Modérateur

- Messages : 1213
- Enregistré le : ven. janv. 20, 2006 12:33 pm
- Localisation : Herault
-
nicolas34
- Expert Solaire

- Messages : 543
- Enregistré le : lun. mars 03, 2008 12:43 pm
- Localisation : montoulieu (34)
B'jour tous
[quote="françois34"]
Pour le conflit là aussi c'est prévu, la phase de l'un passe par le contact repos (16) de l'autre...
[/quote]
et pas oublier l'autre qui passe aussi par l'autre repos...
sinon pas si évident que ce que je pensais
soluces possibles:
couper la remontée moteur (ajout relais, je ne sais si cela va te plaire)
tenter de baisser la tension remontée (valeur ?) au dessous de 12 v
ou bien tout passer par l'automate (récupérer l'état des bp et agir en fonction - cela aurait ma préférence, mais je connais pas le M2...)
si jamais tu as 2 relais en rab, et que tu passes... j'ai une motorisation volet.
peut être aussi d'autres moyens que j'ai pas en tête...
A plus tard
[quote="françois34"]
Pour le conflit là aussi c'est prévu, la phase de l'un passe par le contact repos (16) de l'autre...
et pas oublier l'autre qui passe aussi par l'autre repos...
sinon pas si évident que ce que je pensais
soluces possibles:
couper la remontée moteur (ajout relais, je ne sais si cela va te plaire)
tenter de baisser la tension remontée (valeur ?) au dessous de 12 v
ou bien tout passer par l'automate (récupérer l'état des bp et agir en fonction - cela aurait ma préférence, mais je connais pas le M2...)
si jamais tu as 2 relais en rab, et que tu passes... j'ai une motorisation volet.
peut être aussi d'autres moyens que j'ai pas en tête...
A plus tard
Nicolas Pons pour CR (pas que c'était mieux avant..mais un peu quand même)
https://webold.apper-solaire.org/
https://webold.apper-solaire.org/
-
Christophe.31
- Stagiaire Solaire

- Messages : 107
- Enregistré le : dim. août 10, 2014 13:03 pm
- Localisation : 99
- françois34
- Modérateur

- Messages : 1213
- Enregistré le : ven. janv. 20, 2006 12:33 pm
- Localisation : Herault
[quote="nicolas34"]
et pas oublier l'autre qui passe aussi par l'autre repos...
Non ça c'est pas possible.
couper la remontée moteur (ajout relais, je ne sais si cela va te plaire)
tenter de baisser la tension remontée (valeur ?) au dessous de 12 v
J'ai acheté des condensateurs 0.1 microfarad on va voir si ça marche.
ou bien tout passer par l'automate (récupérer l'état des bp et agir en fonction - cela aurait ma préférence, mais je connais pas le M2...)
Ca j'avais pensé dès le début mais il faudrait 18 relais!
[/quote]
et pas oublier l'autre qui passe aussi par l'autre repos...
Non ça c'est pas possible.
couper la remontée moteur (ajout relais, je ne sais si cela va te plaire)
tenter de baisser la tension remontée (valeur ?) au dessous de 12 v
J'ai acheté des condensateurs 0.1 microfarad on va voir si ça marche.
ou bien tout passer par l'automate (récupérer l'état des bp et agir en fonction - cela aurait ma préférence, mais je connais pas le M2...)
Ca j'avais pensé dès le début mais il faudrait 18 relais!
[/quote]
Avec Linux vous avez un noyau. Avec Windows vous avez des pépins...
- françois34
- Modérateur

- Messages : 1213
- Enregistré le : ven. janv. 20, 2006 12:33 pm
- Localisation : Herault
[quote="Christophe.31"]Il est possible d'avoir la réf de ce relais Finder, je ne vois pas pour quoi ce strap entre B1 et 18 ....[/quote]
Il n'y a pas de strap à l'origine, c'est moi qui ai trouvé cette astuce.
La référence est 80.01.0.240.0000
Il n'y a pas de strap à l'origine, c'est moi qui ai trouvé cette astuce.
La référence est 80.01.0.240.0000
Avec Linux vous avez un noyau. Avec Windows vous avez des pépins...
-
nicolas34
- Expert Solaire

- Messages : 543
- Enregistré le : lun. mars 03, 2008 12:43 pm
- Localisation : montoulieu (34)
Ben au moins ça fait cogiter
[quote="françois34"][referp=106590;quote="nicolas34"]
et pas oublier l'autre qui passe aussi par l'autre repos...
Non ça c'est pas possible.
couper la remontée moteur (ajout relais, je ne sais si cela va te plaire)
tenter de baisser la tension remontée (valeur ?) au dessous de 12 v
J'ai acheté des condensateurs 0.1 microfarad on va voir si ça marche.
ou bien tout passer par l'automate (récupérer l'état des bp et agir en fonction - cela aurait ma préférence, mais je connais pas le M2...)
Ca j'avais pensé dès le début mais il faudrait 18 relais!
[/quote][/quote]
tu as 9 volets ?
j'ai mesuré mon moteur, effectivement ~200v sur le fil non alimenté.
et pour le "pas possible", pourquoi ? tu veux pas ou il y a une autre raison ?
quand je monte un système à relais pour du double sens, je fais ainsi.
sur ton plan, en laissant de coté le pb du retour de jus, tu as une commande qui est prioritaire sur l'autre.
une idée comme ça, tu as tenté d'alimenter la commande en 12 ou 24v voir si ça chauffe aussi ? y'a peut être un truc à creuser...
Courage
[quote="françois34"][referp=106590;quote="nicolas34"]
et pas oublier l'autre qui passe aussi par l'autre repos...
Non ça c'est pas possible.
couper la remontée moteur (ajout relais, je ne sais si cela va te plaire)
tenter de baisser la tension remontée (valeur ?) au dessous de 12 v
J'ai acheté des condensateurs 0.1 microfarad on va voir si ça marche.
ou bien tout passer par l'automate (récupérer l'état des bp et agir en fonction - cela aurait ma préférence, mais je connais pas le M2...)
Ca j'avais pensé dès le début mais il faudrait 18 relais!
[/quote][/quote]
tu as 9 volets ?
j'ai mesuré mon moteur, effectivement ~200v sur le fil non alimenté.
et pour le "pas possible", pourquoi ? tu veux pas ou il y a une autre raison ?
quand je monte un système à relais pour du double sens, je fais ainsi.
sur ton plan, en laissant de coté le pb du retour de jus, tu as une commande qui est prioritaire sur l'autre.
une idée comme ça, tu as tenté d'alimenter la commande en 12 ou 24v voir si ça chauffe aussi ? y'a peut être un truc à creuser...
Courage
Nicolas Pons pour CR (pas que c'était mieux avant..mais un peu quand même)
https://webold.apper-solaire.org/
https://webold.apper-solaire.org/
- françois34
- Modérateur

- Messages : 1213
- Enregistré le : ven. janv. 20, 2006 12:33 pm
- Localisation : Herault
[quote="nicolas34"]et pour le "pas possible", pourquoi ? tu veux pas ou il y a une autre raison ?
quand je monte un système à relais pour du double sens, je fais ainsi.[/quote]
Montre sur le schéma comment tu fais, parce que là je cale...
quand je monte un système à relais pour du double sens, je fais ainsi.[/quote]
Montre sur le schéma comment tu fais, parce que là je cale...
Avec Linux vous avez un noyau. Avec Windows vous avez des pépins...