projet
Modérateurs : ramses, Balajol, monteric, ametpierre, j2c
bonjour ,
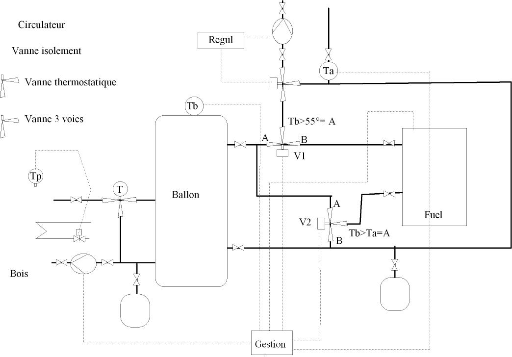
voila je compte ajouter une chaudiere bois avec un ballon tempon couplée a la chaudiere fuel
j'ai mis sur papier ce que je voulais faire , maintenant j'aurais voulu savoir si je me trompai pas ou s'il y avait plus simple
merci
voila je compte ajouter une chaudiere bois avec un ballon tempon couplée a la chaudiere fuel
j'ai mis sur papier ce que je voulais faire , maintenant j'aurais voulu savoir si je me trompai pas ou s'il y avait plus simple
merci
- Fichiers joints
-
- chauffage_fuel_bois.jpg (63.65 Kio) Vu 2872 fois
- YvesBr
- Maitre Solaire

- Messages : 1421
- Enregistré le : lun. mars 20, 2006 23:54 pm
- Localisation : Moselle - aéroport 57
Bonsoir,
Je ne comprends pas bien l'utilité de la branche AA.
Que se passe-t-il dans le ballon ? Si c'est tout communiquant, je ne vois pas l'intérêt d'avoir 2 ballons d'expansion, hormis d'obtenir le volume adéquat.
Il me semblait que pour une chaudière bois, il était obligatoire d'avoir un vase d'expansion à air libre.
Yves
Je ne comprends pas bien l'utilité de la branche AA.
Que se passe-t-il dans le ballon ? Si c'est tout communiquant, je ne vois pas l'intérêt d'avoir 2 ballons d'expansion, hormis d'obtenir le volume adéquat.
Il me semblait que pour une chaudière bois, il était obligatoire d'avoir un vase d'expansion à air libre.
Yves
merci
en fait la vanne v1 sert pourt le choix de chauffage , en dessous de 55 ° je prevois un basculemnt sur la chaudiere fioul
la vanne v2 sert pour recupere l'eau du ballon si elle est superieur au retour de chaudiere ( en prechauffe )
pour les ballons d'expansion je pensais que c'etait necessaire comme , je garde que celui coté fioul alors ?
en fait la vanne v1 sert pourt le choix de chauffage , en dessous de 55 ° je prevois un basculemnt sur la chaudiere fioul
la vanne v2 sert pour recupere l'eau du ballon si elle est superieur au retour de chaudiere ( en prechauffe )
pour les ballons d'expansion je pensais que c'etait necessaire comme , je garde que celui coté fioul alors ?
-
partner22
- Stagiaire Solaire

- Messages : 100
- Enregistré le : ven. mars 23, 2007 14:18 pm
- Localisation : bretagne pledeliac 22
salut,
personnellement, j'opterai pour une autre configuration à la sortie chaudière bois, celle-ci irait prioritairement vers le circuit chauffage et seule la chaleur excédentaire à la consigne de départ serait stockée dans le ballon tampon:
régul par V4V
-une arrivée chaudière
-un départ circuit
-un départ eau trop chaude vers haut du tampon
-une arrivée eau plus froide (bas du tampon ou
retour circuit si feu éteint)
cette vanne servira à reprendre l'eau chaude du tampon quand le feu sera éteint dans chaudière bois, ensuite quand la t° sera trop basse reprise de la chaudière fuel; le circuit bois est branché en by-pass sur le retour froid de la chaudière fuel qui démarre ou non en fonction de la t° de ce retour . le demarrage commande une électrovanne qui ferme ce by-pass.
C'est ainsi que je vais réaliser ce couplage à la maison (chaudière fuel + chaudière bois autoconstruite + ballon 1200l) ECS produite dans chaudière fuel par elle-même ou chaudière bois( le pourquoi du branchement sur le retour circuit chauffage vers fuel)
salutations[align=left]
personnellement, j'opterai pour une autre configuration à la sortie chaudière bois, celle-ci irait prioritairement vers le circuit chauffage et seule la chaleur excédentaire à la consigne de départ serait stockée dans le ballon tampon:
régul par V4V
-une arrivée chaudière
-un départ circuit
-un départ eau trop chaude vers haut du tampon
-une arrivée eau plus froide (bas du tampon ou
retour circuit si feu éteint)
cette vanne servira à reprendre l'eau chaude du tampon quand le feu sera éteint dans chaudière bois, ensuite quand la t° sera trop basse reprise de la chaudière fuel; le circuit bois est branché en by-pass sur le retour froid de la chaudière fuel qui démarre ou non en fonction de la t° de ce retour . le demarrage commande une électrovanne qui ferme ce by-pass.
C'est ainsi que je vais réaliser ce couplage à la maison (chaudière fuel + chaudière bois autoconstruite + ballon 1200l) ECS produite dans chaudière fuel par elle-même ou chaudière bois( le pourquoi du branchement sur le retour circuit chauffage vers fuel)
salutations[align=left]
-
looping
- Apprenti Solaire

- Messages : 370
- Enregistré le : mar. févr. 19, 2008 13:42 pm
- Localisation : Hallivillers (80)
Bonjour
Pour Serge
Je pense que V2 complique la régulation
Pour le préchauffage , lorsque le retour du circuit des radiateurs est encore chaud , la vanne V1 va basculer lentement
Il suffit de retarder le démarrage de la chaudière pour que le corps ait le temps de se réchauffer avec l'eau de retour , surtout si tu vises 55°c comme température de basculement
A mon avis , avec 40°C dans le tampon , tu peux encore bien chauffer une habitation en mi-saison
J'ai un projet similaire en cours de réalisation , comme on est voisin , on peut en discuter par tel si tu le souhaites .
Pour Partner22
Le raccordement du ballon tampon de Serge est le plus simple et logique car les variations de puissance sont absorbée en direct
Les besoins en chauffage sont uniquement gérés par le circulateur général
Serge a prévu de placer une vanne mélangeuse sur le départ , pour ne prélever que l'eau chaude nécessaire , permettant ainsi de ne pas envoyer de l'eau trop cahude dans le circuit
A+
Pour Serge
Je pense que V2 complique la régulation
Pour le préchauffage , lorsque le retour du circuit des radiateurs est encore chaud , la vanne V1 va basculer lentement
Il suffit de retarder le démarrage de la chaudière pour que le corps ait le temps de se réchauffer avec l'eau de retour , surtout si tu vises 55°c comme température de basculement
A mon avis , avec 40°C dans le tampon , tu peux encore bien chauffer une habitation en mi-saison
J'ai un projet similaire en cours de réalisation , comme on est voisin , on peut en discuter par tel si tu le souhaites .
Pour Partner22
Le raccordement du ballon tampon de Serge est le plus simple et logique car les variations de puissance sont absorbée en direct
Les besoins en chauffage sont uniquement gérés par le circulateur général
Serge a prévu de placer une vanne mélangeuse sur le départ , pour ne prélever que l'eau chaude nécessaire , permettant ainsi de ne pas envoyer de l'eau trop cahude dans le circuit
A+
- patoche
- Maitre Solaire

- Messages : 1292
- Enregistré le : mar. mai 02, 2006 21:42 pm
- Localisation : st julien du pinet 43200
Bonjour à tous,
Je profite de ces échanges pour relancer sur le forum mon projet. Je compte sur vous pour avancer.
Même config. que plus haut ( bois /fuel /SOLAIRE ), mise à part que je fais dans l'usine à gaz. Le problème des 2 cuves me parrait coton à gérer (manque de hauteur ), toutefois je suis confiant, je sent que l'étincelle vas venir du forum ou d'une bonne nuit de someil!!!
Que pensez vous de ma configuration et de ma façon de l'aborder ?
"Le plus simple" me semble mettre les 2 cuves en relation haut et bas, ce qui supprime 2 v3v et la gestion qui vas avec, et de tout envoyer dans ces stocks sans tenir compte des t° de chacun( Comme dirait quelqu'un le bon dieu fera le reste, moi j'ai pas le temps!). Je rappelle que je ne recherche que de l'appoint chauffage, l'ecs si y'a du rab, avec des t° de 40/50°, circuit radiateurs surdimentionnés.
Je vous joint un nouveau schéma et une ébauche de la gestion de tout çà.
A vos clavier, j'essaie de suivre et merci encore à tous pour vos suggestions,
Bonne journée,
Patoche,
Je profite de ces échanges pour relancer sur le forum mon projet. Je compte sur vous pour avancer.
Même config. que plus haut ( bois /fuel /SOLAIRE ), mise à part que je fais dans l'usine à gaz. Le problème des 2 cuves me parrait coton à gérer (manque de hauteur ), toutefois je suis confiant, je sent que l'étincelle vas venir du forum ou d'une bonne nuit de someil!!!
Que pensez vous de ma configuration et de ma façon de l'aborder ?
"Le plus simple" me semble mettre les 2 cuves en relation haut et bas, ce qui supprime 2 v3v et la gestion qui vas avec, et de tout envoyer dans ces stocks sans tenir compte des t° de chacun( Comme dirait quelqu'un le bon dieu fera le reste, moi j'ai pas le temps!). Je rappelle que je ne recherche que de l'appoint chauffage, l'ecs si y'a du rab, avec des t° de 40/50°, circuit radiateurs surdimentionnés.
Je vous joint un nouveau schéma et une ébauche de la gestion de tout çà.
A vos clavier, j'essaie de suivre et merci encore à tous pour vos suggestions,
Bonne journée,
Patoche,
- Fichiers joints
-
- img019.jpg (490.18 Kio) Vu 2831 fois
-
- Installation drain back sur 2 cuves 1000L.doc
- (21.5 Kio) Téléchargé 142 fois
C'est en restant à rien faire...qu'on apprend à mal-faire!!!
- superplombier
- Maitre Solaire

- Messages : 954
- Enregistré le : dim. déc. 17, 2006 19:01 pm
- Localisation : Bougé-Chambalud 38 dauphiné rhodanien
- Contact :
salut
voici ce qui se fait en regle generale pour une telle installation
la chaudidre bois est branchée sur le ballon tampon directement, le circuit chauffage sur le ballon aussi avec une vanne melangeuse en sortie et circulateur avec clapet antithermosiphon
entre chaudiere et ballon il faut aussi circulateur et clapet (souvant aussi un circulateur de recyclage pour eviter potn de rosse, ces deux circulateur sont alimentes via un aquastat qui met en route des que la chaudiere est à 50° (environ)
pour la chaudiere fioul, elle aussi circulateur et clapet, branchée sur la tuyauterie chauffage, ne passe pas par le ballon
2 solutions, soit le fioul demarre manuellement, on coupe circulateur bois et on met en route fioul
soit un aquastat sur ballon, qui coupe circulateur bois et met en route automatiquement le fioul des que le stockage bois est froid
pour les vases d'expansion, il peut y en avoir qu'un, il faut etre sur qu'il reste une communication entre tous les reseaux
je confirme qu'un vase ouvert est autorise pour le bois, par contre dans ce cas il faut une soupape anti ebulition
le fonctionnement est bien meilleur qu'avec vase ouvert
voici ce qui se fait en regle generale pour une telle installation
la chaudidre bois est branchée sur le ballon tampon directement, le circuit chauffage sur le ballon aussi avec une vanne melangeuse en sortie et circulateur avec clapet antithermosiphon
entre chaudiere et ballon il faut aussi circulateur et clapet (souvant aussi un circulateur de recyclage pour eviter potn de rosse, ces deux circulateur sont alimentes via un aquastat qui met en route des que la chaudiere est à 50° (environ)
pour la chaudiere fioul, elle aussi circulateur et clapet, branchée sur la tuyauterie chauffage, ne passe pas par le ballon
2 solutions, soit le fioul demarre manuellement, on coupe circulateur bois et on met en route fioul
soit un aquastat sur ballon, qui coupe circulateur bois et met en route automatiquement le fioul des que le stockage bois est froid
pour les vases d'expansion, il peut y en avoir qu'un, il faut etre sur qu'il reste une communication entre tous les reseaux
je confirme qu'un vase ouvert est autorise pour le bois, par contre dans ce cas il faut une soupape anti ebulition
le fonctionnement est bien meilleur qu'avec vase ouvert
le soleil brille pour tout le monde
-
looping
- Apprenti Solaire

- Messages : 370
- Enregistré le : mar. févr. 19, 2008 13:42 pm
- Localisation : Hallivillers (80)
Bonjour
Je profite du sujet pour aborder le problème de la position du circulateur sur ma chaudière fioul .
Le circulateur du circuit chauffage ( chauffage seul ) se trouve sur le départ , après la vanne 4 voies
Est-ce qu'il est plus judicieux de le placer ailleurs , sur le circuit retour , et dans la boucle "recyclage" de la chaudière ?
Je fais un petit croquis dès que j'ai un moment
A+
Je profite du sujet pour aborder le problème de la position du circulateur sur ma chaudière fioul .
Le circulateur du circuit chauffage ( chauffage seul ) se trouve sur le départ , après la vanne 4 voies
Est-ce qu'il est plus judicieux de le placer ailleurs , sur le circuit retour , et dans la boucle "recyclage" de la chaudière ?
Je fais un petit croquis dès que j'ai un moment
A+
-
partner22
- Stagiaire Solaire

- Messages : 100
- Enregistré le : ven. mars 23, 2007 14:18 pm
- Localisation : bretagne pledeliac 22
bonsoir à tous ,
Pour thermitch, je m'excuse de ne pas m'épancher plus sur ma future install, je suis en train de bosser sur la chaudière: montage armature, chambre de combustion. Je progresse lentement car le montage de chaque élément est définitif et je dois sauter de la chaudronnerie à la soudure cuivre, de l'isolation de la sole en béton de vermiculite à la pose des briques réfractaires , de la pose des systèmes d'arrivée d'air primaire et secondaire, bref je tatonne à chaque étape pour de pas faire de c.., je n'ai pas de plan et j'ajuste au fur et à mesure. mais bon, dans mon prochain post, je joins des photos ,le temps que je les retouche (apn m..dique). Abientôt
Pour thermitch, je m'excuse de ne pas m'épancher plus sur ma future install, je suis en train de bosser sur la chaudière: montage armature, chambre de combustion. Je progresse lentement car le montage de chaque élément est définitif et je dois sauter de la chaudronnerie à la soudure cuivre, de l'isolation de la sole en béton de vermiculite à la pose des briques réfractaires , de la pose des systèmes d'arrivée d'air primaire et secondaire, bref je tatonne à chaque étape pour de pas faire de c.., je n'ai pas de plan et j'ajuste au fur et à mesure. mais bon, dans mon prochain post, je joins des photos ,le temps que je les retouche (apn m..dique). Abientôt
