Conseils systeme poele bouilleur+ ballon tampon + appoint électrique et solaire thermique+ régulation + mur chauffant
Modérateurs : ramses, Balajol, monteric, ametpierre, j2c
Conseils systeme poele bouilleur+ ballon tampon + appoint électrique et solaire thermique+ régulation + mur chauffant
Bonjour à tous,
Je me permets de poster ici pour avoir vos avis et conseils d'experts sur le choix d'une régulation de chauffage pour mon installation. Je suis en pleine rénovation de la maison dans laquelle j'habite déjà dans le morbihan sud, et mon système n'est pas encore finalisé.
Voici une description de mon setup actuel :
#J'ai un poêle bouilleur Thermonicoletta de la marque La Nordica, avec une puissance totale de 13 kW dont 10 kW restitués à l'eau.
#Il est connecté à un Laddomat LTC 200
#J'ai une unité de regulation pour le chauffage avec une vanne 3 voies (V3V) motorisée.
#Le tout est relié à un ballon tampon de 1000 L, qui inclut une cuve immergée de 200 L pour l'eau chaude sanitaire (ECS), un echangeur que je souhaite utiliser pour le solaire thermique et une résistance électrique de 3 kW en appoint. J ai aussi un ballon ecs classique de 100l et je voudrais prechauffer l eau qui y arrive a l aide du ballon tampon
#Pour la distribution, j ai une nourrice (type plancher chauffant qui gere l eau vers des murs chauffants dans chaque pièce de la maison que j'aimerais pouvoir chauffer séparément pour une gestion pièce par pièce.
Dans le futur, j'envisage d'ajouter un panneau solaire thermique pour coupler au système, afin d'optimiser la production d'ECS en été et éventuellement contribuer au chauffage en intersaison.
Mes questions portent principalement sur le choix de la régulation globale, et en particulier sur un thermostat climatique adapté. Je cherche une solution qui priorise le chauffage l'hiver (en maximisant l'utilisation du poêle et du ballon), et l'ECS l'été (en intégrant les panneaux solaires comme source principale).
Quel type de thermostat climatique recommanderiez-vous pour ce genre d'installation hybride (poêle bois + solaire + appoint électrique) ?
Des marques/modèles spécifiques qui gèrent bien les priorités saisonnières et la gestion des zones (murs chauffants indépendants) ?
Comment intégrer au mieux la V3V motorisée dans une régulation intelligente ?
Faut-il une sonde extérieure, des sondes sur le ballon, etc. ?
J aimerais aussi donné la priorité au chauffage et non au ballon tampon.
Pour les panneaux solaires à venir, quels conseils pour la régulation ?
Peut être une régulation qui pourrait également gérer le chauffage ?
Y a-t-il des pièges à éviter en rénovation, surtout quand on habite sur place et que l'installation évolue par étapes ?
Merci d'avance pour vos retours et expériences, ça m'aiderait énormément à m'orienter !
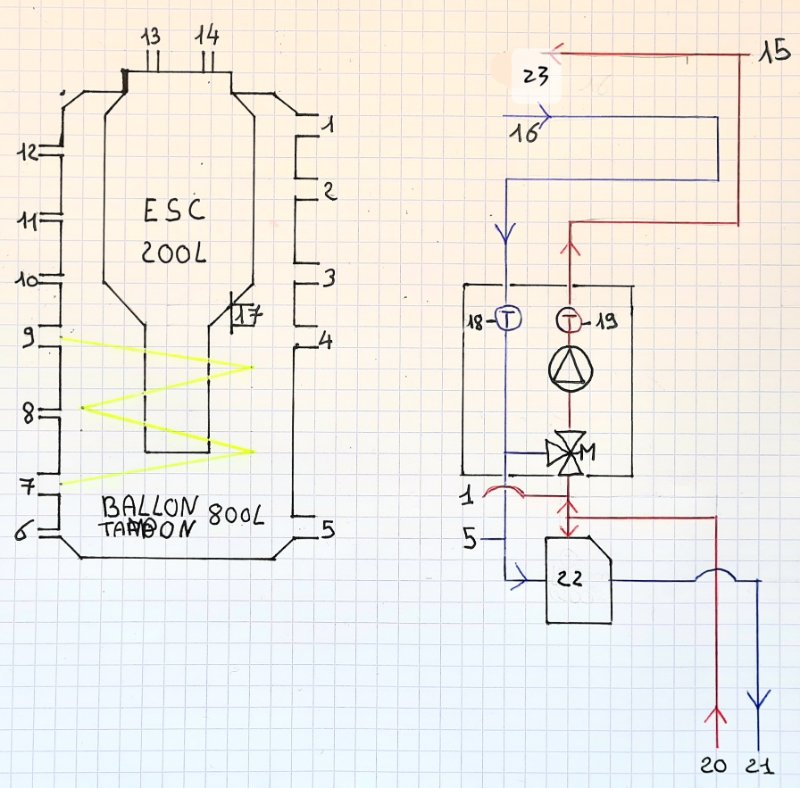
Cordialement, -1 liaison chaude vers partie haute du ballon tampon chauffage
-2
-3
-4
-5 liaison froide vers partie basse du ballon chauffage
-6 vidange ballon
-7 départ solaire
-8
-9 retour solaire
-10
-11
-12
-13 arrivée EFS
-14 départ ECS vers ballon d eau chaude
-15 aquastat plongeur a réarmement manuel .stop la pompe chauffage si température trop haute. A combien fixer la température?
-16 retour mur chauffant via la nourrice avec robinets debit
-17 résistance électrique avec thermostat 3kw
-18 sonde retour chauffage
-19 sonde départ chauffage
-20 retour poêle bois bouilleur
-21 départ poêle bois bouilleur
-22 laddomat ltc200
-23 départ mur chauffant via nourrice avec indicateur debit
N'hésitez pas à m'aider à compléter les autre numéros et à soulevez les erreurs.
Je me permets de poster ici pour avoir vos avis et conseils d'experts sur le choix d'une régulation de chauffage pour mon installation. Je suis en pleine rénovation de la maison dans laquelle j'habite déjà dans le morbihan sud, et mon système n'est pas encore finalisé.
Voici une description de mon setup actuel :
#J'ai un poêle bouilleur Thermonicoletta de la marque La Nordica, avec une puissance totale de 13 kW dont 10 kW restitués à l'eau.
#Il est connecté à un Laddomat LTC 200
#J'ai une unité de regulation pour le chauffage avec une vanne 3 voies (V3V) motorisée.
#Le tout est relié à un ballon tampon de 1000 L, qui inclut une cuve immergée de 200 L pour l'eau chaude sanitaire (ECS), un echangeur que je souhaite utiliser pour le solaire thermique et une résistance électrique de 3 kW en appoint. J ai aussi un ballon ecs classique de 100l et je voudrais prechauffer l eau qui y arrive a l aide du ballon tampon
#Pour la distribution, j ai une nourrice (type plancher chauffant qui gere l eau vers des murs chauffants dans chaque pièce de la maison que j'aimerais pouvoir chauffer séparément pour une gestion pièce par pièce.
Dans le futur, j'envisage d'ajouter un panneau solaire thermique pour coupler au système, afin d'optimiser la production d'ECS en été et éventuellement contribuer au chauffage en intersaison.
Mes questions portent principalement sur le choix de la régulation globale, et en particulier sur un thermostat climatique adapté. Je cherche une solution qui priorise le chauffage l'hiver (en maximisant l'utilisation du poêle et du ballon), et l'ECS l'été (en intégrant les panneaux solaires comme source principale).
Quel type de thermostat climatique recommanderiez-vous pour ce genre d'installation hybride (poêle bois + solaire + appoint électrique) ?
Des marques/modèles spécifiques qui gèrent bien les priorités saisonnières et la gestion des zones (murs chauffants indépendants) ?
Comment intégrer au mieux la V3V motorisée dans une régulation intelligente ?
Faut-il une sonde extérieure, des sondes sur le ballon, etc. ?
J aimerais aussi donné la priorité au chauffage et non au ballon tampon.
Pour les panneaux solaires à venir, quels conseils pour la régulation ?
Peut être une régulation qui pourrait également gérer le chauffage ?
Y a-t-il des pièges à éviter en rénovation, surtout quand on habite sur place et que l'installation évolue par étapes ?
Merci d'avance pour vos retours et expériences, ça m'aiderait énormément à m'orienter !
Cordialement, -1 liaison chaude vers partie haute du ballon tampon chauffage
-2
-3
-4
-5 liaison froide vers partie basse du ballon chauffage
-6 vidange ballon
-7 départ solaire
-8
-9 retour solaire
-10
-11
-12
-13 arrivée EFS
-14 départ ECS vers ballon d eau chaude
-15 aquastat plongeur a réarmement manuel .stop la pompe chauffage si température trop haute. A combien fixer la température?
-16 retour mur chauffant via la nourrice avec robinets debit
-17 résistance électrique avec thermostat 3kw
-18 sonde retour chauffage
-19 sonde départ chauffage
-20 retour poêle bois bouilleur
-21 départ poêle bois bouilleur
-22 laddomat ltc200
-23 départ mur chauffant via nourrice avec indicateur debit
N'hésitez pas à m'aider à compléter les autre numéros et à soulevez les erreurs.
Modifié en dernier par lilpony le mer. janv. 07, 2026 14:30 pm, modifié 1 fois.
-
Jonquille
- Newbie

- Messages : 17
- Enregistré le : dim. oct. 08, 2023 21:25 pm
- Localisation : Reichshoffen et Woerth
Re: Conseils systeme poele bouilleur+ ballon tampon + appoint électrique et solaire thermique+ régulation + mur chauffa
Une bonne installation en perspective mais pas évident de tout automatiser.
J'e suis en Alsace du Nord, et j'ai une installation un peu semblable.
A la base j'ai chauffage dans le sol.
J'ai un radiateur dans une pièce de service et un radiateur chauffe serviette mixte eau électricité dans une salle d'eau
J'ai depuis 20 ans 12,5 m2 de panneaux solaire thermique pour à la base l'ECS et surplus chauffage
J'ai 1 ballon de 300 l ECS
J'ai un ballon tampon de 1000l avec une résistance de 3kw triphasé
J'ai un poele à bouilleur depuis 8 ans
Depuis 3 ans j'ai des panneaux photovoltaïque pour 5kw.
Annuellement je consomme 8 stères de bois
Le solaire thermique me fournit 80% de mon ECS
J'e suis en Alsace du Nord, et j'ai une installation un peu semblable.
A la base j'ai chauffage dans le sol.
J'ai un radiateur dans une pièce de service et un radiateur chauffe serviette mixte eau électricité dans une salle d'eau
J'ai depuis 20 ans 12,5 m2 de panneaux solaire thermique pour à la base l'ECS et surplus chauffage
J'ai 1 ballon de 300 l ECS
J'ai un ballon tampon de 1000l avec une résistance de 3kw triphasé
J'ai un poele à bouilleur depuis 8 ans
Depuis 3 ans j'ai des panneaux photovoltaïque pour 5kw.
Annuellement je consomme 8 stères de bois
Le solaire thermique me fournit 80% de mon ECS
- monteric
- Modérateur

- Messages : 1786
- Enregistré le : sam. sept. 10, 2011 17:50 pm
- Localisation : Chavilleu (01)
- Contact :
Re: Conseils systeme poele bouilleur+ ballon tampon + appoint électrique et solaire thermique+ régulation + mur chauffa
Bonjour,
Je vais te conseiller se que je connais et aussi distribue !
Les produit TA (Autrichien), qui sont des controleurs (régulateurs) programmable qui permettent, en gros, de tout faire. Aussi bien du pilotage de chauffage quelque soit le moyen de production et de consommateurs (radiateurs, plancher, mur ..). Ces produits permettent aussi de faire du solaire thermique, du pilotage de solaire photovoltaïque, domotique ..Etc
Ils existe plusieurs gammes en fonction du nombre d'entrées (sondes ...) et sorties (pompes, vannes ..) que tu as besoin. On peut toujours associer les contrôleurs ensemble ce qui fit qu'il n'y a pas de limite du nombre d'entrées/sorties.
On peut aussi accéder a distance via le réseau (local ou Internet) de façon sécurisé aux contrôleurs pour modifier ou visualiser en temps réel se qui se passe.
L'interet c'est que se sont des controleurs libre de programmation, c'est a dire que tu programme se que tu veux.
Pour cela il existe des logiciels gratuits de chez TA pour faire la programmation et la réalisation d'interface graphique, de meme que des simulateurs.
Tu peux meme essayer sans rien acheter ...
Bref j'utilise cela chez moi pour le pilotage coté chauffage et ECS : Poele bouilleur + solaire thermique + chaudiere granulés avec plancher chauffant + mur chauffant + radiateur basse température. Mais aussi optimisation et suivi d'une petite installation photovoltaïque en autoconsommation : commande variable sur un ballon electrique, pilotage d'une petit radiateur electrique en variable en radio ... Bon beaucoup de truc que j'essaie
La programmation est graphique, il n'y a pas de ligne de code, pas de systeme d'exploitation, pas de bidouille informatique ... on est sur du matériel professionnel.
Alors évidemment il y a un petit bémol a tout cela !
Il faut apprendre a programmer, connaitre comment marche un systeme de chauffage, bref il y a du temps a comprendre et apprendre mais c'est le cas de tout systeme.
Dans cet objectif, on monte avec l'association Oxalis pour cette année une formation de 2 jours pour apprendre les regles de fonctionnement d'un chauffage central (fonctionnement de vannes 3v, loi d'eau, priorité de chauffe, solaire thermique ..) et comment programmer en utilisant les produits TA.
Je suis en train d'ecrire la formation et les informations complete devraient etre disponible d'ici quelques semaines .... si cela interesse quelqu'un, vous pouvez m'envoyer un MP.
Voila pour une piste ....
A+
Eric
Je vais te conseiller se que je connais et aussi distribue !
Les produit TA (Autrichien), qui sont des controleurs (régulateurs) programmable qui permettent, en gros, de tout faire. Aussi bien du pilotage de chauffage quelque soit le moyen de production et de consommateurs (radiateurs, plancher, mur ..). Ces produits permettent aussi de faire du solaire thermique, du pilotage de solaire photovoltaïque, domotique ..Etc
Ils existe plusieurs gammes en fonction du nombre d'entrées (sondes ...) et sorties (pompes, vannes ..) que tu as besoin. On peut toujours associer les contrôleurs ensemble ce qui fit qu'il n'y a pas de limite du nombre d'entrées/sorties.
On peut aussi accéder a distance via le réseau (local ou Internet) de façon sécurisé aux contrôleurs pour modifier ou visualiser en temps réel se qui se passe.
L'interet c'est que se sont des controleurs libre de programmation, c'est a dire que tu programme se que tu veux.
Pour cela il existe des logiciels gratuits de chez TA pour faire la programmation et la réalisation d'interface graphique, de meme que des simulateurs.
Tu peux meme essayer sans rien acheter ...
Bref j'utilise cela chez moi pour le pilotage coté chauffage et ECS : Poele bouilleur + solaire thermique + chaudiere granulés avec plancher chauffant + mur chauffant + radiateur basse température. Mais aussi optimisation et suivi d'une petite installation photovoltaïque en autoconsommation : commande variable sur un ballon electrique, pilotage d'une petit radiateur electrique en variable en radio ... Bon beaucoup de truc que j'essaie
La programmation est graphique, il n'y a pas de ligne de code, pas de systeme d'exploitation, pas de bidouille informatique ... on est sur du matériel professionnel.
Alors évidemment il y a un petit bémol a tout cela !
Il faut apprendre a programmer, connaitre comment marche un systeme de chauffage, bref il y a du temps a comprendre et apprendre mais c'est le cas de tout systeme.
Dans cet objectif, on monte avec l'association Oxalis pour cette année une formation de 2 jours pour apprendre les regles de fonctionnement d'un chauffage central (fonctionnement de vannes 3v, loi d'eau, priorité de chauffe, solaire thermique ..) et comment programmer en utilisant les produits TA.
Je suis en train d'ecrire la formation et les informations complete devraient etre disponible d'ici quelques semaines .... si cela interesse quelqu'un, vous pouvez m'envoyer un MP.
Voila pour une piste ....
A+
Eric
20 m²thermique, Poele bouilleur, Chaudiere granulé, UVR16X2 + UVR610
Photovoltaïque : environ 1kWc, CADOE-OPP
Capteur à Air (façon Guy Isabel)
Suivre l'installation : http://chavillieu.cadoe.net
Association : http://ateliersvertssolaire.com
Photovoltaïque : environ 1kWc, CADOE-OPP
Capteur à Air (façon Guy Isabel)
Suivre l'installation : http://chavillieu.cadoe.net
Association : http://ateliersvertssolaire.com
-
flen42
- Technicien Solaire

- Messages : 489
- Enregistré le : sam. févr. 07, 2015 16:01 pm
- Localisation : Loire
Re: Conseils systeme poele bouilleur+ ballon tampon + appoint électrique et solaire thermique+ régulation + mur chauffa
Quel type de thermostat climatique recommanderiez-vous pour ce genre d'installation hybride (poêle bois + solaire + appoint électrique) ?
va voir la marque RESOL
Des marques/modèles spécifiques qui gèrent bien les priorités saisonnières et la gestion des zones (murs chauffants indépendants) ?
compte tenu de la fréquence d('ouverture des portes , des flux de ventilation , je ne suis pas certain qu'il y aie une différence notable entre les températures de pièces. je ferai l'économie des robinets thermostatiques !
Comment intégrer au mieux la V3V motorisée dans une régulation intelligente ?
Faut-il une sonde extérieure, des sondes sur le ballon, etc. ?
oui oui et oui ! ces sondes permettent de créer et d'optimiser une loi d'eau et génèrent de vraies économies
J aimerais aussi donné la priorité au chauffage et non au ballon tampon.
bof non car c'est bien le ballon tampon qui permet la dissociation temporelle entre la production et la consommation
Pour les panneaux solaires à venir, quels conseils pour la régulation ?
Peut être une régulation qui pourrait également gérer le chauffage ?
voir RESOL
ps : je n'ai pas d'action chez RESOL , mais c'est juste pour t'aider et te donner une alternative de réflexion par rapport à la marque TA citée par Monteric ( sans animosité non plus ! )
va voir la marque RESOL
Des marques/modèles spécifiques qui gèrent bien les priorités saisonnières et la gestion des zones (murs chauffants indépendants) ?
compte tenu de la fréquence d('ouverture des portes , des flux de ventilation , je ne suis pas certain qu'il y aie une différence notable entre les températures de pièces. je ferai l'économie des robinets thermostatiques !
Comment intégrer au mieux la V3V motorisée dans une régulation intelligente ?
Faut-il une sonde extérieure, des sondes sur le ballon, etc. ?
oui oui et oui ! ces sondes permettent de créer et d'optimiser une loi d'eau et génèrent de vraies économies
J aimerais aussi donné la priorité au chauffage et non au ballon tampon.
bof non car c'est bien le ballon tampon qui permet la dissociation temporelle entre la production et la consommation
Pour les panneaux solaires à venir, quels conseils pour la régulation ?
Peut être une régulation qui pourrait également gérer le chauffage ?
voir RESOL
ps : je n'ai pas d'action chez RESOL , mais c'est juste pour t'aider et te donner une alternative de réflexion par rapport à la marque TA citée par Monteric ( sans animosité non plus ! )
Les Énergies Renouvelables ? c'est tout naturel !
- YELLOW WHEELY BIN
- Maitre Solaire

- Messages : 941
- Enregistré le : jeu. nov. 20, 2014 23:31 pm
- Localisation : Dept. 28
Re: Conseils systeme poele bouilleur+ ballon tampon + appoint électrique et solaire thermique+ régulation + mur chauffa
Bonjour,
le béotien en moi dit que tout cela est très impressionnant ; par contre, en fonction de son projet de vie (ainsi que celui de son bâti...) (traduction : lorsque le moment vient de céder le bien...), gaffe à la complexification de l'installation -- il y a un vrai risque que de décourager un certain pourcentage de la population potentielle d'acheteurs...
Par expérience, la grande majorité d'acheteurs potentiels (sans parler de la très grande majorité des agents immobiliers...) sont radicalement axées CONTRE la DIY ; parlant du vécu, un électricien refusera de faire les quelques modifs repérées dans le diagnostiquage ; soit il ne répondra pas à la demande, sinon proposera un travail au black afin de ne pas compromettre sa garantie décennale etc. J'imagine que ce sera de même pour un chauffagiste. Et pour un plombier tout court.
Il restera donc deux options : tout retirer, soit espérer tomber sur ''un branché'' aussi branché que soi-même...
Troisième option : éduquer son agent immobilier...
quatrième option : éduquer son futur acheteur...
cinquième : éduquer la planète...
le problème étant de composer entre sa propre subjectivité, et la "brutalité du monde extérieur (lire, société de consommation)
ce n'est pas toujours gagné.
par exemple, essayer de simplifier son install afin d'ôter les parties les plus ''opaques''
Dans mon propre cas, j'ai fait fifty-fifty: j'ai retiré ma boucle de préparation d'ECS.
Pour l'amener dans ma nouvelle demeure...
J'ai gardé le toit aspiré, je trouvais que cela intéressait plus qu'un, une fois les explications faites
(je suis en train de parfaire la notice d'utilisation pour mon acquéreur...)
Sinon, il arrive un moment où LE MIEUX devient l'ennemi du BIEN...
Ajouter les aléas de la vie, la conjoncture, ça devient vite une casse-tête.
Ce n'est pas pour jeter de l'eau froide sur de beaux projets, ni donner des leçons, mais simplement dans l'esprit de partage qu'est la signature de notre Association.
Bonne année à tous, bonne chance, de belles découvertes, de beaux partages.
YWB
le béotien en moi dit que tout cela est très impressionnant ; par contre, en fonction de son projet de vie (ainsi que celui de son bâti...) (traduction : lorsque le moment vient de céder le bien...), gaffe à la complexification de l'installation -- il y a un vrai risque que de décourager un certain pourcentage de la population potentielle d'acheteurs...
Par expérience, la grande majorité d'acheteurs potentiels (sans parler de la très grande majorité des agents immobiliers...) sont radicalement axées CONTRE la DIY ; parlant du vécu, un électricien refusera de faire les quelques modifs repérées dans le diagnostiquage ; soit il ne répondra pas à la demande, sinon proposera un travail au black afin de ne pas compromettre sa garantie décennale etc. J'imagine que ce sera de même pour un chauffagiste. Et pour un plombier tout court.
Il restera donc deux options : tout retirer, soit espérer tomber sur ''un branché'' aussi branché que soi-même...
Troisième option : éduquer son agent immobilier...
quatrième option : éduquer son futur acheteur...
cinquième : éduquer la planète...
le problème étant de composer entre sa propre subjectivité, et la "brutalité du monde extérieur (lire, société de consommation)
ce n'est pas toujours gagné.
par exemple, essayer de simplifier son install afin d'ôter les parties les plus ''opaques''
Dans mon propre cas, j'ai fait fifty-fifty: j'ai retiré ma boucle de préparation d'ECS.
Pour l'amener dans ma nouvelle demeure...
J'ai gardé le toit aspiré, je trouvais que cela intéressait plus qu'un, une fois les explications faites
(je suis en train de parfaire la notice d'utilisation pour mon acquéreur...)
Sinon, il arrive un moment où LE MIEUX devient l'ennemi du BIEN...
Ajouter les aléas de la vie, la conjoncture, ça devient vite une casse-tête.
Ce n'est pas pour jeter de l'eau froide sur de beaux projets, ni donner des leçons, mais simplement dans l'esprit de partage qu'est la signature de notre Association.
Bonne année à tous, bonne chance, de belles découvertes, de beaux partages.
YWB
FF&E = Furniture, Fixtures & Equipment
FF&F = Fabric First & Forget
UTSC = unglazed transpired solar collector
FF&F = Fabric First & Forget
UTSC = unglazed transpired solar collector
-
Jonquille
- Newbie

- Messages : 17
- Enregistré le : dim. oct. 08, 2023 21:25 pm
- Localisation : Reichshoffen et Woerth
Re: Conseils systeme poele bouilleur+ ballon tampon + appoint électrique et solaire thermique+ régulation + mur chauffa
En accord avec vous , aujourd'hui, mais dans 10 ans je suis ce sera probablement différent.YELLOW WHEELY BIN a écrit : ↑mar. janv. 06, 2026 14:02 pmBonjour,
le béotien en moi dit que tout cela est très impressionnant ; par contre, en fonction de son projet de vie (ainsi que celui de son bâti...) (traduction : lorsque le moment vient de céder le bien...), gaffe à la complexification de l'installation -- il y a un vrai risque que de décourager un certain pourcentage de la population potentielle d'acheteurs...
Par expérience, la grande majorité d'acheteurs potentiels (sans parler de la très grande majorité des agents immobiliers...) sont radicalement axées CONTRE la DIY ; parlant du vécu, un électricien refusera de faire les quelques modifs repérées dans le diagnostiquage ; soit il ne répondra pas à la demande, sinon proposera un travail au black afin de ne pas compromettre sa garantie décennale etc. J'imagine que ce sera de même pour un chauffagiste. Et pour un plombier tout court.
Il restera donc deux options : tout retirer, soit espérer tomber sur ''un branché'' aussi branché que soi-même...
Troisième option : éduquer son agent immobilier...
quatrième option : éduquer son futur acheteur...
cinquième : éduquer la planète...
le problème étant de composer entre sa propre subjectivité, et la "brutalité du monde extérieur (lire, société de consommation)
ce n'est pas toujours gagné.
par exemple, essayer de simplifier son install afin d'ôter les parties les plus ''opaques''
Dans mon propre cas, j'ai fait fifty-fifty: j'ai retiré ma boucle de préparation d'ECS.
Pour l'amener dans ma nouvelle demeure...
J'ai gardé le toit aspiré, je trouvais que cela intéressait plus qu'un, une fois les explications faites
(je suis en train de parfaire la notice d'utilisation pour mon acquéreur...)
Sinon, il arrive un moment où LE MIEUX devient l'ennemi du BIEN...
Ajouter les aléas de la vie, la conjoncture, ça devient vite une casse-tête.
Ce n'est pas pour jeter de l'eau froide sur de beaux projets, ni donner des leçons, mais simplement dans l'esprit de partage qu'est la signature de notre Association.
Bonne année à tous, bonne chance, de belles découvertes, de beaux partages.
![]()
YWB
Les précurseurs d'aujourd'hui donneront envie demain.
Le gros souci actuellement c'est la frilosité des entreprises et des assurances sur des installations solaires essentiellement photovoltaïques
pour intervenir s'ils ne sont pas les installateurs mais demain?
- monteric
- Modérateur

- Messages : 1786
- Enregistré le : sam. sept. 10, 2011 17:50 pm
- Localisation : Chavilleu (01)
- Contact :
Re: Conseils systeme poele bouilleur+ ballon tampon + appoint électrique et solaire thermique+ régulation + mur chauffa
Alors oui et non, si tu utilises du matériel "pro" il n'y a généralement pas de souci pour la "reprise" par des artisans, je le sais c'est ce que mes clients (artisans) font régulièrement.
Mais il faut tout de meme faire des choses qui ont du sens et qui soient compréhensible, on est d'accord
Il faut donc bien poser les choses, faire un bon projets et prendre le temps ...
PAr exemple qu'imagines tu a travers ta question sur la priorité chauffage. Je pense contrairement à Flen42 que cela peut etre interressant suivant la saison et notamment si tu as du solaire thermique et du plancher chauffant.
On peut optimiser en passant un maximum dans le plancher sans forcément utiliser le tampon ou indirectement ... bref sans une analyse du projet c'est un peu parler pour ne rien dire
Pas de soucis Flen42 pour la référence à Résol, ils existent donc autant le dire apres on a le droit de prendre des trucs qui marchent pas ou mal
A+
Mais il faut tout de meme faire des choses qui ont du sens et qui soient compréhensible, on est d'accord
Il faut donc bien poser les choses, faire un bon projets et prendre le temps ...
PAr exemple qu'imagines tu a travers ta question sur la priorité chauffage. Je pense contrairement à Flen42 que cela peut etre interressant suivant la saison et notamment si tu as du solaire thermique et du plancher chauffant.
On peut optimiser en passant un maximum dans le plancher sans forcément utiliser le tampon ou indirectement ... bref sans une analyse du projet c'est un peu parler pour ne rien dire
Pas de soucis Flen42 pour la référence à Résol, ils existent donc autant le dire apres on a le droit de prendre des trucs qui marchent pas ou mal
A+
20 m²thermique, Poele bouilleur, Chaudiere granulé, UVR16X2 + UVR610
Photovoltaïque : environ 1kWc, CADOE-OPP
Capteur à Air (façon Guy Isabel)
Suivre l'installation : http://chavillieu.cadoe.net
Association : http://ateliersvertssolaire.com
Photovoltaïque : environ 1kWc, CADOE-OPP
Capteur à Air (façon Guy Isabel)
Suivre l'installation : http://chavillieu.cadoe.net
Association : http://ateliersvertssolaire.com
- ringeval
- Maitre Solaire

- Messages : 757
- Enregistré le : sam. nov. 01, 2008 11:34 am
- Localisation : saint silvain sous toulx-creuse (23)
Re: Conseils systeme poele bouilleur+ ballon tampon + appoint électrique et solaire thermique+ régulation + mur chauffa
resol ou ta ?
mon retour d'expérience: mon installation, msd et poêle bouilleur, etc
j'ai commencé par une résol dettasol M, je crois; configuration très simple mais très très limitée; tu choisis dans différents schémas, point, pas question de sortir de ces schémas, et surtout, le point plus que négatif; absolument aucun service après vente; c'est du jetable; cette régul. est tombée en panne; et jamais eu de réponse du sav, aussi bien par mail que par courrier....ça fout les boules car c'est pas donné les resol
à la suite de ces déboires, j'ai acheté une uvr1611 d’occasion, qui est tombée en panne, enfin plus précisément, j'ai voulu changé la langue (allemand vers français) et j'ai donc télécharger et installer le prog pour la langue mais j'ai pas pris la bonne version, et ça a tout bloqué; et réponse très rapide du sav, et envoi, etc; et l(an dernier j'ai récupéré une autre uvr1611 qui était en panne, et le sav a également très vite réagit, et ce à des prix très correctes; et les possibilités de programmation sont multiples; quasiment maintenant tous les logiciels fournis ont un version linux ce qui est loin d'être négligeable ; j'avoue que j'ai eu beaucoup de mal au niveau programmation, et encore maintenant; mais j'ai rajouté plein de trucs: puits canadien, ventilateur, etc etc;et je continue d'essayer d'optimiser au maximum cette installation; et je trouve toujours un truc à améliorer
et donc y'a pas photo, ta sans hésiter
mon retour d'expérience: mon installation, msd et poêle bouilleur, etc
j'ai commencé par une résol dettasol M, je crois; configuration très simple mais très très limitée; tu choisis dans différents schémas, point, pas question de sortir de ces schémas, et surtout, le point plus que négatif; absolument aucun service après vente; c'est du jetable; cette régul. est tombée en panne; et jamais eu de réponse du sav, aussi bien par mail que par courrier....ça fout les boules car c'est pas donné les resol
à la suite de ces déboires, j'ai acheté une uvr1611 d’occasion, qui est tombée en panne, enfin plus précisément, j'ai voulu changé la langue (allemand vers français) et j'ai donc télécharger et installer le prog pour la langue mais j'ai pas pris la bonne version, et ça a tout bloqué; et réponse très rapide du sav, et envoi, etc; et l(an dernier j'ai récupéré une autre uvr1611 qui était en panne, et le sav a également très vite réagit, et ce à des prix très correctes; et les possibilités de programmation sont multiples; quasiment maintenant tous les logiciels fournis ont un version linux ce qui est loin d'être négligeable ; j'avoue que j'ai eu beaucoup de mal au niveau programmation, et encore maintenant; mais j'ai rajouté plein de trucs: puits canadien, ventilateur, etc etc;et je continue d'essayer d'optimiser au maximum cette installation; et je trouve toujours un truc à améliorer
et donc y'a pas photo, ta sans hésiter
mon installation: http://www.apper-solaire.org/Pages/Expe ... index.html
- ringeval
- Maitre Solaire

- Messages : 757
- Enregistré le : sam. nov. 01, 2008 11:34 am
- Localisation : saint silvain sous toulx-creuse (23)
Re: Conseils systeme poele bouilleur+ ballon tampon + appoint électrique et solaire thermique+ régulation + mur chauffa
]et une installation peut-être simplifiée pour monsieur tout le monde, j'ai créé cette page que l'on peut lire sur le réseau interne voir externe, et on modifié d'un simple clic les paramètres essentiels
Modifié en dernier par ringeval le mar. janv. 06, 2026 21:04 pm, modifié 3 fois.
mon installation: http://www.apper-solaire.org/Pages/Expe ... index.html
- ringeval
- Maitre Solaire

- Messages : 757
- Enregistré le : sam. nov. 01, 2008 11:34 am
- Localisation : saint silvain sous toulx-creuse (23)
Re: Conseils systeme poele bouilleur+ ballon tampon + appoint électrique et solaire thermique+ régulation + mur chauffa
pourquoi l' image est illisible ?pourtant elle ne fait que 330ko, je viens de la réduire à90ko, et idem
bon, en pdf, c'est passé
bon, en pdf, c'est passé
mon installation: http://www.apper-solaire.org/Pages/Expe ... index.html
Re: Conseils systeme poele bouilleur+ ballon tampon + appoint électrique et solaire thermique+ régulation + mur chauffa
Merci pour vos réponse ! J apprécie énormément l'intérêt que vous portez à mon projet. Je lis chacun de vos message et je vais essayer de répondre à tous le monde. Ainsi que poser des questions plus précise et vous expliquer où j en suis actuellement dans l installation chauffage.
Re: Conseils systeme poele bouilleur+ ballon tampon + appoint électrique et solaire thermique+ régulation + mur chauffa
Super! Es tu satisfais de ton installation ?Quelle régulation pour gérer tout ça ? Comment as tu choisis ta régulation? 12.5m2 de panneaux je n ai pas la place pour installer ça. Si j arrive à 8m2 ça serait déjà très bien . J aimerais dans un premier temps mettre un panneau au sol pour me faire la main avec la technologie et pouvoir bidouiller si ça ne va pas . Ma gouttière est à 7m pas envie de faire des aller retour sur le toit..Jonquille a écrit : ↑lun. janv. 05, 2026 20:43 pmUne bonne installation en perspective mais pas évident de tout automatiser.
J'e suis en Alsace du Nord, et j'ai une installation un peu semblable.
A la base j'ai chauffage dans le sol.
J'ai un radiateur dans une pièce de service et un radiateur chauffe serviette mixte eau électricité dans une salle d'eau
J'ai depuis 20 ans 12,5 m2 de panneaux solaire thermique pour à la base l'ECS et surplus chauffage
J'ai 1 ballon de 300 l ECS
J'ai un ballon tampon de 1000l avec une résistance de 3kw triphasé
J'ai un poele à bouilleur depuis 8 ans
Depuis 3 ans j'ai des panneaux photovoltaïque pour 5kw.
Annuellement je consomme 8 stères de bois
Le solaire thermique me fournit 80% de mon ECS
Re: Conseils systeme poele bouilleur+ ballon tampon + appoint électrique et solaire thermique+ régulation + mur chauffa
As tu un lien vers les produits ta?monteric a écrit : ↑mar. janv. 06, 2026 9:41 amBonjour,
Je vais te conseiller se que je connais et aussi distribue !
Les produit TA (Autrichien), qui sont des controleurs (régulateurs) programmable qui permettent, en gros, de tout faire. Aussi bien du pilotage de chauffage quelque soit le moyen de production et de consommateurs (radiateurs, plancher, mur ..). Ces produits permettent aussi de faire du solaire thermique, du pilotage de solaire photovoltaïque, domotique ..Etc
Ils existe plusieurs gammes en fonction du nombre d'entrées (sondes ...) et sorties (pompes, vannes ..) que tu as besoin. On peut toujours associer les contrôleurs ensemble ce qui fit qu'il n'y a pas de limite du nombre d'entrées/sorties.
On peut aussi accéder a distance via le réseau (local ou Internet) de façon sécurisé aux contrôleurs pour modifier ou visualiser en temps réel se qui se passe.
L'interet c'est que se sont des controleurs libre de programmation, c'est a dire que tu programme se que tu veux.
Pour cela il existe des logiciels gratuits de chez TA pour faire la programmation et la réalisation d'interface graphique, de meme que des simulateurs.
Tu peux meme essayer sans rien acheter ...
Bref j'utilise cela chez moi pour le pilotage coté chauffage et ECS : Poele bouilleur + solaire thermique + chaudiere granulés avec plancher chauffant + mur chauffant + radiateur basse température. Mais aussi optimisation et suivi d'une petite installation photovoltaïque en autoconsommation : commande variable sur un ballon electrique, pilotage d'une petit radiateur electrique en variable en radio ... Bon beaucoup de truc que j'essaie
La programmation est graphique, il n'y a pas de ligne de code, pas de systeme d'exploitation, pas de bidouille informatique ... on est sur du matériel professionnel.
Alors évidemment il y a un petit bémol a tout cela !
Il faut apprendre a programmer, connaitre comment marche un systeme de chauffage, bref il y a du temps a comprendre et apprendre mais c'est le cas de tout systeme.
Dans cet objectif, on monte avec l'association Oxalis pour cette année une formation de 2 jours pour apprendre les regles de fonctionnement d'un chauffage central (fonctionnement de vannes 3v, loi d'eau, priorité de chauffe, solaire thermique ..) et comment programmer en utilisant les produits TA.
Je suis en train d'ecrire la formation et les informations complete devraient etre disponible d'ici quelques semaines .... si cela interesse quelqu'un, vous pouvez m'envoyer un MP.
Voila pour une piste ....
A+
Eric
Si je comprends bien les messages plus haut le "urv 1611" est un modèle de la marque TA?
Je suis tombé sur quelques postes parlant du regulateur urv 1611 en parcourant le forum. Ça a été mon premier coup de cœur... pouvoir programmer de A à Z avec des logiciel accessible.
Re: Conseils systeme poele bouilleur+ ballon tampon + appoint électrique et solaire thermique+ régulation + mur chauffa
Salut! Oui faut que j étudie resol. Mais j ai peur de ne pas être assez libre j ai l impression que mon système est un petit peu farfelue pour des regules comme resol? Je voulais pouvoir gérer la température zone par zone parce qu il y a des murs chauffant hydrolique dans le salon j aurais voulus qu il prenne le relais du poêle une fois celui ci éteint.flen42 a écrit : ↑mar. janv. 06, 2026 10:26 amQuel type de thermostat climatique recommanderiez-vous pour ce genre d'installation hybride (poêle bois + solaire + appoint électrique) ?
va voir la marque RESOL
Des marques/modèles spécifiques qui gèrent bien les priorités saisonnières et la gestion des zones (murs chauffants indépendants) ?
compte tenu de la fréquence d('ouverture des portes , des flux de ventilation , je ne suis pas certain qu'il y aie une différence notable entre les températures de pièces. je ferai l'économie des robinets thermostatiques !
Comment intégrer au mieux la V3V motorisée dans une régulation intelligente ?
Faut-il une sonde extérieure, des sondes sur le ballon, etc. ?
oui oui et oui ! ces sondes permettent de créer et d'optimiser une loi d'eau et génèrent de vraies économies
J aimerais aussi donné la priorité au chauffage et non au ballon tampon.
bof non car c'est bien le ballon tampon qui permet la dissociation temporelle entre la production et la consommation
Pour les panneaux solaires à venir, quels conseils pour la régulation ?
Peut être une régulation qui pourrait également gérer le chauffage ?
voir RESOL
ps : je n'ai pas d'action chez RESOL , mais c'est juste pour t'aider et te donner une alternative de réflexion par rapport à la marque TA citée par Monteric ( sans animosité non plus ! )
Ma maison est à 3 niveau et certaine chambre ne seront pas utilisées en permanence. j aimerais donc économiser l eau du ballon en shuntant les murs qui n ont pas besoin d être chauffer...
Ma question sur les sondes était un peu vaste . J ai conscience qu il en faut un certain nombre...
A quels endroits me faut il des aquastats?
les aquastats peuvent ils être remplacé par la régulation?
J ai prévu de metre un aquastat à contact au niveau de la sortie haute du poêle .Celui ci devra ce déclencher au plus tôt après le départ du poêle à bois pour mettre en route un laddomat ltc 200.
Et un aquastat plongeur (a réarmement manuel comment savoir si celui ci est à réarmement manuel?) juste avant les départs pour les murs chauffants pour limiter la température... le limiter à quelle température?
Il en faudrait d autre ? Est ce que je vois juste?
Quand je parle de priorité chauffage , je souhaite une solution simple pour que l eau chauffé du poêle se dirige au plus rapide vers les murs chauffants sans passer par le ballon et déranger la stratification. Un té avec une liaison en partie basse du ballon sur le retour chauffage et un autre té sur l aller avec une liaison sur la partie haute serait placé juste avant la vanne mélangeuse motorisée.
Je vais faire un shema au plus vite pour être sûr que l on se comprenne bien.
Re: Conseils systeme poele bouilleur+ ballon tampon + appoint électrique et solaire thermique+ régulation + mur chauffa
J ai modifier mon poste principal en y incluant un shema pour que vous puissiez comprendre mon idée d installation.lilpony a écrit : ↑dim. janv. 04, 2026 17:30 pm
-1 liaison chaude vers partie haute du ballon tampon chauffage
-2
-3
-4
-5 liaison froide vers partie basse du ballon chauffage
-6 vidange ballon
-7 départ solaire
-8
-9 retour solaire
-10
-11
-12
-13 arrivée EFS
-14 départ ECS vers ballon d eau chaude
-15 aquastat plongeur a réarmement manuel .stop la pompe chauffage si température trop haute. A combien fixer la température?
-16 retour mur chauffant via la nourrice avec robinets debit
-17 résistance électrique avec thermostat 3kw
-18 sonde retour chauffage
-19 sonde départ chauffage
-20 retour poêle bois bouilleur
-21 départ poêle bois bouilleur
-22 laddomat ltc200
-23 départ mur chauffant via nourrice avec indicateur debit
N'hésitez pas à m'aider à compléter les autre numéros et à soulevez les erreurs.