natural cooling pac viessmann

Les pompes à chaleur, techniques, à eau, à air...

Modérateurs : ramses, Balajol, monteric, ametpierre, j2c

trust
Etudiant Solaire
Etudiant Solaire
Messages : 173
Enregistré le : lun. juin 23, 2008 22:04 pm
Localisation : mont de marsan 40

Message par trust »

Bonjour

Je suis entrain de refaire l’installation de ma PAC vitocal 300 eau/eau et je me pose une question sur le branchement de l'échangeur pour le rafraîchissement sur mon ancienne installation l'eau du puits traverse l'échangeur intermédiaire et refroidi l'antigel ensuite l'antigel part vers la PAC ou via une vanne 3V a l'échangeur froid pourquoi ne pas relié directement l'échangeur froid en série a l'autre échangeur pour qu'il soit traversé par l'eau du puits plutôt que par l'antigel car du coup en position refroidissement j'ai un circulateur en plus qui tourne et une perte avec 2 échangeurs plutôt qu'un

si quelqu'un peut me renseigner ou me conseiller a qui m'adresser car je suis pressé je suis en plein montage et n'ai pas trop le temps :oops:

Merci d'avance
Modifié en dernier par trust le mer. juin 27, 2012 21:11 pm, modifié 2 fois.

Avatar du membre
Ottiti
Maitre Solaire
Maitre Solaire
Messages : 3097
Enregistré le : sam. oct. 23, 2010 21:57 pm
Localisation : 57420 FEY

Message par Ottiti »

Bonsoir
Pourrais tu relire ton Post et remettre les mots dans le bon sens STP :lol:

:jesors:
DrainBloc PAW + 13M2 + KER2 de 800 litres à production d'ECS Instantanée / KER1 de 800l & Chaudiere Prity MA18/ Poêle Hanook Supra / WKS 1kw + 2 x 200wc circuit dédié et 1/280wc injection secteur

trust
Etudiant Solaire
Etudiant Solaire
Messages : 173
Enregistré le : lun. juin 23, 2008 22:04 pm
Localisation : mont de marsan 40

Message par trust »

Désolé mais il sont dans le bon sens :roll: mais bon c'est pas évident a expliquer :oops:

trust
Etudiant Solaire
Etudiant Solaire
Messages : 173
Enregistré le : lun. juin 23, 2008 22:04 pm
Localisation : mont de marsan 40

Message par trust »

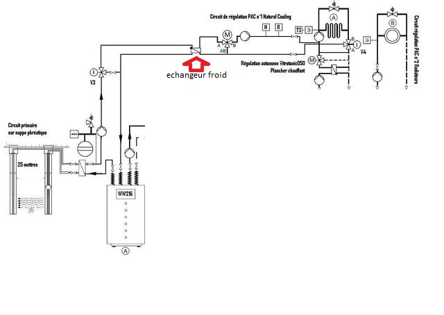
Un petit schéma aidera a comprendre :cool:
Fichiers joints
echangeur froid.jpg

Avatar du membre
Ottiti
Maitre Solaire
Maitre Solaire
Messages : 3097
Enregistré le : sam. oct. 23, 2010 21:57 pm
Localisation : 57420 FEY

Message par Ottiti »

Salut

[quote="trust"] traverse l'échangeur intermédiaire et refroidi l'antigel et de la l'antigel par a la PAC ou via une vanne 3V a l'échangeur froid [/quote]

C'est l'accent qui manque sur le "là" je ne l'avais bien vu la première fois et peut être un "a" en trop. :roll:
Effectivement avec le plan c'est plus digeste :-D
Je ne te lance pas la pierre je suis nul en orthographe, mais un accent en moins change le sens de la phrase, si on a pas le plan c'est dur a suivre

A+
DrainBloc PAW + 13M2 + KER2 de 800 litres à production d'ECS Instantanée / KER1 de 800l & Chaudiere Prity MA18/ Poêle Hanook Supra / WKS 1kw + 2 x 200wc circuit dédié et 1/280wc injection secteur

trust
Etudiant Solaire
Etudiant Solaire
Messages : 173
Enregistré le : lun. juin 23, 2008 22:04 pm
Localisation : mont de marsan 40

Message par trust »

voila corrigé :oops: j’espère que c'est plus compréhensible

Avatar du membre
youn260
Maitre Solaire
Maitre Solaire
Messages : 798
Enregistré le : dim. janv. 20, 2008 17:43 pm
Localisation : pontrieux 22

Message par youn260 »

bonsoir
on en a discuté la
http://forum.apper-solaire.org/viewtopi ... highlight=
le probleme doit etre le mème avec un échangeur en plus
les échangeurs a plaques sont sensibles et couteux
surtout les gaz/eau

Avatar du membre
remi.450
Maitre Solaire
Maitre Solaire
Messages : 2589
Enregistré le : lun. août 27, 2007 18:59 pm
Localisation : St Jean de la Ruelle (45)

Message par remi.450 »

J'ai l'impression que Trust ne lit pas tous les messages qui lui sont adressés ici.
http://forum.apper-solaire.org/viewtopi ... highlight=

Rémi

trust
Etudiant Solaire
Etudiant Solaire
Messages : 173
Enregistré le : lun. juin 23, 2008 22:04 pm
Localisation : mont de marsan 40

Message par trust »

Bonsoir

J'ai bien lu mes messages mais la question est différente je préserve mon échangeur intermédiaire de la PAC(car trop de risque pour mon échangeur interne)
Mais j'ai également un deuxième échangeur pour le natural cooling et je n'arrive pas a comprendre pourquoi viessmann préconise de faire passer l'antigel pour refroidir l'eau du PC plutôt que de faire circuler directement l'eau du puit dans cette échangeur
Pour moi il serait plus logique de mettre les 2 échangeurs en série sur l'eau du puits mais ma régulation de ma PAC va telle accepter cette configuration


je joint des photos des deux échangeurs
Fichiers joints
000_0095[1].JPG
000_0096[1].JPG

trust
Etudiant Solaire
Etudiant Solaire
Messages : 173
Enregistré le : lun. juin 23, 2008 22:04 pm
Localisation : mont de marsan 40

Message par trust »

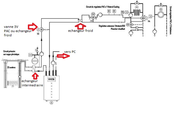
j'ai repris le schémas avec un peu plus de détails :cool:
Fichiers joints
echangeur froid.jpg

Avatar du membre
youn260
Maitre Solaire
Maitre Solaire
Messages : 798
Enregistré le : dim. janv. 20, 2008 17:43 pm
Localisation : pontrieux 22

Message par youn260 »

bonsoir
c'est vrai on doit pouvoir les mettre en série mais indépendants
une simple vanne manuelle permettrais d'utiliser l'un ou l'autre
suivant la saison
le rendement devrais s'améliorer
et un circulateur en moins

trust
Etudiant Solaire
Etudiant Solaire
Messages : 173
Enregistré le : lun. juin 23, 2008 22:04 pm
Localisation : mont de marsan 40

Message par trust »

oui c'est ce que je pense mais pourquoi viessmann préconise le branchement avec antigel je ne vois aucun intérêts

trust
Etudiant Solaire
Etudiant Solaire
Messages : 173
Enregistré le : lun. juin 23, 2008 22:04 pm
Localisation : mont de marsan 40

Message par trust »

Bonjour
Donc j'ai modifié mon circuit j'ai placé la vanne 3 v sur le circuit eau du puits donc j'alimente l'échangeur chaud ou froid selon le mode de la régulation cd60(chauffage ou rafraîchissement)
Je gagne en échange de chaleur car plus qu'un seul échangeur et en consommation car circulateur en moins
Mais je pense que je risque de rencontrer un problème car la sonde de température d'eau primaire est placé dans la pac et vue que je ne la traverse plus
Donc je cherche de l'aide pour savoir si il est possible de rajouter une sonde directement sur l'échangeur et pouvoir basculer entre les 2 sondes selon le mode de fonctionnement de la PAC
j’espère que quelqu'un va pouvoir me conseiller une solution car j'ai fini de modifier mon installation :oops:
Merci

Avatar du membre
remi.450
Maitre Solaire
Maitre Solaire
Messages : 2589
Enregistré le : lun. août 27, 2007 18:59 pm
Localisation : St Jean de la Ruelle (45)

Message par remi.450 »

Je pense, sans mettre ma main au feu, que cet hiver il y aura un gros soucis.
Rémi

trust
Etudiant Solaire
Etudiant Solaire
Messages : 173
Enregistré le : lun. juin 23, 2008 22:04 pm
Localisation : mont de marsan 40

Message par trust »

Salut Remi pourquoi voyez vous un soucis si vous pensez que je fais une erreur argumenter car j'essaye de trouver des solutions mais personne n'a l'air de connaitre ce style d’installation et viessmann ne communique pas d'infos technique au particulier

Donc si quelqu'un pense que je fais une erreur dite le ne me laissé pas finir mon installation pour tout refaire après c'est énormément de temps et d'argent

merci

Répondre

Retourner vers « Géothermie, aérothermie »