Installation 6 capteurs sous vide différents - r45v
Modérateurs : ramses, Balajol, monteric, ametpierre, j2c, françois34, andrebayle
- r45v
- Expert Solaire

- Messages : 701
- Enregistré le : ven. avr. 07, 2006 22:17 pm
- Localisation : Orléans (45)
[quote="jeantout"]Salut RV
Il m'a fallu 1 mois et demi pour avoir l'accord. A+ G R[/quote]
Bonjour,
N'ayant pas eu de réponse au bout de deux mois après l'enregistrement de ma demande de travaux C.A.D. 3 mois après ma première demande mon installation est considéré comme accepter. Tant mieux j'avais déjà installé :?
Conclusion à part faire chi.. les gens par des documents totalement inutilles ils ne savent même pas répondre dans les temps :evil:
Il m'a fallu 1 mois et demi pour avoir l'accord. A+ G R[/quote]
Bonjour,
N'ayant pas eu de réponse au bout de deux mois après l'enregistrement de ma demande de travaux C.A.D. 3 mois après ma première demande mon installation est considéré comme accepter. Tant mieux j'avais déjà installé :?
Conclusion à part faire chi.. les gens par des documents totalement inutilles ils ne savent même pas répondre dans les temps :evil:
Cordialement RV45 
-
photon
- Etudiant Solaire

- Messages : 161
- Enregistré le : sam. janv. 07, 2006 19:30 pm
- Localisation : Bouffemont 95
Négatif: Ils n'ont répondre dans les temps que dans les cas où l'administration est d'accord.
Elle se doit de signaler les impossibilités et les contraintes éventuelles. Pas de dire qu'elle est d'accord; C'est la raison d'être du time out d'un mois.
Il y a un time out de 2 mois uniquement si dans le premier mois, vous recevez un courrier signalant que le cas est plus complexe.
Dans votre cas, on ne saura jamais si c'est pas intelligence ou pas incompétence qu'il n'y a pas eu de réponse. Gageons que c'est par intelligence pour ne pas gâcher des frais d'envois.
Elle se doit de signaler les impossibilités et les contraintes éventuelles. Pas de dire qu'elle est d'accord; C'est la raison d'être du time out d'un mois.
Il y a un time out de 2 mois uniquement si dans le premier mois, vous recevez un courrier signalant que le cas est plus complexe.
Dans votre cas, on ne saura jamais si c'est pas intelligence ou pas incompétence qu'il n'y a pas eu de réponse. Gageons que c'est par intelligence pour ne pas gâcher des frais d'envois.
- r45v
- Expert Solaire

- Messages : 701
- Enregistré le : ven. avr. 07, 2006 22:17 pm
- Localisation : Orléans (45)
Bonsoir Photon,
J'ai été mauvaise langue "méa culpa".
J'ai finalement reçu l'acceptation de ma demande de travaux :P mais la mairie l'a envoyé hors délais en recommandé, alors qu'ils avaient l'accord des bâtiments de France depuis un mois 1/2 :( ils doivent aimer jouer avec le calendrier :( . je ne vois pas l'intêtret d'envoyer la réponse hors délai, mais je trouve toutefois bien d'avoir une réponse. C'est vrais que cela ne m'encouragait pas pour déposer une nouvelle demande de travaux pour mon projet de restauration.
J'en profite pour vous montrer de nouvelles photos:

La mise en pression de ma station solaire.

derrière la station solaire nous avons mis le vasse et l'on peut voir les deux sondes thermiques Crouset sur le ballon solaire double serpentin de 500L.
Malgrès l'ensoleilement très médiocre sur notre région en ce moment le ballon monte à 35°C ce soir. pour le moment c'est encore la chaudière qui fait le complément on n'a pas encore brancher le deuxième serpentin et pas encore racordé la résistance. Pour le moment c'est encore une phase d'observation.
J'ai été mauvaise langue "méa culpa".
J'ai finalement reçu l'acceptation de ma demande de travaux :P mais la mairie l'a envoyé hors délais en recommandé, alors qu'ils avaient l'accord des bâtiments de France depuis un mois 1/2 :( ils doivent aimer jouer avec le calendrier :( . je ne vois pas l'intêtret d'envoyer la réponse hors délai, mais je trouve toutefois bien d'avoir une réponse. C'est vrais que cela ne m'encouragait pas pour déposer une nouvelle demande de travaux pour mon projet de restauration.
J'en profite pour vous montrer de nouvelles photos:

La mise en pression de ma station solaire.

derrière la station solaire nous avons mis le vasse et l'on peut voir les deux sondes thermiques Crouset sur le ballon solaire double serpentin de 500L.
Malgrès l'ensoleilement très médiocre sur notre région en ce moment le ballon monte à 35°C ce soir. pour le moment c'est encore la chaudière qui fait le complément on n'a pas encore brancher le deuxième serpentin et pas encore racordé la résistance. Pour le moment c'est encore une phase d'observation.
Cordialement RV45 
- r45v
- Expert Solaire

- Messages : 701
- Enregistré le : ven. avr. 07, 2006 22:17 pm
- Localisation : Orléans (45)
Bonjour à tous,
Cà y est, je produis totalement écolo.
J'ai arrété ma chaudière fioul pour mon ECS. En effet, j'ai branché mon serpentin haut de mon ballon solaire sur mon circuit radiateur (donc appoint chauffage PAC). Même quand mon circulateur ne fonctionne pas l'eau du circuit passe dans le serpentin. Il faut que je remplace mon circulateur par une électrovane commander par mon millénium. Au départ je pensais me prendre directement sur mon ballon tampon, mais finalement c'était plus simple de me prendre sur le réseau radiateur il passe juste derrière racordement avec du tube en PER.
Température de mon Ecs 40°C environ. Il faut que je racorde ma resistance pour la légionéllose.
Personne n'a trouvé l'eau trop froide pour le moment. Il y a même un peu de soleil aujourd'hui les panneau vont prendre le relais.
Cà y est, je produis totalement écolo.
J'ai arrété ma chaudière fioul pour mon ECS. En effet, j'ai branché mon serpentin haut de mon ballon solaire sur mon circuit radiateur (donc appoint chauffage PAC). Même quand mon circulateur ne fonctionne pas l'eau du circuit passe dans le serpentin. Il faut que je remplace mon circulateur par une électrovane commander par mon millénium. Au départ je pensais me prendre directement sur mon ballon tampon, mais finalement c'était plus simple de me prendre sur le réseau radiateur il passe juste derrière racordement avec du tube en PER.
Température de mon Ecs 40°C environ. Il faut que je racorde ma resistance pour la légionéllose.
Personne n'a trouvé l'eau trop froide pour le moment. Il y a même un peu de soleil aujourd'hui les panneau vont prendre le relais.
Cordialement RV45 
- r45v
- Expert Solaire

- Messages : 701
- Enregistré le : ven. avr. 07, 2006 22:17 pm
- Localisation : Orléans (45)
Bonjour à tous,
Suite à la demande de plusieurs d'entre vous, je vous mets a disposition un fichier qui permet de faire des comparaisons entre les différents types d'abonnements EDF:
Suite à la demande de plusieurs d'entre vous, je vous mets a disposition un fichier qui permet de faire des comparaisons entre les différents types d'abonnements EDF:
- Fichiers joints
-
- Copie de BleuDomElec.XLS
- (259 Kio) Téléchargé 306 fois
Cordialement RV45 
- r45v
- Expert Solaire

- Messages : 701
- Enregistré le : ven. avr. 07, 2006 22:17 pm
- Localisation : Orléans (45)
Bonsoir à tous,
Petite amélioration de l'installation par une lyre anti-thermosiphon sur le balon tampon. En effet, j'avais un doute sur le faite que l'eau chaude remonte dans les panneaux solaires :? .
Je ne ne suis pas certain car il y a bien un clapet anti retour sur la station solaire mais il est sur le retour donc par acquis de consience, je ne veux prendre le risque de perdre la nuit les calories gagnés par le solaire dans la journée et même pire encore les calories apporter par le circuits de la pac qui serait perdu dans le capteur :evil:
Bref voilà le resultat:
avant
après
Voila maintenant je suis bon pour remettre le purgeur sur les capteurs
Cela ocuppe bien le solaire. :P
Petite amélioration de l'installation par une lyre anti-thermosiphon sur le balon tampon. En effet, j'avais un doute sur le faite que l'eau chaude remonte dans les panneaux solaires :? .
Je ne ne suis pas certain car il y a bien un clapet anti retour sur la station solaire mais il est sur le retour donc par acquis de consience, je ne veux prendre le risque de perdre la nuit les calories gagnés par le solaire dans la journée et même pire encore les calories apporter par le circuits de la pac qui serait perdu dans le capteur :evil:
Bref voilà le resultat:
avant

après

Voila maintenant je suis bon pour remettre le purgeur sur les capteurs
Cela ocuppe bien le solaire. :P
Cordialement RV45 
- r45v
- Expert Solaire

- Messages : 701
- Enregistré le : ven. avr. 07, 2006 22:17 pm
- Localisation : Orléans (45)
Bonsoir à tous,
Je vous joints mon schéma d'installation à jour reprenant l'ensemble de l'installation. Je remercie Pascall60 pour son aide très précieuse pour ce schéma qui est plus claire que mon schéma sous paint.
Je n'ai pas encore fini ma boucle de décharge qui viendra se relier à mon échangeur piscine dans quelques semaines le temps de la réflexion et de l'action.
Je vous joints mon schéma d'installation à jour reprenant l'ensemble de l'installation. Je remercie Pascall60 pour son aide très précieuse pour ce schéma qui est plus claire que mon schéma sous paint.
Je n'ai pas encore fini ma boucle de décharge qui viendra se relier à mon échangeur piscine dans quelques semaines le temps de la réflexion et de l'action.
- Fichiers joints
-
- hervev3.doc
- Sch?ma d'installation
- (150.5 Kio) Téléchargé 440 fois
Cordialement RV45 
- r45v
- Expert Solaire

- Messages : 701
- Enregistré le : ven. avr. 07, 2006 22:17 pm
- Localisation : Orléans (45)
[quote="Gérald"]Oops ! Au moins çà c'est un schéma ! Tu va pouvoir postuler pour nous refaire Beaubourg ?
Gérald[/quote]
Bonjour Gérald,
Merci c'est sur qu'avec mes schémas en noir et blanc je ne risquais pas de gagner le concours
Jusqu'à maintenant on me parlait de mon installation de sous-marin ou d'usine à gaz, mais avec la couleur de Pascall60 c'est plus sympa. 8)
Mais ma plus grande satsfaction, c'est quand même qu'aujourd'hui pour la première fois de voir mon balon de 5OOl monter à plus de 48°C quand je suis rentré ce soir
Je me pose même la question si le solaire n'a pas participer aussi au chauffage de la maison

Gérald[/quote]
Bonjour Gérald,
Merci c'est sur qu'avec mes schémas en noir et blanc je ne risquais pas de gagner le concours
Jusqu'à maintenant on me parlait de mon installation de sous-marin ou d'usine à gaz, mais avec la couleur de Pascall60 c'est plus sympa. 8)
Mais ma plus grande satsfaction, c'est quand même qu'aujourd'hui pour la première fois de voir mon balon de 5OOl monter à plus de 48°C quand je suis rentré ce soir
Je me pose même la question si le solaire n'a pas participer aussi au chauffage de la maison

Cordialement RV45 
-
Gérald
- Stagiaire Solaire

- Messages : 125
- Enregistré le : sam. déc. 16, 2006 19:01 pm
- Localisation : Guégon (56)
- Contact :
Bonsoir RV45,
Effectivement, aujourd'hui c'était une belle journée solaire. Mais ces derniers jours on en a eu quelques unes.
Avec mon système chaudière/panneaux solaires, je ne peut pas me rendre compte exactement : j'ais le haut du ballon (ce n'est qu'un 300 litres) à 58°. Le matin c'est la chaudière, la journée, c'est le solaire. Vivement que je modifie mon install pour y intégrer l'insert !
Mais en tout cas depuis mai 2006, je n'ais pas consommé 500 litres de fuel. + 10 stères de bois à 30 € le stère. Et ce soir, il y a 24° dans le salon !
Sur ton schéma, j'ai vu une électrovanne 2 voies. Est-ce une Normalement Ouverte ? Si oui peut-tu me dire ou on peut en trouver ?
Dans mon projet de modif, j'en ai 5 à installer !
Je n'ais pas de piscine, mais j'ais creusé un bassin d'agrément avec rivière, cascade. Le bassin fait la taille d'une petite piscine ! Je me demande si on va pas venir me chercher des poux dans la tête parce qu'il n'y a pas de barrière de protection ! A noter que dès que possible, le bassin servira aussi à la baignade avec le traitement de l'eau en mode écologique (avec des plantes). J'ai pas mis de glycol dans l'eau du solaire, c'est pas pour aller mettre du chlore dans le bassin !
Gérald
Effectivement, aujourd'hui c'était une belle journée solaire. Mais ces derniers jours on en a eu quelques unes.
Avec mon système chaudière/panneaux solaires, je ne peut pas me rendre compte exactement : j'ais le haut du ballon (ce n'est qu'un 300 litres) à 58°. Le matin c'est la chaudière, la journée, c'est le solaire. Vivement que je modifie mon install pour y intégrer l'insert !
Mais en tout cas depuis mai 2006, je n'ais pas consommé 500 litres de fuel. + 10 stères de bois à 30 € le stère. Et ce soir, il y a 24° dans le salon !
Sur ton schéma, j'ai vu une électrovanne 2 voies. Est-ce une Normalement Ouverte ? Si oui peut-tu me dire ou on peut en trouver ?
Dans mon projet de modif, j'en ai 5 à installer !
Je n'ais pas de piscine, mais j'ais creusé un bassin d'agrément avec rivière, cascade. Le bassin fait la taille d'une petite piscine ! Je me demande si on va pas venir me chercher des poux dans la tête parce qu'il n'y a pas de barrière de protection ! A noter que dès que possible, le bassin servira aussi à la baignade avec le traitement de l'eau en mode écologique (avec des plantes). J'ai pas mis de glycol dans l'eau du solaire, c'est pas pour aller mettre du chlore dans le bassin !
Gérald
- r45v
- Expert Solaire

- Messages : 701
- Enregistré le : ven. avr. 07, 2006 22:17 pm
- Localisation : Orléans (45)
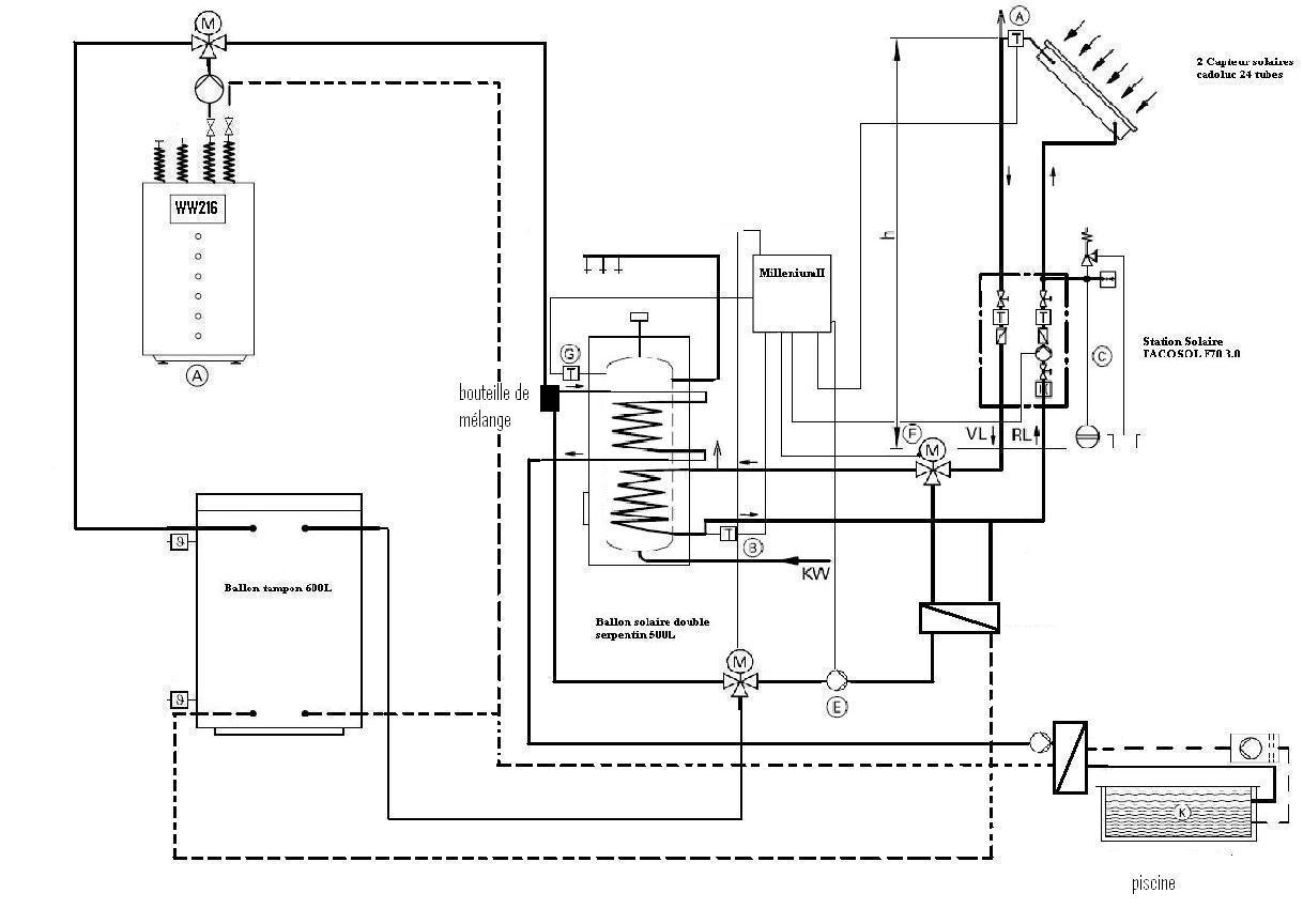
Bonjour à tous,
Je vous soumets le schéma d’installation pour l’ensemble du fonctionnement Piscine Solaire et PAC.
En effet, l’installation transitoire actuelle (schéma ci dessus) n’intègre pas encore le chauffage de la piscine. De plus, il y avait quelques améliorations à faire sur le chauffage de l’ECS solaire dont le complément a partir du circuit chauffage était insuffisant en cas de température extérieur douce (eau ballon tampon inférieur à 37°C).
L’objectif est de valider le schéma hydraulique ainsi que de valider la faisabilité au niveau des régulations de la pac, du millénium pour le solaire et de la piscine.
Les principes de basses retenus.
1 Mettre en route la filtration de la piscine 1heures dans la journée ainsi qu’une partie des heures creuse EDF(environ 5h). De plus, la filtration de la piscine et le chauffage de la piscine ne fonctionneront pas les jours rouges tempo il n’y aura pas d’utilisation de la piscine ces jours là.
2 Le chauffage de la piscine par la pac se mettra en route deux minutes après la mise en route de la filtration piscine. La vanne V3V existante dirigera le flux vers une bouteille de mélange, ainsi il n’y aura pas deux circulateurs en frontal. Le circulateur de l’échangeur PSA piscine prendra le flux dans la bouteille de mélange est passera obligatoirement dans l’échangeur haut du ballon solaire si celui-ci est inférieur à 45°C il cédera les calories pour réchauffer l’ECS dans le cas contraire c’est le ballon qui cèdera les calories pour réchauffer la piscine. Dès que la température est atteinte le circulateur PSA devra se couper ce qui devra entrainer l’arrêt de la pac.
3 Afin d’éviter la surchauffe du solaire la V3V dirigera le flux eau glycolé vers l’échangeur, quelques seconde plus tard le circulateur (E) se mettra en route. Deux cas de figure : a) en hivers le flux est diriger vers le Ballon tampon via la V3V pour éviter la mise en route de la pac en heures pleines. b) en été la V3V dirige le flux vers la bouteille de mélange. L’automate millénium devra mettre en marche forcé la filtration de la piscine ainsi que le circulateur de l’échangeur piscine.
La fonction été hiver sera géré dans le millénium.
Dans l’attente de vos remarques

Je vous soumets le schéma d’installation pour l’ensemble du fonctionnement Piscine Solaire et PAC.
En effet, l’installation transitoire actuelle (schéma ci dessus) n’intègre pas encore le chauffage de la piscine. De plus, il y avait quelques améliorations à faire sur le chauffage de l’ECS solaire dont le complément a partir du circuit chauffage était insuffisant en cas de température extérieur douce (eau ballon tampon inférieur à 37°C).
L’objectif est de valider le schéma hydraulique ainsi que de valider la faisabilité au niveau des régulations de la pac, du millénium pour le solaire et de la piscine.
Les principes de basses retenus.
1 Mettre en route la filtration de la piscine 1heures dans la journée ainsi qu’une partie des heures creuse EDF(environ 5h). De plus, la filtration de la piscine et le chauffage de la piscine ne fonctionneront pas les jours rouges tempo il n’y aura pas d’utilisation de la piscine ces jours là.
2 Le chauffage de la piscine par la pac se mettra en route deux minutes après la mise en route de la filtration piscine. La vanne V3V existante dirigera le flux vers une bouteille de mélange, ainsi il n’y aura pas deux circulateurs en frontal. Le circulateur de l’échangeur PSA piscine prendra le flux dans la bouteille de mélange est passera obligatoirement dans l’échangeur haut du ballon solaire si celui-ci est inférieur à 45°C il cédera les calories pour réchauffer l’ECS dans le cas contraire c’est le ballon qui cèdera les calories pour réchauffer la piscine. Dès que la température est atteinte le circulateur PSA devra se couper ce qui devra entrainer l’arrêt de la pac.
3 Afin d’éviter la surchauffe du solaire la V3V dirigera le flux eau glycolé vers l’échangeur, quelques seconde plus tard le circulateur (E) se mettra en route. Deux cas de figure : a) en hivers le flux est diriger vers le Ballon tampon via la V3V pour éviter la mise en route de la pac en heures pleines. b) en été la V3V dirige le flux vers la bouteille de mélange. L’automate millénium devra mettre en marche forcé la filtration de la piscine ainsi que le circulateur de l’échangeur piscine.
La fonction été hiver sera géré dans le millénium.
Dans l’attente de vos remarques

- Fichiers joints
-
- Piscine solaire1.JPG (94.05 Kio) Vu 4322 fois
Cordialement RV45 
-
gegef6fsk

