mieux vaut tard....!!!
C'est une installation 1/5 auto-construction 4/5 professionnelle avec le matériel du groupement d'achat d'Apper.
Aprés avoir naviguer sur le Forum plusieurs mois,années!,nous en avons conclu que nous n'avions pas les capacités ni le temps de faire notre installation seuls et nous nous sommes rapprochés d'un des "pro" du Forum aujourd'hui indisponible
ça se passe Belle ile en mer Morbihan
partie autoconstruction
c'est une maison ancienne pour l'instant secondaire de 50m2 au sol et combles aménagées. Rénovation chaux chanvre (5cm sur murs pierres ) combles isolées en Métisse 20cm,nouvelles menuiseries double vitrage. Plancher chauffant sur dalle béton chaux/ liege /béton chaux que nous avons posé nous même en 2 boucles plus une petite boucle à l'étage pour le mur chauffant de la salle de bain. Garage ossature bois plancher chauffant en attente pour décharge
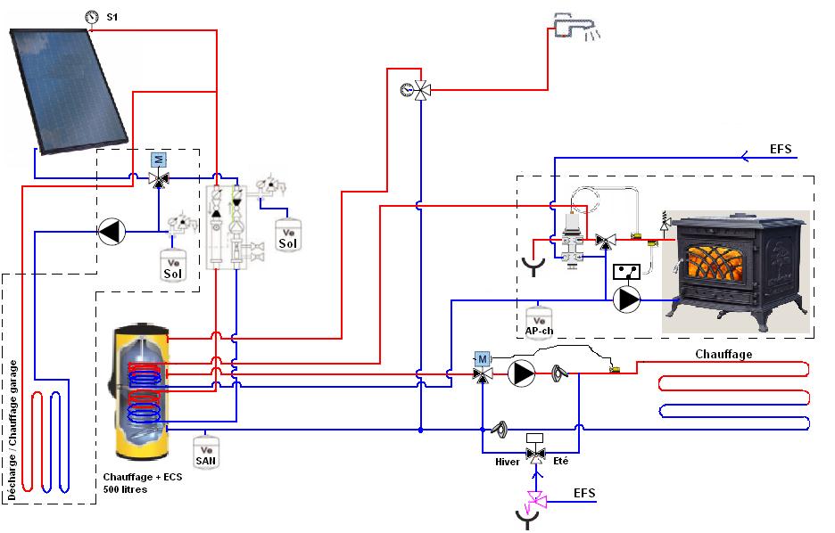
partie solaire pro
4 panneaux MM tinox 2108, Ballon DE 500l, régulation Vision+ poêle Cashin charleston C3, décharge dans le garage
les panneaux sont à 60° posés au sol contre le pignon du garage, plein sud, les toits de la maison et du garage étant est /ouest
En hiver nous sommes deux, souvent absents et l'été 6 personnes voire plus
En cas de surchauffe le garage a aussi un plancher chauffant qui servira de décharge.
Le système solaire fonctionne depuis mi novembre en notre absence .Le poele n'a servi qu' à Noel , un peu en mars et depuis une semaine en avril Pas beaucoup de recul donc mais tout fonctionne bien. Une ou 2 flambées en fin de journée 20° jour et nuit.
L'originalité de l'installation c'est que l'eau sanitaire circule dans le plancher. Pour éviter les bébettes type salmonelle , en arrivant aprés une longue absence on fait monter la température du ballon à 60°électriquement. sinon on se contente d'une eau sanitaire à 35° 40° c'est largement suffisant pour la douche ou la vaisselle. l'été prochain on ne devrait pas avoir de problème pour chauffer l'eau à plus de 60°
Merci à tous pour votre aide et vos encouragements. à Pierre Amet pour l'étude et le site, et à Thermich sans qui cela n'aurait pas été possible
Sur mon île j'ai bien l'intention de faire visiter l'installation mais avant je dois maitriser le schéma...et les outils de communications d Apper seront bien utiles
Kerelle

