Bonsoir,
Pour faire suite à ma présentation sur le forum, je vais tenter de vous présenter l'évolution de mon installation de chauffage qui j'espère dans un futur proche sera solaire.
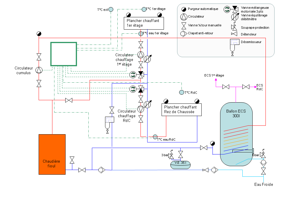
Comme déjà dit dans ma présentation, la maison que nous avons achetée il y a maintenant plus de 5 ans, est chauffée par une chaudière fioul et des planchers chauffants sur deux étages. L'eau chaude sanitaire est réalisée grace au fioul l'hiver et à l'électricité l'été. (Chez nous, l'hiver c'est du 15 octobre au 1er mai !!!)
Au fil des années des éléments du chauffage sont tombés en panne.
Pour la bonne compréhension du circuit final (solaire), je vous propose trois schémas de mon installation:
- installation initiale à l'achat de la maison,
- installation actuelle après modification du circuit pour l'intégration des vannes de mélange du RdC et du 1er étage.
- installation future envisagée (chauffage solaire et CESI)
L'installation solaire (chauffage et CESI) telle qu'envisagée est la pose sur le toit de 12 m² de panneaux (trop de masques dans le jardin et liaison très longue) et l'utilisation d'un échangeur à plaque pour séparer les circuits solaire et planchers chauffants (Plancher Solaire pseudo-Direct !!). Le ballon ECS est chauffé par l'échangeur inférieure solaire et par l'appoint fioul (existant). Le tout est géré par l'automate M3 et supervisé par "Smartapp"
J'ose enfin vous présenter ce que j'envisage de réaliser pour vous demander ce que vous en pensez et me faire part de vos remarques et conseils avant de me lancer dans le concret.
Merci d'avance pour vos réponses.
Fabrice
Chauffage + CESI dans les Hautes Alpes
Modérateurs : ramses, Balajol, monteric, ametpierre, j2c, françois34, andrebayle

