Page 1 sur 1
Installation drainback à affûter
Posté : mer. mai 29, 2019 11:34 am
par sam974
Bonjour
Je présente donc mon installation construite sur la base de ce que
Freeheat propose. L'idée initiale est donc de préchauffer, voire plus un ballon électrique standard grâce à une solution drainback.
Un schéma sera un peu plus clair explicitant la partie solaire drainback:

- Partie solaire drainback
- schema_initial.png (182.93 Kio) Vu 6987 fois
et la partie en thermosiphon avec le cumulus standard électrique de 200litres:

- Thermosiphon
- schema_initial_thermosiphon.png (78.77 Kio) Vu 6987 fois
Entre temps, le ballon électrique standard a été remplacé par un ballon de 400l avec échangeur intégré
Le matériel utilisé actuellement en fonctionnement:
- Ballons tampon d'eau morte de 70 litre avec double échangeur (les échangeurs ne sont plus utilisés pour le moment; un des deux sera utilisé pour un mur d'inertie bourré de platre avec serpetin en PER BAO)
- 2 panneaux à tube (48 tubes au total)
- Ballon ECS de 400l avec échangeur, Viessmann Vitocell 100-V type CVW
- Un circulateur DAB Evosta 40/70/130 en vitesse 3 pour franchir la hauteur
- Un contrôleur
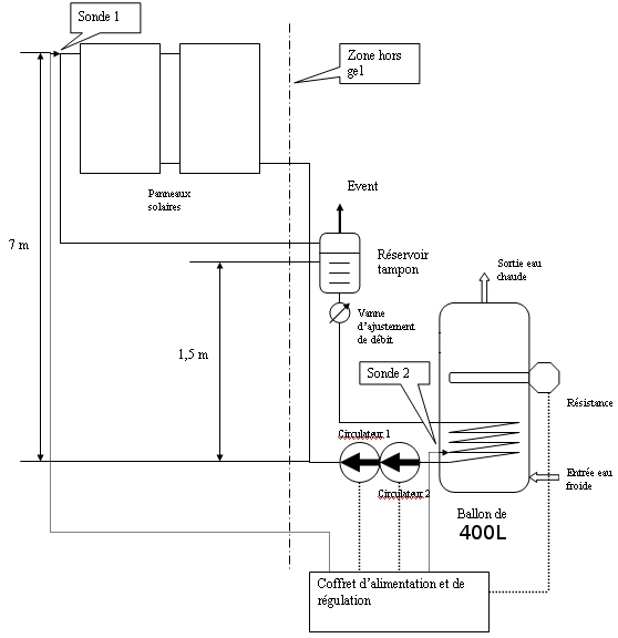
La hauteur manométrique d'environ 7m de la buanderie en demi sous-sol jusqu'au toit.
Le schéma montre à peu-près l'installation existante à la différence que je n'ai qu'un seul circulateur (celui mentionné précemment):

- Installation existante
- installation_existante.png (24.9 Kio) Vu 6987 fois
Mon problème est que la mise en eau du circuit se fait bien au départ mais que les cycles suivants amènent la pompe à tourner parfois dans le vide.
Je soupçonne une pompe trop peu puissante (avec un phénomène de cavitation?) mais pas seulement.
Car une fois qu'elle est en fonctionnement nominal (je veux dire que la mise en eau du circuit a réussi), ça chauffe parfaitement le ballon ECS.
Donc le palliatif actuel, en journée ensoleillé non-stop, la marche forcée permet de solutionner. Bon ce n'est clairement pas optimal autant en régulation qu'en économie d'énergie
A envisager peut-être:
- une 2ème pompe (perte de charge?) pour aider la 1ère pompe (je diminuerai par la même occasion sa vitesse nominale) ?
- un ébulleur en partie haute pour aider la pompe à évacuer l'air ?
- un vase à expansion ouvert ?
Je ne fais pas la différence entre l'ébulleur ou le vase ouvert: j'ai l'impression que ça remplit la même fonction.
Vos avis / conseils seront les bienvenus

Merci

Re: Installation drainback à affûter
Posté : jeu. mai 30, 2019 10:38 am
par Balajol
Bonjour,
Si la pompe cavité elle fait un bruit particulier (comme si elle était remplie de cailloux)
Si c est un problème de colonne d eau, la pompe tourne à la vitesse maxi mais pas de retour dans la réserve.
Si la régulation fait de la variation de vitesse, mettre le seuil bas,la vitesse minimum, à 100% pour voir si cela résoudre le problème.
Quel est le débit de l installation ?
Quel diamètre et nature liaisons ?
Modèle de la pompe ? (Copie de la courbe si vous avez)
Cdt
Bertrand
Re: Installation drainback à affûter
Posté : jeu. mai 30, 2019 23:55 pm
par sam974
Bonsoir Bertrand,
Parfois, je n'ai pas de retour dans la réserve car je n'entends pas l'eau retomber.
Avec la vitesse minimale, je n'ai jamais de retour d'eau.
La vitesse 3 est celle qui permet un retour d'eau plus fréquent.
Quand la pompe n'arrive pas à faire une boucle complète, le fait d'éteindre et de la rallumer peut l'aider.
Je n'ai pas de débitmètre. Je vais essayer d'en installer un.
Les liaisons sont essentiellement en multicouche dn16 sauf à proximité des panneaux solaires où il s'agit de tuyaux inox annelé sur 1,5m. Egalement tuyau inox annelé entre la réserve et le ballon ECS.
Voici la courbe de la pompe:

- Courbes
- courbes_evosta.png (121.03 Kio) Vu 6955 fois
Merci,
Cdt
Sam
Re: Installation drainback à affûter
Posté : ven. mai 31, 2019 0:47 am
par Balajol
Bonsoir,
A priori l e circulateur a des difficultés pour vaincre la colonne d'eau.
2 choses:
Vérifier les Paramètres de la régulation afin que celle ci ne baisse pas la vitesse pour améliorer le rendement (Vitesse Mini à Mettre à 100 %)
As tu la possibilité de remonter la réserve tout en la gardant dans le volume Hors gel et que son niveau haut à l'arrêt soit au Moins à 50 Cm du Point bas des capteurs?
En déplaçant ainsi la réserve , tu gagnes des cette valeur en Colonne d'eau au refoulement.
La vanne d'ajustement du débit n'a rien à faire sous la réserve

Elle contribue à la cavitation, A ouvrir à fond..
Cdt
Bertrand
Re: Installation drainback à affûter
Posté : sam. juin 01, 2019 0:31 am
par sam974
Bonsoir
Merci pour la piste...
Déplacer la réserve est difficile vu que je sors rapidement de la zone hors gel.
C'est noté pour l'indicaion sur la vanne de débit
Du coup, j'ai fait une autre expérience. J'ai branché 2 circulateurs en série avec du mieux; j'ai mis un séparateur d'air juste avant également. La colonne d'eau est vaincue beaucoup plus souvent mais il semble que certaines fois la sonde de température située aux panneaux continue de monter. Cela se produit à priori quand la réserve est bien montée en température.
J'en déduis que ce n'est pas seulement un défaut de puissance lié à la pompe.
Problème d'évacuation d'air en partie haute à priori? Un vase ouvert ou un ébulleur (c'est quoi la différence ?

) à installer sur le circuit haut pour faciliter la montée ?
Merci, cdt
Sam
Re: Installation drainback à affûter
Posté : dim. juin 02, 2019 19:50 pm
par Balajol
Bonjour,
Déduction autre: la régulation baisse la vitesse de la pompe pour monter en Température et à ce moment là le ou les circulateurs n'ont plus la vitesse suffisante pour vaincre la colonne d'eau. Paramètres de la Régulation à Vérifier absolument.. (Vitesse Minimum du circulateur, Baisser Maxi 10 % pour atteindre la bonne température par Manque d'ensoleillement mais pas plus)
Si les tuyauteries ont été correctement dimensionnées en Fonction du débit, le Purgeur en point eau n'est pas nécessaire, je dirai même contre indiqué (voir principe du Drainback sur les fiches du site)
Personnellement je travaille en circuit fermé depuis 2011 avec la même eau, sans développement de Flore diverse et variée.
Cdt
Bertrand
Re: Installation drainback à affûter
Posté : lun. juin 03, 2019 8:02 am
par gaby
Bonjour,
les circulateurs sont des pompes centrifuges et on ne peut les réguler que par le refoulement jamais par l'aspiration .
il serai bien aussi que la ligne entre la réserve eau morte et le circulateur soit d'un diamètre un peu supérieur du reste du circuit pour gaver la pompe
Il y a au maximum 0.15 bar a l'entre du circulateur ,il faut minimiser les pertes de charge a l'entree
Re: Installation drainback à affûter
Posté : lun. juin 03, 2019 20:51 pm
par guy delsol
Si ça marche pas.... c'est le " drainback"....
Ha ..!! ces Zanglais...!!!
En autovodange pas de problème...
Y a assez de fiches sur la question...:::
( Avec un minimum de règles..)
a relire.... CDLT.
Guy
Re: Installation drainback à affûter
Posté : mar. juin 04, 2019 0:06 am
par sam974
Bonsoir,
Merci Bertrand et Gaby pour vos indications précieuses.
Mon contrôleur ne module à priori pas la vitesse: il est plutôt basique et je n'ai pas de paramètre de gestion de vitesse. J'ai mis les circulateurs en série en vitesse 2 (la vitesse 1 n'est pas suffisante dans la configuration actuelle).
Je vais voir pour augmenter la section du conduit entre la réserve et le ballon ECS.
J'ai également pris connaissance de certaines fiches, y compris celle intitulé 'Drainback en circuit fermé par GUY DELSOL'.
Cdlt
Sam
Re: Installation drainback à affûter
Posté : mar. juin 04, 2019 11:35 am
par guy delsol
Bjr.
Plus sérieusement...il me semble ( déjà dit par Balajol)
1/. la reserve est trop basse , soit 5m,50 à refouler à la mise en route. selon le plan.
2/.( avis perso ) l'annelé dans un circuit en autovidange ne facilite pas l'écoulement fluide de l'eau.
qqs mètres de cuivre lisse est préférable. du 16/18 par ex .
3/. Ne peux tu pas mettre la reserve plus haut, dans les combles, en l'isolant le max pour hors gel ??
CDLT.
Guy
Re: Installation drainback à affûter
Posté : mer. juin 05, 2019 0:36 am
par sam974
Bonsoir
Je songe à mettre à exécution vos suggestions de:
1/. diminuer la distance entre les panneaux et la réserve (pas mal de boulot effectivement pour le mettre à l'extérieur sous une nouvelle structure et isoler)
2/. augmenter la section entre la réserve et le ballon ECS
Merci, cdlt,
Sam
Re: Installation drainback à affûter
Posté : sam. juin 08, 2019 2:34 am
par Balajol
Bon..jour,
Déplacer la réserve à l'extérieur doit être la dernière solution envisagée. (Le gel ne pardonne pas)
Réduire au Maximum les Pertes de charge en Priorité.
De Photos nous amèneront peut être à d'autres conclusions
Pas de pièges à air, de contre pentes? etc..
Je suis étonné qu'avec 2 circulateurs la hauteur Manométrique n'est pas suffisante (Les Plus Petits Montent facilement à 4 m de CE (Les deux circulateurs sont bien en Série ? )
Si La vitesse n'est tjrs pas suffisante, Passer un des deux en vitesse 3
Cdt
Bertrand
Re: Installation drainback à affûter
Posté : mar. juin 11, 2019 18:24 pm
par m_you49
salut.
D'accord avec Guy pour l'annelé : ça freine !
Dans mon ancienne maison : 22 m² en auto-vidange avec réserve à l'air libre (transformé ensuite en fermé) avec 6 m de colonne d'eau, ça n'a fonctionné qu'avec un circu de + de 100 W en vitesse 3.
http://www.apper-solaire.org/Pages/Expe ... index.html
Les tubes côté aspi étaient en cuivre (lisse) de 24/26 et le refoulement en 2 champs (12 m² et 10 m²) de 16/18. La vitesse du circu (Grundfos) était de 2400 Tr/min (2 pôles).
Un circu n'étant pas une pompe centrifuge, il faut que ça pousse.
Bon courage. MY