Problème sur installation bois buche
Modérateurs : ramses, Balajol, monteric, ametpierre, j2c
-
jerem.mc73
- Newbie

- Messages : 49
- Enregistré le : jeu. déc. 26, 2013 19:34 pm
- Localisation : NOTRE DAME DE BELLECOMBE 73
Bonjour à tous,
Alors après l'étude de mon projet d'installation pour ma construction (capteur sous vide pour drainback dans le forum), je réfléchis à la modif du système de mes parents, ils brulent du bois en continu pour un chauffage pas très efficace.
Bon la maison est très mal isolée (une ferme des années 1870) et a un circuit avec 17 radiateurs en fonte .
Ils ont changés la chaudière il y a 22 ans maintenant et ils avaient fait installé une chaudière à combustion inversée avec 2 tampons (1250 l au total).
Seulement il y a un petit problème sur cette installation, les ballons tampon n'accumulent rien en énergie et la chaudière tourne en continu de fin novembre a mi avril. Résultat 30 à 35 stères de bois par saison, et tout ça pour avoir à peine chaud quand la température passe en dessous de -12°C (ce qui est de plus en plus fréquent).
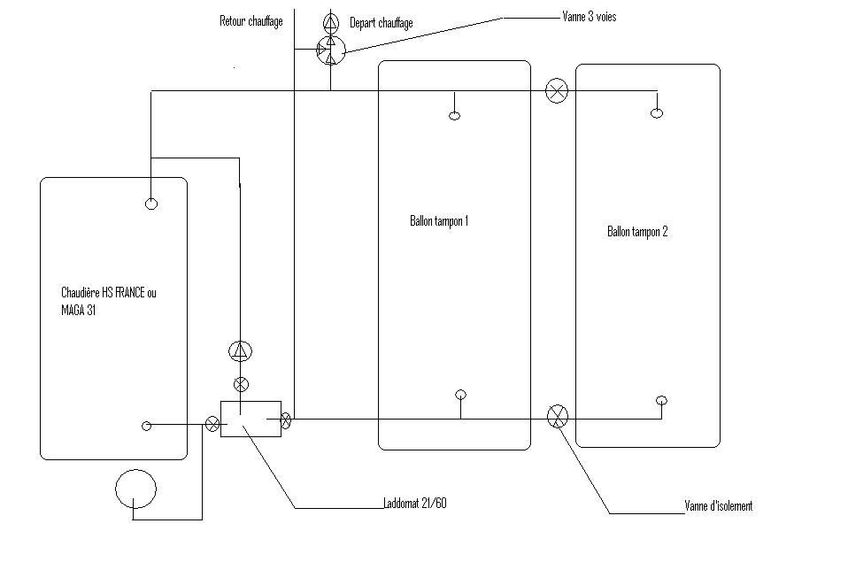
J'ai donc fait un schéma de l'installation.
Les ballons tampons ne dépassent jamais ou très rarement les 40°C et ceci presque uniformément sur toute leur hauteur (quelques degrés de différence).
J'aimerais avoir vos avis pour optimiser cette installation.
le départ chaudière jusqu'au 1 er ballon tampon est toujours brulant et tout de suite après le piquage haut de 1er ballon tampon c'est tiède.
voici le schéma
Alors après l'étude de mon projet d'installation pour ma construction (capteur sous vide pour drainback dans le forum), je réfléchis à la modif du système de mes parents, ils brulent du bois en continu pour un chauffage pas très efficace.
Bon la maison est très mal isolée (une ferme des années 1870) et a un circuit avec 17 radiateurs en fonte .
Ils ont changés la chaudière il y a 22 ans maintenant et ils avaient fait installé une chaudière à combustion inversée avec 2 tampons (1250 l au total).
Seulement il y a un petit problème sur cette installation, les ballons tampon n'accumulent rien en énergie et la chaudière tourne en continu de fin novembre a mi avril. Résultat 30 à 35 stères de bois par saison, et tout ça pour avoir à peine chaud quand la température passe en dessous de -12°C (ce qui est de plus en plus fréquent).
J'ai donc fait un schéma de l'installation.
Les ballons tampons ne dépassent jamais ou très rarement les 40°C et ceci presque uniformément sur toute leur hauteur (quelques degrés de différence).
J'aimerais avoir vos avis pour optimiser cette installation.
le départ chaudière jusqu'au 1 er ballon tampon est toujours brulant et tout de suite après le piquage haut de 1er ballon tampon c'est tiède.
voici le schéma
- monteric
- Modérateur

- Messages : 1785
- Enregistré le : sam. sept. 10, 2011 17:50 pm
- Localisation : Chavilleu (01)
- Contact :
Bonjour,
Comme tu l'as dit le gros probleme c'est que apparemment la maison est tres mal isolée et doit etre assez grande, donc ca consomme beaucoup
Optimiser l'installation ne va pas changer le probleme si la chaudiere tourne en continue juste pour chauffer (et encore) et bien c'est que tu n'as pas de quoi faire du stock ...
La seule option : ISOLER.
Ce n'est que mon avis bien entendu !
A+
Eric
Comme tu l'as dit le gros probleme c'est que apparemment la maison est tres mal isolée et doit etre assez grande, donc ca consomme beaucoup
Optimiser l'installation ne va pas changer le probleme si la chaudiere tourne en continue juste pour chauffer (et encore) et bien c'est que tu n'as pas de quoi faire du stock ...
La seule option : ISOLER.
Ce n'est que mon avis bien entendu !
A+
Eric
20 m²thermique, Poele bouilleur, Chaudiere granulé, UVR16X2 + UVR610
Photovoltaïque : environ 1kWc, CADOE-OPP
Capteur à Air (façon Guy Isabel)
Suivre l'installation : http://chavillieu.cadoe.net
Association : http://ateliersvertssolaire.com
Photovoltaïque : environ 1kWc, CADOE-OPP
Capteur à Air (façon Guy Isabel)
Suivre l'installation : http://chavillieu.cadoe.net
Association : http://ateliersvertssolaire.com
- rod33
- Technicien Solaire

- Messages : 463
- Enregistré le : ven. avr. 24, 2009 15:24 pm
- Localisation : illats
Bonjour,
Je suis du meme avis qu'Eric. Les ballons ne se chargent pas car les déperditions de la maison sont bien trop grandes: tout part dans les radiateurs.
La seule solution:I-SO-LER!!!
Bonnes fetes!
Je suis du meme avis qu'Eric. Les ballons ne se chargent pas car les déperditions de la maison sont bien trop grandes: tout part dans les radiateurs.
La seule solution:I-SO-LER!!!
Bonnes fetes!
[url=http://forum.apper-solaire.org/viewtopic.php?f=39&t=7589&start=30]Mon installation[/url]
[url=http://78.214.167.27:36/GRAFIK.htm]l'instalation en direct[/url]
[url=http://78.214.167.27:36/GRAFIK.htm]l'instalation en direct[/url]
- sylvère
- Stagiaire Solaire

- Messages : 55
- Enregistré le : jeu. janv. 26, 2012 19:14 pm
- Localisation : épagny suisse
Salut.
Je suis du même avis, sans aucun doute ISOLER
Syl.
Je suis du même avis, sans aucun doute ISOLER
Syl.
-50 m2 de pv
-6 m2 de thermique ecs+pac+piscine
-récupération eau de pluie
http://www.apper-solaire.org/Pages/Expe ... /index.pdf
-6 m2 de thermique ecs+pac+piscine
-récupération eau de pluie
http://www.apper-solaire.org/Pages/Expe ... /index.pdf
- m_you49
- Maitre Solaire

- Messages : 3635
- Enregistré le : sam. déc. 31, 2005 12:36 pm
- Localisation : Beaupréau-en-Mauges - 49
Bonjour.
Est-ce que ça a bien fonctionné au début ? En 22 ans, y a peut-être une révision à faire au niveau des circuits, des purges, etc ...
Mais bien sur le départ c'est d'isoler. Modifier des systèmes pour chauffer une passoire énergétique, même de caractère, ça restera une passoire à calories.
Et 30/35 stères, faut se les coltiner ...
Bonne année et @ +
Est-ce que ça a bien fonctionné au début ? En 22 ans, y a peut-être une révision à faire au niveau des circuits, des purges, etc ...
Mais bien sur le départ c'est d'isoler. Modifier des systèmes pour chauffer une passoire énergétique, même de caractère, ça restera une passoire à calories.
Et 30/35 stères, faut se les coltiner ...
Bonne année et @ +
M.You - 49
-
fotourefair
- Maitre Solaire

- Messages : 1457
- Enregistré le : lun. avr. 13, 2009 7:08 am
- Localisation : Saint Gervais (en Vendée - 85)
Salut,
Pour y voir un peu plus clair,
connaissez vous
l'isolation des murs
le type de fenêtres ?
la superficie à chauffer ?
la température de départ vers vos radiateurs de votre système de chauffage
Avec ces informations, je pense qu'on pourra commencer à réfléchir mais il y a de fortes chances qu'il faille commencer par isoler comme l'ont dit les copains plus haut...
Bonne journée
Fotourefair
Pour y voir un peu plus clair,
connaissez vous
l'isolation des murs
le type de fenêtres ?
la superficie à chauffer ?
la température de départ vers vos radiateurs de votre système de chauffage
Avec ces informations, je pense qu'on pourra commencer à réfléchir mais il y a de fortes chances qu'il faille commencer par isoler comme l'ont dit les copains plus haut...
Bonne journée
Fotourefair
12 m2 capteurs tubes circulation directe (tubes à l'horizontale) + Ballon tampon 1000L
08/03/2010 : de 26 à 45° en bas de ballon (49° au 1/3 haut ECS)
07/02/2012 : de 23 à 48° en bas (58° au 1/3 haut ECS) pas mal pour un mois de février non ???
08/03/2010 : de 26 à 45° en bas de ballon (49° au 1/3 haut ECS)
07/02/2012 : de 23 à 48° en bas (58° au 1/3 haut ECS) pas mal pour un mois de février non ???
-
bip bip 28
- Etudiant Solaire

- Messages : 204
- Enregistré le : mar. déc. 04, 2007 14:13 pm
- Localisation : Maintenon 28
-
jerem.mc73
- Newbie

- Messages : 49
- Enregistré le : jeu. déc. 26, 2013 19:34 pm
- Localisation : NOTRE DAME DE BELLECOMBE 73
Alors certes la maison est mal isolée.
Il y a 3 appartements à chauffer pour une surface d'environ 160 m², Fenêtres doubles vitrages de moins de 3 ans partout.
Dalle haute isolée en hiver par le fourrage entreposée à la grange. Les murs par contre eux sont en parpaings sans isolation intérieure ni extérieure.
On ne pourra malheureusement pas faire grand chose pour l'isolation, par l'extérieur cela semble impossible trop de problème de mixité de matériaux et très difficile de coupés les ponts thermiques car les appartements sont distants les uns des autres.
Pour l'intérieur les pièces étant petites ce n'est même pas envisageable.
Quand on rénove des parties on place un peu d'isolation mais rien de significatif, on fait au mieux.
Pour l'emplacement du circulateur de recyclage, un copain m'a fait la même réflexion, je vais vérifier, j'ai peut être fait une erreur sur mon schéma.
Nous savons très bien que nous n'allons pas passer de 35 stères a 10 stères mais une économie de 10 stères serait quand même pas mal sachant que mes parents vieillissent et qu'ils ne vont pas pouvoir continuer à produire autant de bois que nécessaire. Il faut quand même pas oublier d'aller entretenir nos forêts pour se chauffer.
Est ce qu'une chaudière type MAGA 31 kW serait beaucoup plus efficace que celle qu'ils ont (HS FRANCE SOLO 32 KW je crois)?
Je voulais apporter quelques modifications pour essayer de gagner en conso.
Voila le schéma de ce que je voudrais faire.
Dites moi ce que vous en pensez
Il y a 3 appartements à chauffer pour une surface d'environ 160 m², Fenêtres doubles vitrages de moins de 3 ans partout.
Dalle haute isolée en hiver par le fourrage entreposée à la grange. Les murs par contre eux sont en parpaings sans isolation intérieure ni extérieure.
On ne pourra malheureusement pas faire grand chose pour l'isolation, par l'extérieur cela semble impossible trop de problème de mixité de matériaux et très difficile de coupés les ponts thermiques car les appartements sont distants les uns des autres.
Pour l'intérieur les pièces étant petites ce n'est même pas envisageable.
Quand on rénove des parties on place un peu d'isolation mais rien de significatif, on fait au mieux.
Pour l'emplacement du circulateur de recyclage, un copain m'a fait la même réflexion, je vais vérifier, j'ai peut être fait une erreur sur mon schéma.
Nous savons très bien que nous n'allons pas passer de 35 stères a 10 stères mais une économie de 10 stères serait quand même pas mal sachant que mes parents vieillissent et qu'ils ne vont pas pouvoir continuer à produire autant de bois que nécessaire. Il faut quand même pas oublier d'aller entretenir nos forêts pour se chauffer.
Est ce qu'une chaudière type MAGA 31 kW serait beaucoup plus efficace que celle qu'ils ont (HS FRANCE SOLO 32 KW je crois)?
Je voulais apporter quelques modifications pour essayer de gagner en conso.
Voila le schéma de ce que je voudrais faire.
Dites moi ce que vous en pensez
-
jerem.mc73
- Newbie

- Messages : 49
- Enregistré le : jeu. déc. 26, 2013 19:34 pm
- Localisation : NOTRE DAME DE BELLECOMBE 73
-
jerem.mc73
- Newbie

- Messages : 49
- Enregistré le : jeu. déc. 26, 2013 19:34 pm
- Localisation : NOTRE DAME DE BELLECOMBE 73
Ah j'oubliais que je voulais aussi mettre un thermostat d'ambiance dans la pièce principale pour piloter le circulateur de départ chauffage et des robinet thermostatique sur les radiateurs.
Va-t-il y avoir des conséquences positives sur l'installation?
Et au fait bonne année à tous!!!!!!!!!!!!!! Que tous vos projets se concrétisent et fonctionnent.
Va-t-il y avoir des conséquences positives sur l'installation?
Et au fait bonne année à tous!!!!!!!!!!!!!! Que tous vos projets se concrétisent et fonctionnent.
- py73
- Etudiant Solaire

- Messages : 254
- Enregistré le : dim. févr. 01, 2009 12:45 pm
- Localisation : St Pierre de Génébroz 73
Salut jerem.mc73, tous,
tout d'abord Bonne Année à chacun et beaucoup de soleil....
D'accord, bien sûr, pour l'isolation comme dit plus haut mais si y a pas trop moyen d'améliorer...
Je pense que ton schéma 2 est plus performant, (le circu du primaire doit pousser dans la chaudière), ajoute des robinets thermostatiques et surtout une régulation avec sonde extérieure et de départ plutôt qu'un thermostat (ça permettra d'individualiser les chauffages dans les différents appart').
Pour l'hydro-accumulation, la chaudière est trop juste en puissance (à mon avis) pour charger à la fois les ballons et chauffer la maison, donc soit monter une chaudière plus puissante, soit shunter un ballon.
Bonne réflexion
P-Y
tout d'abord Bonne Année à chacun et beaucoup de soleil....
D'accord, bien sûr, pour l'isolation comme dit plus haut mais si y a pas trop moyen d'améliorer...
Je pense que ton schéma 2 est plus performant, (le circu du primaire doit pousser dans la chaudière), ajoute des robinets thermostatiques et surtout une régulation avec sonde extérieure et de départ plutôt qu'un thermostat (ça permettra d'individualiser les chauffages dans les différents appart').
Pour l'hydro-accumulation, la chaudière est trop juste en puissance (à mon avis) pour charger à la fois les ballons et chauffer la maison, donc soit monter une chaudière plus puissante, soit shunter un ballon.
Bonne réflexion
P-Y
Passez à l'électricité 100% renouvelable avec Enercoop !
http://www.enercoop.fr/
http://www.enercoop.fr/
-
jerem.mc73
- Newbie

- Messages : 49
- Enregistré le : jeu. déc. 26, 2013 19:34 pm
- Localisation : NOTRE DAME DE BELLECOMBE 73
-
fotourefair
- Maitre Solaire

- Messages : 1457
- Enregistré le : lun. avr. 13, 2009 7:08 am
- Localisation : Saint Gervais (en Vendée - 85)
Bonjour,
je suis désolé mais je reste persuadé qu'on ne prend pas les choses dans le bon sens...
Si une maison a besoin de xxx kWh liées à ces déperditions, on n'améliorera que très peu la consommation énergétique via des artifices et compagnie...
Après on peut minimiser la consommation en faisant produire d'une autre façon cette énergie mais le problème reste à savoir de quelle température d'eau avez vous besoin ??? et d'autres paramètres...
Si c'est une passoire énergétique, cela restera une passoire énergétique...
Pourquoi dire qu'une ITE est impossible, je ne comprends pas bien ?
Fotourefair
je suis désolé mais je reste persuadé qu'on ne prend pas les choses dans le bon sens...
Si une maison a besoin de xxx kWh liées à ces déperditions, on n'améliorera que très peu la consommation énergétique via des artifices et compagnie...
Après on peut minimiser la consommation en faisant produire d'une autre façon cette énergie mais le problème reste à savoir de quelle température d'eau avez vous besoin ??? et d'autres paramètres...
Si c'est une passoire énergétique, cela restera une passoire énergétique...
Pourquoi dire qu'une ITE est impossible, je ne comprends pas bien ?
Fotourefair
12 m2 capteurs tubes circulation directe (tubes à l'horizontale) + Ballon tampon 1000L
08/03/2010 : de 26 à 45° en bas de ballon (49° au 1/3 haut ECS)
07/02/2012 : de 23 à 48° en bas (58° au 1/3 haut ECS) pas mal pour un mois de février non ???
08/03/2010 : de 26 à 45° en bas de ballon (49° au 1/3 haut ECS)
07/02/2012 : de 23 à 48° en bas (58° au 1/3 haut ECS) pas mal pour un mois de février non ???
- Ottiti
- Maitre Solaire

- Messages : 3097
- Enregistré le : sam. oct. 23, 2010 21:57 pm
- Localisation : 57420 FEY
[quote="fotourefair"]Bonjour,
je suis désolé mais je reste persuadé qu'on ne prend pas les choses dans le bon sens...
Si une maison a besoin de xxx kWh liées à ces déperditions, on n'améliorera que très peu la consommation énergétique via des artifices et compagnie...
Après on peut minimiser la consommation en faisant produire d'une autre façon cette énergie mais le problème reste à savoir de quelle température d'eau avez vous besoin ??? et d'autres paramètres...
Si c'est une passoire énergétique, cela restera une passoire énergétique...
Pourquoi dire qu'une ITE est impossible, je ne comprends pas bien ?
Fotourefair[/quote]
Salut
l'ITE dénature le "cachet" d'une maison si il y avait des linteaux en pierre, des assemblage de pierre ou autre cela disparait
Les personne sont âge et ne veulent éventuellement pas de travaux
car "ça va bien comme cela et on faisait avec avant", je connais cette rengaine:roll:
Même si la maison est une passoire énergétique on peut tous de même améliorer le rendement ou le fonctionnement des fournisseur de calories et consommer moins ou moins cher
Avis perso
je suis désolé mais je reste persuadé qu'on ne prend pas les choses dans le bon sens...
Si une maison a besoin de xxx kWh liées à ces déperditions, on n'améliorera que très peu la consommation énergétique via des artifices et compagnie...
Après on peut minimiser la consommation en faisant produire d'une autre façon cette énergie mais le problème reste à savoir de quelle température d'eau avez vous besoin ??? et d'autres paramètres...
Si c'est une passoire énergétique, cela restera une passoire énergétique...
Pourquoi dire qu'une ITE est impossible, je ne comprends pas bien ?
Fotourefair[/quote]
Salut
l'ITE dénature le "cachet" d'une maison si il y avait des linteaux en pierre, des assemblage de pierre ou autre cela disparait
Les personne sont âge et ne veulent éventuellement pas de travaux
car "ça va bien comme cela et on faisait avec avant", je connais cette rengaine:roll:
Même si la maison est une passoire énergétique on peut tous de même améliorer le rendement ou le fonctionnement des fournisseur de calories et consommer moins ou moins cher
Avis perso
DrainBloc PAW + 13M2 + KER2 de 800 litres à production d'ECS Instantanée / KER1 de 800l & Chaudiere Prity MA18/ Poêle Hanook Supra / WKS 1kw + 2 x 200wc circuit dédié et 1/280wc injection secteur