apuka ...
Passage du tout électrique au presque tout solaire
Modérateurs : ramses, Balajol, monteric, ametpierre
- py73
- Etudiant Solaire

- Messages : 252
- Enregistré le : dim. févr. 01, 2009 12:45 pm
- Localisation : St Pierre de Génébroz 73
Salut Le Ballais, tous,
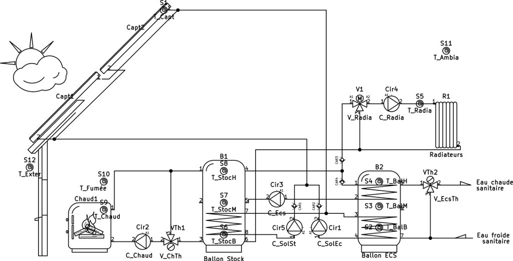
en regardant ce beau schéma, je me rends compte que:
- la priorité solaire n'y est pas ... Les retours chauffage bois des 2 tampons devraient se faire au-dessus des serpentins solaires et non tout en bas comme dessiné. Du coup, le volume à prendre en compte pour le tampon bois correspond aux volumes situés au-dessus de ces 2 serpentins (et non les 1000 l). Si tu n'as pas assez de volume tampon par rapport à la puissance, reste avec ce montage mais comprends bien que le solaire n'est pas favorisé car tout le volume sera + ou -chauffé par le bois.
- les circulateurs Circuits radiateurs et PC seraient mieux sur les départs qu'à pousser la flotte dans les tampons (et être plus ou moins en montage Décharge ou répartition, qu'en mélange).
- le thermovar serait mieux sur le retour, à mon sens.
- s'il y a des vannes d'isolement sur les tampons, il faut rajouter un vase d'expansion pour le BT 500l élec et une soupape 3 b. Chaque appareil producteur de chaleur doit avoir un vase d'expansion et une soupape 3b sans vanne entre eux; et le bouilleur une soupape thermique en plus de tout ça.
Question subsidiaire: les ventilo-convecteurs ont-ils le même régime de t° que les radiateurs ?
Bonne soirée et cogitation
Pierre-Yves
en regardant ce beau schéma, je me rends compte que:
- la priorité solaire n'y est pas ... Les retours chauffage bois des 2 tampons devraient se faire au-dessus des serpentins solaires et non tout en bas comme dessiné. Du coup, le volume à prendre en compte pour le tampon bois correspond aux volumes situés au-dessus de ces 2 serpentins (et non les 1000 l). Si tu n'as pas assez de volume tampon par rapport à la puissance, reste avec ce montage mais comprends bien que le solaire n'est pas favorisé car tout le volume sera + ou -chauffé par le bois.
- les circulateurs Circuits radiateurs et PC seraient mieux sur les départs qu'à pousser la flotte dans les tampons (et être plus ou moins en montage Décharge ou répartition, qu'en mélange).
- le thermovar serait mieux sur le retour, à mon sens.
- s'il y a des vannes d'isolement sur les tampons, il faut rajouter un vase d'expansion pour le BT 500l élec et une soupape 3 b. Chaque appareil producteur de chaleur doit avoir un vase d'expansion et une soupape 3b sans vanne entre eux; et le bouilleur une soupape thermique en plus de tout ça.
Question subsidiaire: les ventilo-convecteurs ont-ils le même régime de t° que les radiateurs ?
Bonne soirée et cogitation
Pierre-Yves
Passez à l'électricité 100% renouvelable avec Enercoop !
http://www.enercoop.fr/
http://www.enercoop.fr/
-
Le Ballais
- Newbie

- Messages : 16
- Enregistré le : mar. sept. 16, 2008 19:31 pm
- Localisation : villeneuve les avignon 30
Bonsoir
En réponse à Lebritish :
« Tu fais plutôt varier la vitesse du circulateur pr obtenir un delta T constant entre la T des panneaux et celle de la cuve »
Ok mais quel genre de circulateur à débit variable ?
« Pour la régulation tu as pensé au maxisun de notre ami Patrick07 »
Oui j’ai lu le topic sur le sujet mais il me manque des infos sur des retours d’expérience sur des installations ainsi que sur le prix (je n’ai aucune expérience sur ce genre de matos et je ne voudrais pas me retrouver avec une Ferrari qui reste au garage).
J’ai également essayé d’intégrer les remarques de Pierre-Yves :
- bien vu pour la cheminée qui n’est là que pour dépanner et non pour chauffer tout le ballon
- pour les circuits circulateurs j’ai modifié leur emplacement (« en montage Décharge ou répartition, qu'en mélange … » pour moi c’est un peu du chinois) idem pour le thermovar
- j’ai disposé un vase d’expansion par ballon, pour les soupapes 3b et thermique j’essaie de trouver des billes et je les intégrerais au schéma.
- J’ai groupé le ventilo convecteur et le PC
En réponse à Lebritish :
« Tu fais plutôt varier la vitesse du circulateur pr obtenir un delta T constant entre la T des panneaux et celle de la cuve »
Ok mais quel genre de circulateur à débit variable ?
« Pour la régulation tu as pensé au maxisun de notre ami Patrick07 »
Oui j’ai lu le topic sur le sujet mais il me manque des infos sur des retours d’expérience sur des installations ainsi que sur le prix (je n’ai aucune expérience sur ce genre de matos et je ne voudrais pas me retrouver avec une Ferrari qui reste au garage).
J’ai également essayé d’intégrer les remarques de Pierre-Yves :
- bien vu pour la cheminée qui n’est là que pour dépanner et non pour chauffer tout le ballon
- pour les circuits circulateurs j’ai modifié leur emplacement (« en montage Décharge ou répartition, qu'en mélange … » pour moi c’est un peu du chinois) idem pour le thermovar
- j’ai disposé un vase d’expansion par ballon, pour les soupapes 3b et thermique j’essaie de trouver des billes et je les intégrerais au schéma.
- J’ai groupé le ventilo convecteur et le PC
- Fichiers joints
-
- Schéma chauffage solaire ballons Niox série v5.tif (168.25 Kio) Vu 4594 fois
- patrick07
- Maitre Solaire

- Messages : 1869
- Enregistré le : lun. avr. 03, 2006 11:07 am
- Localisation : Sud Ardèche -07- St Germain
- Contact :
Bonjour,
Tu peux faire un peu ce que tu veux avec le Maxisun. Je joins quelques exemples que tu peux retrouver ici.
D'autres à voir ici aussi.
Si tu veux en voir un "en vrai" tu as Roger (Rocha84) qui n'est pas très loin de chez toi (Isle/Sorgues) et qui, sans trop vouloir m'avancer, se fera un plaisir de te le faire découvrir...
Tu peux faire un peu ce que tu veux avec le Maxisun. Je joins quelques exemples que tu peux retrouver ici.
D'autres à voir ici aussi.
Si tu veux en voir un "en vrai" tu as Roger (Rocha84) qui n'est pas très loin de chez toi (Isle/Sorgues) et qui, sans trop vouloir m'avancer, se fera un plaisir de te le faire découvrir...
-
Le Ballais
- Newbie

- Messages : 16
- Enregistré le : mar. sept. 16, 2008 19:31 pm
- Localisation : villeneuve les avignon 30
Je vois qu'il y a des lève-tôt ou peu-être des couche-tard!!!
Merci Patrick pour ta réponse rapide, je vais essayer d'assimiler quelques notions de fonctionnement de ta régulation (ce qui me manque c'est le temps pour consulter tous ces documents dispo sur le site).
Encore merci à tous pour vos conseils.
Merci Patrick pour ta réponse rapide, je vais essayer d'assimiler quelques notions de fonctionnement de ta régulation (ce qui me manque c'est le temps pour consulter tous ces documents dispo sur le site).
Encore merci à tous pour vos conseils.
- py73
- Etudiant Solaire

- Messages : 252
- Enregistré le : dim. févr. 01, 2009 12:45 pm
- Localisation : St Pierre de Génébroz 73
[referp=103939;quote="Le Ballais"
- pour les circuits circulateurs j’ai modifié leur emplacement (« en montage Décharge ou répartition, qu'en mélange … » pour moi c’est un peu du chinois) idem pour le thermovar[/quote]
montage en décharge ou répartition: sert à orienter la circulation du fluide dans un circuit ou un autre. Ex: production d'ECS ou circuit radiateurs ou circuit panneaux solaires- ballon ou panneaux solaires boucle de décharge. Dans ces cas , le circulateur est monté en amont de la V3V (souvent en tout ou rien).
montage en mélange: sert à obtenir une T° de départ fixée par la régulation. On utilise la V3V pour mélanger de l'eau provenant de l'appareil producteur de chaleur (chaude) à celle de retour de l'installation (- chaude). Dans ce cas de figure , le circulateur est monté en aval de la V3V (qui est souvent manoeuvrée par un moteur pas à pas).
Le thermovar est monté sur le retour car c'est la T° de retour qu'on veut maitriser pour éviter le point de rosée dans le foyer.
[referp=103939;quote="Le Ballais"
- J’ai groupé le ventilo convecteur et le PC[/quote]
OK si c'est pour tourner à basse T° mais sur ton schéma v5, le retour ventilo se mélange avec les radiateurs.
Le retour chauffage entre les 2 ballons est toujours trop bas, si tu pars dans l'idée de garder le bas pour le solaire...
A +
P-Y
- pour les circuits circulateurs j’ai modifié leur emplacement (« en montage Décharge ou répartition, qu'en mélange … » pour moi c’est un peu du chinois) idem pour le thermovar[/quote]
montage en décharge ou répartition: sert à orienter la circulation du fluide dans un circuit ou un autre. Ex: production d'ECS ou circuit radiateurs ou circuit panneaux solaires- ballon ou panneaux solaires boucle de décharge. Dans ces cas , le circulateur est monté en amont de la V3V (souvent en tout ou rien).
montage en mélange: sert à obtenir une T° de départ fixée par la régulation. On utilise la V3V pour mélanger de l'eau provenant de l'appareil producteur de chaleur (chaude) à celle de retour de l'installation (- chaude). Dans ce cas de figure , le circulateur est monté en aval de la V3V (qui est souvent manoeuvrée par un moteur pas à pas).
Le thermovar est monté sur le retour car c'est la T° de retour qu'on veut maitriser pour éviter le point de rosée dans le foyer.
[referp=103939;quote="Le Ballais"
- J’ai groupé le ventilo convecteur et le PC[/quote]
OK si c'est pour tourner à basse T° mais sur ton schéma v5, le retour ventilo se mélange avec les radiateurs.
Le retour chauffage entre les 2 ballons est toujours trop bas, si tu pars dans l'idée de garder le bas pour le solaire...
A +
P-Y
- Fichiers joints
-
- Niox.v6.pdf
- (193.2 Kio) Téléchargé 293 fois
Passez à l'électricité 100% renouvelable avec Enercoop !
http://www.enercoop.fr/
http://www.enercoop.fr/
-
Le Ballais
- Newbie

- Messages : 16
- Enregistré le : mar. sept. 16, 2008 19:31 pm
- Localisation : villeneuve les avignon 30
Après un break de quelques mois je repars dans mon projet de chauffage solaire.
Évolution du schéma de mon installation :
- 2 ballons Nideck double échangeur
- La résistance électrique est sur le premier ballon (juste pour mettre la maison hors-gel en cas d’absence)
- L’insert "bouilleur" est branché sur l’échangeur du haut du deuxième ballon (cela reprend mon ancienne installation qui a très bien fonctionné depuis plusieurs années)
- Les 2 échangeurs du premier ballon sont équipés d’une vanne 3 voies
- Le branchement des capteurs solaires : 1 groupe de 3 et 1 groupe de 2
Je viens de recevoir mes 2 ballons tampon Nideck de 500l: un NIOX 2 et un NIA 2 (reste à les descendre dans la cave !!!).
Je compte passer commande le plus tôt possible des 5 capteurs solaires Tinox horizontaux LMT 112 avec 25m de roule bitube inox haute isolation DN20.
Pour le circulateur solaire je pense opter pour un Willo Stratos Eco ST 25/1-5 (pilotable par le Maxisun ?).
Une lyre anti-thermosiphon est-elle utile avec un clapet anti-retour sur le circuit solaire ?
Les raccords union biconique olive pour cuivre D22 inter panneaux (page 42 du catalogue SOLAIRE DIFFUSION) sont-ils les plus adaptés étant donné que je dispose de 10m en façade pour mes 5 panneaux de 2m de long (ils dépasserons des longueurs des raccords inter-panneau et divers coudes)?
Dois-je équiper mes 2 ballons tampon d’anode en magnésium ?
Évolution du schéma de mon installation :
- 2 ballons Nideck double échangeur
- La résistance électrique est sur le premier ballon (juste pour mettre la maison hors-gel en cas d’absence)
- L’insert "bouilleur" est branché sur l’échangeur du haut du deuxième ballon (cela reprend mon ancienne installation qui a très bien fonctionné depuis plusieurs années)
- Les 2 échangeurs du premier ballon sont équipés d’une vanne 3 voies
- Le branchement des capteurs solaires : 1 groupe de 3 et 1 groupe de 2
Je viens de recevoir mes 2 ballons tampon Nideck de 500l: un NIOX 2 et un NIA 2 (reste à les descendre dans la cave !!!).
Je compte passer commande le plus tôt possible des 5 capteurs solaires Tinox horizontaux LMT 112 avec 25m de roule bitube inox haute isolation DN20.
Pour le circulateur solaire je pense opter pour un Willo Stratos Eco ST 25/1-5 (pilotable par le Maxisun ?).
Une lyre anti-thermosiphon est-elle utile avec un clapet anti-retour sur le circuit solaire ?
Les raccords union biconique olive pour cuivre D22 inter panneaux (page 42 du catalogue SOLAIRE DIFFUSION) sont-ils les plus adaptés étant donné que je dispose de 10m en façade pour mes 5 panneaux de 2m de long (ils dépasserons des longueurs des raccords inter-panneau et divers coudes)?
Dois-je équiper mes 2 ballons tampon d’anode en magnésium ?
- Fichiers joints
-
- Schéma chauffage solaire ballons Niox série v6.tif (194.13 Kio) Vu 4603 fois
-
Le Ballais
- Newbie

- Messages : 16
- Enregistré le : mar. sept. 16, 2008 19:31 pm
- Localisation : villeneuve les avignon 30
- Balajol
- Modérateur

- Messages : 2474
- Enregistré le : dim. avr. 03, 2011 23:27 pm
- Localisation : Saint-OMER 62
Bonjour tous,
Personnellement je mettrai un anode sur tous les ballons, même a eau morte.
La corrosion est réduite mais pas absente (dépend également de la dureté de l eau etc..)
Simple avis
cordialement
bertrand
Personnellement je mettrai un anode sur tous les ballons, même a eau morte.
La corrosion est réduite mais pas absente (dépend également de la dureté de l eau etc..)
Simple avis
cordialement
bertrand
-6 m2 en auto-vidange (Circuit Fermé, eau pure sans glycol), Capteurs sous polycarbonate 16 mm (toiture local)
-9 m2 WEISHAUPT et ballon 1000L circuit pressurisé glycolé ; 2 Solareg Genius II; Domoticz
Compte rendu de mon installation ici(1er champ)
-9 m2 WEISHAUPT et ballon 1000L circuit pressurisé glycolé ; 2 Solareg Genius II; Domoticz
Compte rendu de mon installation ici(1er champ)
-
Le Ballais
- Newbie

- Messages : 16
- Enregistré le : mar. sept. 16, 2008 19:31 pm
- Localisation : villeneuve les avignon 30
Bonsoir
Du fait que l’eau n’est pas renouvelée l’usure doit être moins importante et de ce fait une anode « minimum » (genre pour ballon de 200l) est-elle suffisante pour un ballon de 500l ?
Question subsidiaire : comment est montée une anode dans un ballon Nideck?
http://nideck.com/contents/fr/d56.html
J’ai fait une erreur de calcul pour la distance entre les capteurs et les ballons tampon qui est de 15m avec du DN 25 et non 25m avec du DN 20.
D’autre part quel est l’avantage du Wilo Stratos ECO-ST 25/1.5 à 494€ sur le Grundfos Solar PM15-85 à 293€?
Du fait que l’eau n’est pas renouvelée l’usure doit être moins importante et de ce fait une anode « minimum » (genre pour ballon de 200l) est-elle suffisante pour un ballon de 500l ?
Question subsidiaire : comment est montée une anode dans un ballon Nideck?
http://nideck.com/contents/fr/d56.html
J’ai fait une erreur de calcul pour la distance entre les capteurs et les ballons tampon qui est de 15m avec du DN 25 et non 25m avec du DN 20.
D’autre part quel est l’avantage du Wilo Stratos ECO-ST 25/1.5 à 494€ sur le Grundfos Solar PM15-85 à 293€?
- patrick07
- Maitre Solaire

- Messages : 1869
- Enregistré le : lun. avr. 03, 2006 11:07 am
- Localisation : Sud Ardèche -07- St Germain
- Contact :
Bonjour,
Ne connaissant pas les ballons Nideck je laisserais quelqu'un d'autre répondre à tes interrogations à ce sujet.
Pour ce qui est des circulateurs:
Le Grundfoss a une variation de vitesse intégrée à commande externe, il ne fait que ce qu'on lui demande de faire.
Le Wilo fait de même mais le fabricant y a ajouté une couche "d’intelligence" à savoir qu'il adapte sa vitesse pour maintenir une différence de pression entrée/sortie constante ou en fonction des températures du fluide caloporteur.
Au regard de leurs prix ces produits n'ont de l’intérêt qu'en remplacement de circulateurs commandés en tout ou rien par une régulation (très) ancienne génération.
Mais depuis une bonne vingtaine d'années la plupart des régulations savent faire de la vitesse variable pour beaucoup moins cher...
Ne connaissant pas les ballons Nideck je laisserais quelqu'un d'autre répondre à tes interrogations à ce sujet.
Pour ce qui est des circulateurs:
Le Grundfoss a une variation de vitesse intégrée à commande externe, il ne fait que ce qu'on lui demande de faire.
Le Wilo fait de même mais le fabricant y a ajouté une couche "d’intelligence" à savoir qu'il adapte sa vitesse pour maintenir une différence de pression entrée/sortie constante ou en fonction des températures du fluide caloporteur.
Au regard de leurs prix ces produits n'ont de l’intérêt qu'en remplacement de circulateurs commandés en tout ou rien par une régulation (très) ancienne génération.
Mais depuis une bonne vingtaine d'années la plupart des régulations savent faire de la vitesse variable pour beaucoup moins cher...
-
Le Ballais
- Newbie

- Messages : 16
- Enregistré le : mar. sept. 16, 2008 19:31 pm
- Localisation : villeneuve les avignon 30
Bonjour
Si le Maxisun comme d’autres régulation récentes sont capables de faire du débit variable, je suis preneur vu le prix des Wilo et Grundfos, l’un des avantage de ces circulateurs HE reste leur faible consommation.
Quelle est la solution pour faire de la vitesse variable à partir du régulateur (hachage de courant comme dans un gradateur) ?
Sur les ballons Nideck il y a une entrée verticale 1’’ sur le dessus et 6 entrées horizontales 1 ‘’3/4 (2 en haut, 2 au milieu et 2 en bas).
Pour la descente des 2 ballons (130kg) à la cave, cela s’est très bien passé. Il m’a fallu un palan, un moufle et une planche à roulette. Ce qui a été le plus long c’est la mise en place des étais et autres supports sinon la descente ne m’a pris que 3 heures (seul car il n’y avait pas de place pour plusieurs personnes).
Si le Maxisun comme d’autres régulation récentes sont capables de faire du débit variable, je suis preneur vu le prix des Wilo et Grundfos, l’un des avantage de ces circulateurs HE reste leur faible consommation.
Quelle est la solution pour faire de la vitesse variable à partir du régulateur (hachage de courant comme dans un gradateur) ?
Sur les ballons Nideck il y a une entrée verticale 1’’ sur le dessus et 6 entrées horizontales 1 ‘’3/4 (2 en haut, 2 au milieu et 2 en bas).
Pour la descente des 2 ballons (130kg) à la cave, cela s’est très bien passé. Il m’a fallu un palan, un moufle et une planche à roulette. Ce qui a été le plus long c’est la mise en place des étais et autres supports sinon la descente ne m’a pris que 3 heures (seul car il n’y avait pas de place pour plusieurs personnes).
-
Le Ballais
- Newbie

- Messages : 16
- Enregistré le : mar. sept. 16, 2008 19:31 pm
- Localisation : villeneuve les avignon 30
Bonsoir
La vanne 3 voies Wiltec DQ 320 permet-elle de faire de la régulation avec un temps de commutation de 15 secondes?
http://shop.wiltec.info/product_info.ph ... 20VAC.html
J’ai récupéré mes 5 capteurs Tinox LMT112 hier lundi avant la pluie, merci à Pierre Amet pour avoir transmis aussi rapidement ma commande à Solaire Diffusion (commande envoyée à 23h28 le 30/10, devis Solaire Diffusion reçu le 31/10 à 10h49).
La vanne 3 voies Wiltec DQ 320 permet-elle de faire de la régulation avec un temps de commutation de 15 secondes?
http://shop.wiltec.info/product_info.ph ... 20VAC.html
J’ai récupéré mes 5 capteurs Tinox LMT112 hier lundi avant la pluie, merci à Pierre Amet pour avoir transmis aussi rapidement ma commande à Solaire Diffusion (commande envoyée à 23h28 le 30/10, devis Solaire Diffusion reçu le 31/10 à 10h49).
- patrick07
- Maitre Solaire

- Messages : 1869
- Enregistré le : lun. avr. 03, 2006 11:07 am
- Localisation : Sud Ardèche -07- St Germain
- Contact :
Bonjour,
J'ai 4 vannes comme les Wiltec, pas encore installées, et je peux te dire qu'il n'est pas possible de les utiliser en régulation ou mélange. En effet, la bille interne est percée en "T" et en tournant elle ouvre l'une ou l'autre entrée sans progressivité et de façon + ou - logique pour cette application.
De plus, le schéma de Wiltec peut prêter à confusion... Le moteur de la vanne ne fait qu'1/4 de tour et donc on a une position de passage de A vers B et AB fermé, ou A vers AB et B fermé.
Alternativement en faisant faire 1/2 tour au moteur: A, B et AB ouverts (passage total) ou B vers AB et A fermé.
Pour info, j'ai eu les 4 pour 102 roros, frais d'envois (d'Allemagne) compris.
J'ai 4 vannes comme les Wiltec, pas encore installées, et je peux te dire qu'il n'est pas possible de les utiliser en régulation ou mélange. En effet, la bille interne est percée en "T" et en tournant elle ouvre l'une ou l'autre entrée sans progressivité et de façon + ou - logique pour cette application.
De plus, le schéma de Wiltec peut prêter à confusion... Le moteur de la vanne ne fait qu'1/4 de tour et donc on a une position de passage de A vers B et AB fermé, ou A vers AB et B fermé.
Alternativement en faisant faire 1/2 tour au moteur: A, B et AB ouverts (passage total) ou B vers AB et A fermé.
Pour info, j'ai eu les 4 pour 102 roros, frais d'envois (d'Allemagne) compris.
