Bonjour,
Nous, lulu et tonio, saisonniers depuis quelques années et vivants en camions,
venons de vendre notre dernière maison roulante dans le but d'en fabriquer une plus confortable et plus autonome en énergie.
Pour l'hiver :
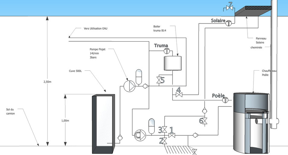
Nous souhaitons fabriquer un poèle turbo sur lequel viendra se greffer une petite réserve d'eau. Cette reserve d'eau, une fois à soixante dix degré, activera un circulateur qui fera une boucle entre le poele et notre réserve d'eau chaude (dans vos maisons cela correspondrait à vos cumulus mais dans notre camion ce sera un "boiler TRUMA B14" (il s'agit d'un petit ballon de 14L qui chauffe au gaz son eau soit à 50°C soit à 70°C). Une fois ce boiler atteignant les 65°C, une vannes motorisée agrandira la boucle pour dissiper la chaleur sous notre faux plancher de camion.
En été,
un chauffe eau solaire (fabrication maison) nous produira l'eau chaude. (boucle capteur - boiler). Je n'ai pas trouvé de solution une fois que l'eau est à température (soit une vidange de sécurité de surchauffe, soit un automatisme qui masque les panneaux, soit faire un échangeur sur le refroidissement moteur (ca voudrait dire qu'en plein hiver, on pourrait réchauffer notre moteur au feu de bois avant de démarrer).
J'ai donc fais pas mal de recherche sur votre forum ainsi que d'autre et j'ai découvert le crouzet millenium.
Le problème qui se pose à nous maintenant, c'est que j'ai fais les plans du système, j'ai programmer le M3 mais j'ai peur d'investir 400E dans le XD26(Plus le cable de raccord) et je ne sais pas quelles genre de vannes il faut que j'achète.
Existe-t-il des vannes motorisée en 12V ou 24V à des prix abordables ?
Pareil pour le circulateur?
Ci-joint, un plan du circuit d'eau avec les capteurs de température ainsi que les électrovannes.
Si il y a des motivés, je peux aussi vous envoyer le fichier M3.
Existe il au sein de l'apper, des membres qui possède un M3 (disponible) pas trop loin de la bretagne pour faire des essais grandeur nature.
Autonomie énergétique en CAMION Aménagé
Modérateurs : ramses, Balajol, monteric, ametpierre, j2c
-
kiki el penon
- Newbie

- Messages : 1
- Enregistré le : dim. déc. 14, 2014 11:50 am
- Localisation : Rimou (35)
Modifié en dernier par kiki el penon le lun. déc. 15, 2014 12:31 pm, modifié 2 fois.
-
moriss
- Etudiant Solaire

- Messages : 291
- Enregistré le : mar. juil. 13, 2010 17:48 pm
- Localisation : lyon
Comme dit le british pour le XD26, j'en ai un aussi à vendre pour bcp moins chere
Sinon, ce système semble pas mal : il pourrait supporter une charge beaucoup plus puissante. Pas seulement pour le camion aménagé, il pourrait même alimenter un transpalette électrique, ce qui serait très pratique pour manipuler des palettes ou du matériel lourd lors d’escales, de camping ou sur des chantiers temporaires.
Sinon, ce système semble pas mal : il pourrait supporter une charge beaucoup plus puissante. Pas seulement pour le camion aménagé, il pourrait même alimenter un transpalette électrique, ce qui serait très pratique pour manipuler des palettes ou du matériel lourd lors d’escales, de camping ou sur des chantiers temporaires.
