Meilleur branchement couplage PAC et solaire

Soutien solaire aux Pompes à chaleurs

Modérateurs : ramses, Balajol, monteric, ametpierre

barpas89
Newbie
Newbie
Messages : 5
Enregistré le : lun. févr. 03, 2014 12:44 pm
Localisation : Auxerre 89

Message par barpas89 »

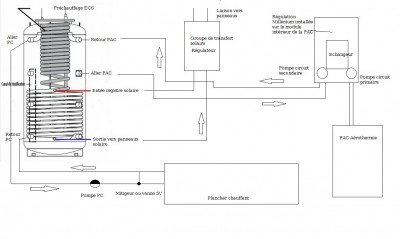
Bonjour à tous, c'est mon premier message bien qu'ayant parcouru le forum depuis 2 ans et avoir épluché le fameux livre. j'expose donc mon projet. Une ancienne maison en rénovation totale depuis 5 ans, je précise que tous les travaux sont fait par moi. J'ai fait un PC de 70m² sur terre plein, isolation polyuréthane de 50mm, PER BAO de 13 avec un pas de 15cm et dalle de 70mm. La maison est très bien isolée,pour les murs polyuréthane de 100+ba13 au rez de chaussée et 150 à 200 de laine de roche derrière rail et ba13 à l'étage et pour finir 300 flocons laine de roche sur le plafond de l'étage. J'ai fait poser une PAC aérothermie Mitshubitshi ( seul artisan a avoir travaillé dans la maison), la liaison entre le module extérieur et le module de gestion est hydrolique. Le plombier m'a installé une bouteille de mélange de 80l. J'ai maintenant l'intention d'installer des panneaux solaires avec un ballon avec un échangeur bas et un échangeur ECS instantanée (pré-chauffage) et régul solaire indépendante. Avant de voir le dimensionnement j'aimerais avoir vos avis sur le branchement de la PAC, sachant que sur le module intérieur de la PAC se trouve une regulation Millénium avec plusieurs programmes prédéfinis (je ne pourrais certainement pas les modifier). Je cherche à avoir une installation simple et fiable. Je joins deux croquis, merci de toutes les infos que j'ai pu tirer sur le forum.
Fichiers joints
ballon.JPG
ballon2.JPG

Avatar du membre
monteric
Modérateur
Modérateur
Messages : 1767
Enregistré le : sam. sept. 10, 2011 17:50 pm
Localisation : Chavilleu (01)
Contact :

Message par monteric »

Bonjour et bienvenu,

Perso je choisirai ni l'un ni l'autre !
L’électricité même par une PAC (que je n'aime pas trop) coute très chère et ce n'est pas fini vu l'augmentation qu'il va y avoir dans les prochaines années. Elle demande donc a etre utilisée le moins possible et surtout ne rien en perdre. Hors vouloir charger un ballon avec de l’électricité est a mon avis une aberration, je te propose donc de faire une liaison en parallèle, avec d'un coté le ballon qui aliment le PC et de l'autre la PAC qui alimente le PC et c'est soit l'un soit l'autre qui est en fonction.

Ce n'est que mon avis bien entendu :cool:

A+

Eric
20 m²thermique, Poele bouilleur, Chaudiere granulé, UVR16X2 + UVR610
Photovoltaïque : environ 1kWc, CADOE-OPP
Capteur à Air (façon Guy Isabel)

Suivre l'installation : http://chavillieu.cadoe.net

Association : http://ateliersvertssolaire.com

barpas89
Newbie
Newbie
Messages : 5
Enregistré le : lun. févr. 03, 2014 12:44 pm
Localisation : Auxerre 89

Message par barpas89 »

Merci pour la réponse, actuellement je n'ai que la PAC sur le PC avec une bouteille de mélange de 80l. Je souhaite avant tout tirer parti du solaire et en complément utiliser la PAC. Le module intérieur de cette PAC contient un échangeur et deux pompes, 1 pour le circuit primaire hydrolique (je précise) et la seconde pour le circuit chauffage ou bouteille de mélange ... La régulation de la PAC gère le circuit chauffage par la loi d'eau, sonde ext, sonde temp départ chauffage et temp ambiante. Je précise que j'ai prévu cette installation avec un minimum de tuyauterie. Module ext vers module int = 1 mètre, module int, ballon tampon, départ PC = 1,50 mètre. Très peu de pertes. Mon idée est de prendre l'eau en haut du ballon par la pompe du circuit chauffage du module PAC, de réguler sa température soit par un mitigeur, soit par une vanne 3V géré par la régul PAC et de l'envoyer dans le PC. Lorsque la température de l'eau suffira à la demande la PAC ext ne tournera pas et lorsque qu'un complément sera demandé la PAC ext tournera. J'utiliserais la pompe existante du module et la réserve du ballon au maximum. Le risque est peut-être d'avoir des démarrage de la PAC trop répétés, d'où l'autre croquis quand la PAC fonctionne elle chauffe le haut du ballon et il faut une deuxième pompe pour le PC. Je souhaite choisir également un ballon avec échangeur instantané pour préchauffer l'ECS, cela abaissera la température du ballon, pour un meilleur rendement des panneaux. J'ai également une autre question à soumettre, j'ai une cheminée à foyer fermé juste derrière le mur où se trouve le ballon, celui-ci a une hauteur d'1m90 environ, est-il possible de brancher un flexible inox du bas du ballon le faire circuler autour de la cheminée et du conduit et de brancher l'arrivée sur le haut du ballon sans pompe, en thermosyphon.
Je vous remercie pour vos réponse.

Avatar du membre
ventura
Maitre Solaire
Maitre Solaire
Messages : 1077
Enregistré le : lun. mars 18, 2013 21:10 pm
Localisation : narbonne (11 )

Message par ventura »

Bonsoir, :-)
Pour ta cheminée à foyer fermé il existe des récupérateurs de chaleur sur le conduit de fumée. ( 2 conduits de fumée concentriques l'eau entre les 2)
Un tube inox entouré en partie haute de ta cheminée est limité par sa surface d'échange.
Si il est dans le conduit de fumée comment va tu ramoner la cheminée?
Un plancher chauffant présente de l'inertie thermique ,
Je pense qu'il sera judicieux de faire fonctionner ta PAC que la nuit ( en heure creuse par exemple) à la température du départ de ton plancher chauffant
Priorité au solaire bien entendu,ensuite la récupération sur ta cheminée et si cela ne suffit pas la PAC
Je ne te conseille pas de rajouter une vanne 3 voies mélangeuse sur la PAC
Plus elle travaille bas en température mieux c'est.
Modifié en dernier par ventura le mar. févr. 11, 2014 20:43 pm, modifié 1 fois.

Avatar du membre
totoche
Apprenti Solaire
Apprenti Solaire
Messages : 390
Enregistré le : lun. nov. 03, 2008 17:25 pm
Localisation : st mathieu de tréviers (34)

Message par totoche »

bonsoir,

pas tout à fait d'accord avec monteric :
si je ne m'abuse sur le schéma ballon2 la pac (ou du moins son tampon) est en série après le stock solaire. Donc si la température de sortie de ce stock est suffisante le "petit" tampon de la PAC va vite se réchauffer et la PAC ne s'allumera pas. Si la température du stock est insuffisante la PAC complètera.

Dans le cas présent c'est ce principe que je choisirai avec :
- le déplacement de la vanne mélangeuse sur l'entrée PC
- l'ajout d'une V3V pour by-passer le stock solaire quand celui-ci est vide, ce qui évitera de le "réchauffer" avec le retour PC.

cf schéma raccordement série : http://www.apper-solaire.org/Pages/Fich ... /index.pdf

pour moi aussi, ce n'est que mon avis ...
Modifié en dernier par totoche le mer. févr. 12, 2014 1:05 am, modifié 4 fois.

Avatar du membre
youn260
Maitre Solaire
Maitre Solaire
Messages : 799
Enregistré le : dim. janv. 20, 2008 17:43 pm
Localisation : pontrieux 22

Message par youn260 »

bonsoir
j'osais pas répondre
mais totoche a raison ce serait mon choix aussi
je pense aussi qu'il faut pas dénigrer les pacs
chacun sa religion!

Avatar du membre
monteric
Modérateur
Modérateur
Messages : 1767
Enregistré le : sam. sept. 10, 2011 17:50 pm
Localisation : Chavilleu (01)
Contact :

Message par monteric »

Bonsoir.

Mes propos precisent bien que ce n'est qu'un avis et il est donc heureux que d'autres en est un différent :cool:
Mais j'ai aussi le droit de dire que je ne suis pas fan de pac, merci :-x

Bonne soirée

Eric
20 m²thermique, Poele bouilleur, Chaudiere granulé, UVR16X2 + UVR610
Photovoltaïque : environ 1kWc, CADOE-OPP
Capteur à Air (façon Guy Isabel)

Suivre l'installation : http://chavillieu.cadoe.net

Association : http://ateliersvertssolaire.com

Avatar du membre
totoche
Apprenti Solaire
Apprenti Solaire
Messages : 390
Enregistré le : lun. nov. 03, 2008 17:25 pm
Localisation : st mathieu de tréviers (34)

Message par totoche »

Mes propos precisent bien que ce n'est qu'un avis et il est donc heureux que d'autres en est un différent
+1 :-D

Comme expliqué dans ma fiche, chaque montage série, // ou centralisé a ses avantages et inconvénients. Trop souvent de farouches défenseurs de l'un ou l'autre système veulent absolument imposer leur point de vue.

L'idée est bien de partager et d'informer de manière objective; ensuite à chacun de faire ses choix en fonction de ses conditions particulières.

Dans le cas présent je ne pense pas qu'un montage // permette de moins déclencher la PAC par rapport à un montage série (pas plus que le contraire).
Ma préférence va au montage série car l'on épuise complètement le stock solaire (par augmentation du retour) et l'intégration est souvent plus simple du point de vue de la régulation puisqu'il n'y a rien à modifier. D'autant plus qu'avec une PAC les pertes à l'arrêt sont infimes, voire inexistantes ...


bonne soirée :cool:
Modifié en dernier par totoche le mer. févr. 12, 2014 1:23 am, modifié 2 fois.

barpas89
Newbie
Newbie
Messages : 5
Enregistré le : lun. févr. 03, 2014 12:44 pm
Localisation : Auxerre 89

Message par barpas89 »

Bonjour et merci à tous pour les réponses. D'abord quelques explications. Je ne suis pas fan non plus des PAC mais idem des chaudières fioul ou gaz. Les impératifs de place, financier ou simplement que l'on veut maîtriser l'installation et l'entretien au mieux font que l'on choisit tel ou tel produit. En ce qui concerne la PAC, un technicien est passé et j'ai eu droit à une étude thermique dans les règles (résultat correspondant à la mienne faite à l'aide du livre), elle est d'une puissance nominale de 5KW et c'est une liaison hydrolique qui relie l'unité extérieure au module intérieur. Le fluide frigo ne quitte pas le circuit de l'unité extérieure ce qui limite énormément les risques de fuites, l'entretien et le coût. Pour le branchement ma préférence est comme Totoche le préconise, le branchement en série pour la simplicité et l'optimisation du matériel existant. Le volume de la bouteille de mélange intégré dans le module intérieur est de 19 litres. Après observation, le fonctionnement est le suivant : Lors d'une demande de chauffage par le thermostat d'ambiance la pompe du circuit secondaire (chauffage) démarre seule pendant une temporisation, la régul compare la temp départ chauffage à la temp calculée par la régul (loi d'eau) et démarre l'unité extérieure s'il y a lieu pour compléter l'écart de température uniquement. D'où l'intérêt d'envoyer le stock solaire jusqu'à épuisement comme le dit Totoche.
La vanne 3V à l'entrée du PC pour réguler en finesse, oui si je peux la gérer avec la régul du module PAC (je crois que oui) sinon un mitigeur.
L'idée d'une vanne 3V pour by-passer le stock solaire épuisé,...ben j'y avais pas pensé. Cela veut que lorsque la température départ ballon est égale ou inférieure au retour PC, le by-pass s'ouvre. La temp départ du PC varie entre 22° et 35° et la temp retour -8° par rapport à l'entrée (c'est approximatif la maison n'est pas encore habitée) soit entre 14° et 27°. Une question (bête peut-être) arrive-t-il souvent que la temp du haut du ballon descende en dessous de 25/27° ? D'autre part j'ai prévu de choisir un ballon avec un canal de stratification pour le branchement retour PC etl'ECS instantanée pour y puiser les dernières calories ce qui devrait limiter fortement le "réchauffement" du stock solaire par le retour PC. Qu'en pensez-vous ?
Un dernier point pour ma cheminée. Le conduit est en boisseaux briques 30x30 double paroi neuf. Le foyer continu Godin 14KW, le conduit est tubé par flexible inox double peau D230. Le flexible est raccordé sur la sortie du foyer à 45° . Le conduit est juste derrière le foyer. Pas de possibilité de mettre un récupérateur droit. Je dois en confectionner un sur mesure. Mes questions sont les suivantes : Peut-on utiliser un tuyau inox le long de la paroi fonte du foyer et autour du flexible inox (fumée) ? et peut-on brancher cet échangeur directement sur le ballon. L'aller en bas du ballon et le retour en haut du ballon, et est-ce que cela peut fonctionner en thermosyphon ? sachant que le ballon fait 1m90 de haut et que le foyer se trouve juste derrière, un mur de 20cms les sépare. Voilà et merci encore à tous

Avatar du membre
Balajol
Modérateur
Modérateur
Messages : 2474
Enregistré le : dim. avr. 03, 2011 23:27 pm
Localisation : Saint-OMER 62

Message par Balajol »

Bonsoir barpas89 et tous,
En ce qui concerne le dernier point, pour qu'il y ai thermosiphon il faut que l'axe de l'echangeur du ballon soit au minimum 50 cm au dessus de l'axe de l'echangeur. Avec un ballon à l'étage peut être possible mais problème du poids :sad:
Il est possible de réaliser un récupérateur sur le conduit de la cheminée en inox annelé , Ce que je teste en ce moment :-)
Ne pas espérer des merveilles, sur mon insert la puissance instantanée ne dépassera pas le Kw (plutot 500 W) mais c'est toujours cela de pris.
J'utilise une vanne de charge avec un calorstat 45 ° pour ne pas envoyer l'eau froide de la liaison echangeur cheminée-ballon (2*10m)
LA circulation est déclenchée par une PT1000 sur le haut de l'échangeur et démarre dès que la T° atteint 50°C, arret à 40 °C
Il faut veiller à ne pas trop refroidir les fumées, avec une bonne flambée on conserve une t° sur le conduit (contact externe) supérieure à 80 °C.

L'échangeur est constitué de 20 m d' annelé inox en DN 16 puis entouré de sections de tôle inox en 8/10 (Chutes de mes capteurs)
Photos ci-jointes
Cordialement
Bertrand
Fichiers joints
Echangeur cheminée 1.jpg
Echangeur Cheminée -2.jpg
-6 m2 en auto-vidange (Circuit Fermé, eau pure sans glycol), Capteurs sous polycarbonate 16 mm (toiture local)
-9 m2 WEISHAUPT et ballon 1000L circuit pressurisé glycolé ; 2 Solareg Genius II; Domoticz
Compte rendu de mon installation ici(1er champ)

Avatar du membre
ventura
Maitre Solaire
Maitre Solaire
Messages : 1077
Enregistré le : lun. mars 18, 2013 21:10 pm
Localisation : narbonne (11 )

Message par ventura »

bonsoir à tous, :-)
bonsoir barpas89
Cela n'est que mon avis
Le thermosiphon va être contrarié par l'eau qui circule dans ton ballon vers ton PC ou ta PAC .
Mettre en contact du tube annelé avec l'arrière du godin et entouré autour du conduit de fumée tu vas récupérer très peu d'énergie.
Je suis désolé d'être aussi pessimiste
Bienvenu au avis différent , et voir les arguments.
@+

Avatar du membre
youn260
Maitre Solaire
Maitre Solaire
Messages : 799
Enregistré le : dim. janv. 20, 2008 17:43 pm
Localisation : pontrieux 22

Message par youn260 »

bonsoir
pas utiliser d'annelé a cet endroit le contact est nul
y vaut mieux utiliser du cuivre il s'ecrase contre le tuyau de fumée
la récup est plus que doublée
mettre un peu de ciment réfractaire pour lier le tout et isoler

Avatar du membre
ventura
Maitre Solaire
Maitre Solaire
Messages : 1077
Enregistré le : lun. mars 18, 2013 21:10 pm
Localisation : narbonne (11 )

Message par ventura »

bonsoir, :-)
On discute
A mon avis le tube inox du conduit de fumée ne dégage pas beaucoup de chaleur.Il a beau rougir, il rejette la chaleur à l'intérieur du conduit.
Je sais qu'il est obligatoire et utile pour les inserts.
Les échangeurs que j'ai vu sur le net , le conduit de fumée est en acier de 4mm d'épaisseur, des petites ailettes tendent à donner un mouvement de rotation à l'eau et le tube extérieur est en acier inox réfractaire,rigide, je présume en 316 L .
Par un rétrécissement la partie extérieure se raccorde à l'insert, et en partie haute la même chose le conduit inox extérieur se raccorde sur le conduit souple en acier inoxydable .
Sur le net ils annoncent des puissances de récupération de chaleur importante
Modifié en dernier par ventura le jeu. févr. 13, 2014 19:14 pm, modifié 1 fois.

Avatar du membre
Balajol
Modérateur
Modérateur
Messages : 2474
Enregistré le : dim. avr. 03, 2011 23:27 pm
Localisation : Saint-OMER 62

Message par Balajol »

[quote="youn260"]bonsoir
pas utiliser d'annelé a cet endroit le contact est nul
y vaut mieux utiliser du cuivre il s'ecrase contre le tuyau de fumée
la récup est plus que doublée
mettre un peu de ciment réfractaire pour lier le tout et isoler[/quote]

Bonsoir Youn260 et tous,
Tout a fait daccord pour ce qui est de l'isolation (en cours ce jour :-) )
Par contre je ne me voyais pas enrouler 20 metres de cuivre autour du tubage :sad: .
Le fait que le cuivre s' écrase ne change pas beaucoup la surface de contact du fait que le tubage n'est pas lisse. La faible épaisseur de l'inox annelé compense sa faible conductibilité thermique.
Pour ce qui est du mortier réfractaire :-?
Il existe des récupérateur sur le NET mais le prix de revient n'a rien à voir :shock:
Actuellement je fait des essais sur ma cuve de 1000 litres avec une eau à 12° au départ :sad: par la suite, il y aura Plus de 10 mètres Carré de capteurs en préchauffage l'hivers, j'espère que ce modeste échangeur me permettra de grapiller quelques degrés afin d'avoir une eau utilisable sur un mur chauffant :cool:
Je ne manquerai pas de vous faire connaître les résultats (positifs ou non) :-)
Cordialement
Bertrand

Edit: @ventura, à ma connaissance, l'inox 316L n'est pas un inox réfractaire.
Modifié en dernier par Balajol le jeu. févr. 13, 2014 21:13 pm, modifié 1 fois.
-6 m2 en auto-vidange (Circuit Fermé, eau pure sans glycol), Capteurs sous polycarbonate 16 mm (toiture local)
-9 m2 WEISHAUPT et ballon 1000L circuit pressurisé glycolé ; 2 Solareg Genius II; Domoticz
Compte rendu de mon installation ici(1er champ)

barpas89
Newbie
Newbie
Messages : 5
Enregistré le : lun. févr. 03, 2014 12:44 pm
Localisation : Auxerre 89

Message par barpas89 »

Bonsoir a tous, j'ai déjà installé sur ce foyer une récupération air chaud avec démarrage auto ou manuel (là je maîtrise parfaitement) et envoie dans d'autres pièces. Avant de faire l'habillage, je réfléchis à y ajouter un échangeur à eau, peut-être en fabriquer un type radiateur et le plaquer entre une tôle et l'arrière du foyer et y ajouter une pompe, sonde.., est-ce que le jeu en vaut la chandelle ? Une autre question, j'ai deux radiateurs SDB mixtes à l'étage soit entre le haut du ballon et le bas radiateur 50 cms et avec une longueur de tuyaux de 3 mètres pour l'un et 1,50 pour l'autre en pente constante est-ce que ces radiateurs peuvent fonctionner en thermosyphon ? Merci à tous

Répondre

Retourner vers « PAC et solaire thermique »