Cela parait compliqué de faire un circuler l'eau chaude solaire vers le ballon électrique mais sans doute faisable dès que le delta T est positif.
c'est ce que je fais dès que la T° dans le ballon solaire dépasse 37, ça fait remonter le ballon thermodynamique de 200 litres et ça fait baisser le solaire et augmente le temps de fonctionnement des panneaux
ben non vu que la resistance est placée au milieu du ballon (donc au dessus du serpentin solaire) le solaire fait le boulot qu'il peut ds la partie basse et la resistance fait l'appoint pil poil ds le haut Cool 2
je suis d'accord mais d'origine sur les ballons PIAC le thermostat de la résistance est placé à la meme hauteur donc en réglant par exemple à 40°C la stratification n'est pas assez bonne (comme le ballon a un gros diamètre) et la sonde se retrouve avec une température assez élevée, la régul différentielle n'enclenche jamais la pompe, interdisant l'appoint solaire
de plus si la résistance chauffe les 2/3 haut du ballon, si jamais le solaire fonctionne (sur certains ballons) il ne le fait qu'à seulement 33% et on se prive donc de 67% d'appoint solaire
c'est ballot
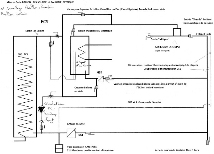
Ensuite, il y a la logique de commande d'un circulateur pour transférer les volumes d'eau.
En chauffage électrique, on ne chauffe qu'une fois par jour en heure creuse, il peut y avoir un transfert en fonction de différentes sondes judicieusement placées juste avant de lancer la chauffe électrique de la nuit.
c'est ce qu'on fait chez mon père : on a une boucle avec le ballon solaire 350L en série avec un ancien ballon électrique bientot reconverti en thermodynamique pour l'hiver avec une batterie chaude pour chauffer la maison en primaire puis 2 ballons électriques qui fonctionnent la nuit en heures creuses si la température est insuffisante et pour l'été une vanne 3 voies bascule pour boucler sur les 4 ballons ce qui fait un volume total de 1050L circulant permettant de supprimer les résistances et d'éviter les surchauffes si le soleil tape vraiment trop fort (sans circulation j'ai déjà vu le ballon monter à 95°C en juillet 2010 ce qui a planté la régul qui s'est mise en sécurité et a fait surchauffer les panneaux à 120°C

)
le tout commandé par un thermostat et une horloge qui déclenche 15mn par heure l'après-midi ce qui permet de faire des cycles et d'optimiser le fonctionnement en faisant baisser la T° du ballon solaire

PV 3kW+ 1.365 autoconso, 6m² capteurs eau, 6m² capteurs air,DF DIY,puit,recup eau de pluie,2 aérothermie Daikin chauffage + 1 ECS 150L thermodynamique DIY, appoint chaudière gaz si Text<-10°C, survitrage plexiglass, Auris TS HSD