Projet solaire + poele bois bouilleur sur Toulouse
Modérateurs : ramses, Balajol, monteric, ametpierre, j2c, françois34, andrebayle
-
ced31
- Stagiaire Solaire

- Messages : 112
- Enregistré le : jeu. juil. 11, 2013 6:19 am
- Localisation : Cugnaux (31)
- Contact :
Bonjour Jean-Matthieu et tous,
J'ai déjà lu ton compte rendu qui est très complet et très instructif.
Sinon, je ne comprend pas pourquoi des capteurs verticaux capteraient mieux le rayonnement diffus que des capteurs horizontaux. C'est dû aux panneaux eux-mêmes où à un principe physique que je ne vois pas? Mais pour des capteurs verticaux, cela risque d'être plus compliqué de les installer en autovidange. Ils seraient du coup un peu plus éloignés (entre 8 et 9 m du réservoir) et esthétiquement moins joli sur la facade...
Pour le schéma, il faudrait que je le mette au propre et rajouter le drain back.
A+
CED
J'ai déjà lu ton compte rendu qui est très complet et très instructif.
Sinon, je ne comprend pas pourquoi des capteurs verticaux capteraient mieux le rayonnement diffus que des capteurs horizontaux. C'est dû aux panneaux eux-mêmes où à un principe physique que je ne vois pas? Mais pour des capteurs verticaux, cela risque d'être plus compliqué de les installer en autovidange. Ils seraient du coup un peu plus éloignés (entre 8 et 9 m du réservoir) et esthétiquement moins joli sur la facade...
Pour le schéma, il faudrait que je le mette au propre et rajouter le drain back.
A+
CED
- Jean-Matthieu STRICKER
- Expert Solaire

- Messages : 592
- Enregistré le : mer. avr. 04, 2012 10:36 am
- Localisation : 67610 LA WANTZENAU (Strasbourg nord)
- Contact :
bonjour Ced,
Par faible ensoleillement ou delta T, il est recommandé de réduire le débit afin de favoriser l'échange.
J'ai remarqué avec mes capteurs verticaux que la différence de température entre le haut et le bas est relativement importante. Ce qui, pour des capteurs deux fois moindre en hauteur diminue cette différence.
Il faut comparer les coefficients entre les modèles.
Mais ceci est un détail car dans le 31 tu auras beaucoup + de soleil qu'en Alsace !
Il conviendra à bien ajuster ton débit par rapport à la recommandation du constructeur. Ceci m'a obligé à ajouter une mesure de débit, car même avec les calculs j'étais au double prévu ! ! ! J'ai remarqué que le rendement de mon installation avait augmenté après l'ajustage du débit.
Par faible ensoleillement ou delta T, il est recommandé de réduire le débit afin de favoriser l'échange.
J'ai remarqué avec mes capteurs verticaux que la différence de température entre le haut et le bas est relativement importante. Ce qui, pour des capteurs deux fois moindre en hauteur diminue cette différence.
Il faut comparer les coefficients entre les modèles.
Mais ceci est un détail car dans le 31 tu auras beaucoup + de soleil qu'en Alsace !
Il conviendra à bien ajuster ton débit par rapport à la recommandation du constructeur. Ceci m'a obligé à ajouter une mesure de débit, car même avec les calculs j'étais au double prévu ! ! ! J'ai remarqué que le rendement de mon installation avait augmenté après l'ajustage du débit.
Jean-Matthieu
__________________________
6,6 m² de capteurs GM Tinox en autovidange et PV 215 Wc en auto-consommation
300 l d'ECS Solaire et 500 l couplés au plancher chauffant
CR APPER, rubrique "en pratique", "Solaire thermique en autovidange"
__________________________
6,6 m² de capteurs GM Tinox en autovidange et PV 215 Wc en auto-consommation
300 l d'ECS Solaire et 500 l couplés au plancher chauffant
CR APPER, rubrique "en pratique", "Solaire thermique en autovidange"
-
ced31
- Stagiaire Solaire

- Messages : 112
- Enregistré le : jeu. juil. 11, 2013 6:19 am
- Localisation : Cugnaux (31)
- Contact :
Bonjour,
OK pour la différence plus importante entre le haut et le bas. Je n'y aurais pas pensé...
Sinon, j'ai mis au propre mon schéma. J'attends les critiques...
Merci et A+
OK pour la différence plus importante entre le haut et le bas. Je n'y aurais pas pensé...
Sinon, j'ai mis au propre mon schéma. J'attends les critiques...
Merci et A+
Modifié en dernier par ced31 le mar. sept. 10, 2013 8:31 am, modifié 1 fois.
-
nafan
- Stagiaire Solaire

- Messages : 78
- Enregistré le : lun. mars 11, 2013 14:53 pm
- Localisation : Mérignac (33)
Bonsoir ced31,
Je viens de découvrir ton sujet, et je crois comprendre que tu as installé un NIOX2 de 1000 l ?
J'ai un peu échangé avec MontEric au sujet de ce ballon au printemps (il a installé un 1500L), et je m'apprête à en commander un dès que j'aurai tranché entre 800 et 1000 L...
Sur ton schéma, tu fais apparaitre 5 panneaux, soit 10m² de surface. C'est ton estimation définitive ?
J'ai actuellement 7 panneaux ALLIANTZ FK7220 en service (soit 13m² de surface de captage). En proportion, et même si mes panneaux ne sont pas idéalement exposés, je pense qu'il me faut 1000 L.
(A propos d'exposition, j'ai été comme toi étonné du peu d'incidence dans CalSol d'une orientation SE ou SO plutôt que plein sud...)
Je viens de découvrir ton sujet, et je crois comprendre que tu as installé un NIOX2 de 1000 l ?
J'ai un peu échangé avec MontEric au sujet de ce ballon au printemps (il a installé un 1500L), et je m'apprête à en commander un dès que j'aurai tranché entre 800 et 1000 L...
Sur ton schéma, tu fais apparaitre 5 panneaux, soit 10m² de surface. C'est ton estimation définitive ?
J'ai actuellement 7 panneaux ALLIANTZ FK7220 en service (soit 13m² de surface de captage). En proportion, et même si mes panneaux ne sont pas idéalement exposés, je pense qu'il me faut 1000 L.
(A propos d'exposition, j'ai été comme toi étonné du peu d'incidence dans CalSol d'une orientation SE ou SO plutôt que plein sud...)
Modifié en dernier par nafan le mar. sept. 10, 2013 1:00 am, modifié 2 fois.
- monteric
- Modérateur

- Messages : 1790
- Enregistré le : sam. sept. 10, 2011 17:50 pm
- Localisation : Chavilleu (01)
- Contact :
Bonjour Ced31,
Quelques remarques par rapport a ton schéma et les infos que tu as donner.
Si j'ai bien lu tu as pris un ballon Niox2 donc tu devrais avoir comme chez moi deux echangeurs et un ECS instantané. Dans ce cas sur ton schema c'est bien le serpentin ECS qui va aller sur ton cumulus et il te reste donc deux serpentins que je te conseil d'utiliser pour le solaire (stratification active, enfin dans l'esprit). Cela est vraiment un gros plus, sur mon installation soit je passe par les deux echangeurs, soit que dans celui du bas.
Autre point, je ne suis pas sur que ce soit une bonne idée de mettre sur le meme circuit les PC et les radiateurs.
Chez moi j'ai aussi des radiateur basse température mais il faut tout de meme se rapprocher des 45° parfois et ce n'est pas le cas des PC.
Ceci dit, encore une fois nous ne sommes pas géographiquement au meme endroit et tu vas chauffer bien moins qu'ici
A+
Eric
Quelques remarques par rapport a ton schéma et les infos que tu as donner.
Si j'ai bien lu tu as pris un ballon Niox2 donc tu devrais avoir comme chez moi deux echangeurs et un ECS instantané. Dans ce cas sur ton schema c'est bien le serpentin ECS qui va aller sur ton cumulus et il te reste donc deux serpentins que je te conseil d'utiliser pour le solaire (stratification active, enfin dans l'esprit). Cela est vraiment un gros plus, sur mon installation soit je passe par les deux echangeurs, soit que dans celui du bas.
Autre point, je ne suis pas sur que ce soit une bonne idée de mettre sur le meme circuit les PC et les radiateurs.
Chez moi j'ai aussi des radiateur basse température mais il faut tout de meme se rapprocher des 45° parfois et ce n'est pas le cas des PC.
Ceci dit, encore une fois nous ne sommes pas géographiquement au meme endroit et tu vas chauffer bien moins qu'ici
A+
Eric
20 m²thermique, Poele bouilleur, Chaudiere granulé, UVR16X2 + UVR610
Photovoltaïque : environ 1kWc, CADOE-OPP
Capteur à Air (façon Guy Isabel)
Suivre l'installation : http://chavillieu.cadoe.net
Association : http://ateliersvertssolaire.com
Photovoltaïque : environ 1kWc, CADOE-OPP
Capteur à Air (façon Guy Isabel)
Suivre l'installation : http://chavillieu.cadoe.net
Association : http://ateliersvertssolaire.com
-
ced31
- Stagiaire Solaire

- Messages : 112
- Enregistré le : jeu. juil. 11, 2013 6:19 am
- Localisation : Cugnaux (31)
- Contact :
Bonjour,Bonjour Ced31,
Quelques remarques par rapport a ton schéma et les infos que tu as donner.
Si j'ai bien lu tu as pris un ballon Niox2 donc tu devrais avoir comme chez moi deux echangeurs et un ECS instantané. Dans ce cas sur ton schema c'est bien le serpentin ECS qui va aller sur ton cumulus et il te reste donc deux serpentins que je te conseil d'utiliser pour le solaire (stratification active, enfin dans l'esprit). Cela est vraiment un gros plus, sur mon installation soit je passe par les deux echangeurs, soit que dans celui du bas.
Autre point, je ne suis pas sur que ce soit une bonne idée de mettre sur le meme circuit les PC et les radiateurs.
Chez moi j'ai aussi des radiateur basse température mais il faut tout de meme se rapprocher des 45° parfois et ce n'est pas le cas des PC.
Ceci dit, encore une fois nous ne sommes pas géographiquement au meme endroit et tu vas chauffer bien moins qu'ici Cool 2
A+
Eric
Mon ballon est bien un niox2. Je pensais utiliser le serpentin du haut pour l'insert bouilleur.
Pour ce qui est des radiateurs BT, c'est ce que j'ai dans ma précédente maison et cela ne marche pas trop mal. Il faut juste que je puisse faire tourner les radiateurs même s'il fait suffisamment chaud dans le séjour (il me faut 2 thermostats).
A+
CED
Modifié en dernier par ced31 le mar. sept. 10, 2013 8:41 am, modifié 1 fois.
-
ced31
- Stagiaire Solaire

- Messages : 112
- Enregistré le : jeu. juil. 11, 2013 6:19 am
- Localisation : Cugnaux (31)
- Contact :
[quote="nafan"]Bonsoir ced31,
Je viens de découvrir ton sujet, et je crois comprendre que tu as installé un NIOX2 de 1000 l ?
J'ai un peu échangé avec MontEric au sujet de ce ballon au printemps (il a installé un 1500L), et je m'apprête à en commander un dès que j'aurai tranché entre 800 et 1000 L...
Sur ton schéma, tu fais apparaitre 5 panneaux, soit 10m² de surface. C'est ton estimation définitive ?
J'ai actuellement 7 panneaux ALLIANTZ FK7220 en service (soit 13m² de surface de captage). En proportion, et même si mes panneaux ne sont pas idéalement exposés, je pense qu'il me faut 1000 L.
(A propos d'exposition, j'ai été comme toi étonné du peu d'incidence dans CalSol d'une orientation SE ou SO plutôt que plein sud...)[/quote]
Bonjour,
Pour le nombre de panneaux, ce n'est pas encore défini. Mais je pensais mettre entre 10 et 12 m2 environ.
A+
CED
Je viens de découvrir ton sujet, et je crois comprendre que tu as installé un NIOX2 de 1000 l ?
J'ai un peu échangé avec MontEric au sujet de ce ballon au printemps (il a installé un 1500L), et je m'apprête à en commander un dès que j'aurai tranché entre 800 et 1000 L...
Sur ton schéma, tu fais apparaitre 5 panneaux, soit 10m² de surface. C'est ton estimation définitive ?
J'ai actuellement 7 panneaux ALLIANTZ FK7220 en service (soit 13m² de surface de captage). En proportion, et même si mes panneaux ne sont pas idéalement exposés, je pense qu'il me faut 1000 L.
(A propos d'exposition, j'ai été comme toi étonné du peu d'incidence dans CalSol d'une orientation SE ou SO plutôt que plein sud...)[/quote]
Bonjour,
Pour le nombre de panneaux, ce n'est pas encore défini. Mais je pensais mettre entre 10 et 12 m2 environ.
A+
CED
- monteric
- Modérateur

- Messages : 1790
- Enregistré le : sam. sept. 10, 2011 17:50 pm
- Localisation : Chavilleu (01)
- Contact :
On a déjà pas mal échanger sur se sujet et c'est une mauvaise idée de mettre un poele bouilleur sur ces échangeurs.Bonjour,
Mon ballon est bien un niox2. Je pensais utiliser le serpentin du haut pour l'insert bouilleur.
.....
A+
CED
En effet l'échange est limité et tu risques fort de venir rapidement en surchauffe sur ton poele
Le mieux est de connecter directement ton Poele sur le ballon et pour ma part je t'invite a le connecter en partie haute et partie basse. De cette facon tu peux au mieux chauffer tout ton ballon si tu as besoin sinon grace a la régulation de chauffer simplement la partie haute.
Sinon le fait d'entrer via l'ECS instantané sur ton cumulus + un serpentin qui vient du poele et j'imagine une résistance électrique, la tu mets la ceinture et les bretelles
Peut etre simplifier en mettant juste l'ECS instantanée qui peut etre aussi chauffé par ton poele, non ?
Perso j'aurais tendance a dire que vu ta position géographique l'ECS Instantanée va suffir avec peut etre de temps en temps un ajustement par la résistance électrique ou par ton poele car ca va etre les mêmes jours ou tu auras besoin de chauffage (pas de soleil).
A+
Eric
20 m²thermique, Poele bouilleur, Chaudiere granulé, UVR16X2 + UVR610
Photovoltaïque : environ 1kWc, CADOE-OPP
Capteur à Air (façon Guy Isabel)
Suivre l'installation : http://chavillieu.cadoe.net
Association : http://ateliersvertssolaire.com
Photovoltaïque : environ 1kWc, CADOE-OPP
Capteur à Air (façon Guy Isabel)
Suivre l'installation : http://chavillieu.cadoe.net
Association : http://ateliersvertssolaire.com
-
ced31
- Stagiaire Solaire

- Messages : 112
- Enregistré le : jeu. juil. 11, 2013 6:19 am
- Localisation : Cugnaux (31)
- Contact :
Rebonjour,monteric a écrit :On a déjà pas mal échanger sur se sujet et c'est une mauvaise idée de mettre un poele bouilleur sur ces échangeurs.Bonjour,
Mon ballon est bien un niox2. Je pensais utiliser le serpentin du haut pour l'insert bouilleur.
.....
A+
CED
En effet l'échange est limité et tu risques fort de venir rapidement en surchauffe sur ton poele![]()
Le mieux est de connecter directement ton Poele sur le ballon et pour ma part je t'invite a le connecter en partie haute et partie basse. De cette facon tu peux au mieux chauffer tout ton ballon si tu as besoin sinon grace a la régulation de chauffer simplement la partie haute.
Sinon le fait d'entrer via l'ECS instantané sur ton cumulus + un serpentin qui vient du poele et j'imagine une résistance électrique, la tu mets la ceinture et les bretelles![]()
Peut etre simplifier en mettant juste l'ECS instantanée qui peut etre aussi chauffé par ton poele, non ?
Perso j'aurais tendance a dire que vu ta position géographique l'ECS Instantanée va suffir avec peut etre de temps en temps un ajustement par la résistance électrique ou par ton poele car ca va etre les mêmes jours ou tu auras besoin de chauffage (pas de soleil).
A+
Eric
OK pour brancher les deux serpentins du niox2 sur le solaire. Mais cela va compliquer un peu la régulation. Il faut que je rajoute une vanne 3V motorisée et probablement une sonde supplémentaire dans le ballon.
Pour le ballon d'ECS, voilà pourquoi j'ai choisi un avec serpentin pour pouvoir le chauffer par le poele :
Tout d'abord, je veux essayer d'éviter au maximum d'utiliser la résistance élec. Normal... Après une nuit d'hiver où le chauffage aura puisé dans le ballon tampon, la température d'ECS instantanée du BT ne sera probablement pas bien chaude et alimentera mon cumulus après les douches du matin. La température du cumulus sera remontée le soir en faisant tourner le poele.
Les jours où je ne ferai pas de feu, en mi saison chaude ou l'été, je pense que l'ECS instantanée du BT sera suffisament chaude.
A+
CED
- Jean-Matthieu STRICKER
- Expert Solaire

- Messages : 592
- Enregistré le : mer. avr. 04, 2012 10:36 am
- Localisation : 67610 LA WANTZENAU (Strasbourg nord)
- Contact :
Bonjour CED,
Par mon installation avec 2 ballons en série je te conseille de très bien isoler la conduite entre les 2 ballons et sur-isoler le ballon supérieur.
Avec ce système, si on ne soutire pas pendant qq jours, le contenu du ballon supérieur se refroidi....
Par mon installation avec 2 ballons en série je te conseille de très bien isoler la conduite entre les 2 ballons et sur-isoler le ballon supérieur.
Avec ce système, si on ne soutire pas pendant qq jours, le contenu du ballon supérieur se refroidi....
Modifié en dernier par Jean-Matthieu STRICKER le mar. sept. 10, 2013 19:57 pm, modifié 1 fois.
Jean-Matthieu
__________________________
6,6 m² de capteurs GM Tinox en autovidange et PV 215 Wc en auto-consommation
300 l d'ECS Solaire et 500 l couplés au plancher chauffant
CR APPER, rubrique "en pratique", "Solaire thermique en autovidange"
__________________________
6,6 m² de capteurs GM Tinox en autovidange et PV 215 Wc en auto-consommation
300 l d'ECS Solaire et 500 l couplés au plancher chauffant
CR APPER, rubrique "en pratique", "Solaire thermique en autovidange"
- AD 44
- Maitre Solaire

- Messages : 1389
- Enregistré le : mer. janv. 11, 2012 12:39 pm
- Localisation : Divatte sur Loire
Bonjour,
[quote="Jean-Matthieu STRICKER"]avec 2 ballons en série je te conseille de très bien isoler la conduite entre les 2 ballons et sur-isoler le ballon supérieur.
Avec ce système, si on ne soutire pas pendant qq jours, le contenu du ballon supérieur se refroidi....[/quote]
C'est ce que je pense également (bon pas l'expérience nécessaire sans doute pour bien étayer).
Avec un stock solaire au début du circuit qui lui est à priori régulièrement rechargé en calories; le second, lui est juste là pour conserver le remplissage via le premier à chaque soutirage.
Du coup, comme le second stock n'a pas d'apports calorifique(sauf si résistance branchée pour grimper la T° une fois par jour), ben ce second stock tiédit.
Et on se retrouve avec un premier stock solaire à "haute" température et de de l'eau tiède sous la douche...
[quote="Jean-Matthieu STRICKER"]avec 2 ballons en série je te conseille de très bien isoler la conduite entre les 2 ballons et sur-isoler le ballon supérieur.
Avec ce système, si on ne soutire pas pendant qq jours, le contenu du ballon supérieur se refroidi....[/quote]
C'est ce que je pense également (bon pas l'expérience nécessaire sans doute pour bien étayer).
Avec un stock solaire au début du circuit qui lui est à priori régulièrement rechargé en calories; le second, lui est juste là pour conserver le remplissage via le premier à chaque soutirage.
Du coup, comme le second stock n'a pas d'apports calorifique(sauf si résistance branchée pour grimper la T° une fois par jour), ben ce second stock tiédit.
Et on se retrouve avec un premier stock solaire à "haute" température et de de l'eau tiède sous la douche...
Modifié en dernier par AD 44 le mar. sept. 10, 2013 21:11 pm, modifié 1 fois.
CESI 300L + radiateur - 4.5m² tinox
PV 930Wc auto-conso
Puits climatique + DF
(je ponce...donc...j'essuie)
PV 930Wc auto-conso
Puits climatique + DF
(je ponce...donc...j'essuie)
-
ced31
- Stagiaire Solaire

- Messages : 112
- Enregistré le : jeu. juil. 11, 2013 6:19 am
- Localisation : Cugnaux (31)
- Contact :
[quote="AD 44"]Bonjour,
[referp=98210;quote="Jean-Matthieu STRICKER"]avec 2 ballons en série je te conseille de très bien isoler la conduite entre les 2 ballons et sur-isoler le ballon supérieur.
Avec ce système, si on ne soutire pas pendant qq jours, le contenu du ballon supérieur se refroidi....[/quote]
C'est ce que je pense également (bon pas l'expérience nécessaire sans doute pour bien étayer).
Avec un stock solaire au début du circuit qui lui est à priori régulièrement rechargé en calories; le second, lui est juste là pour conserver le remplissage via le premier à chaque soutirage.
Du coup, comme le second stock n'a pas d'apports calorifique(sauf si résistance branchée pour grimper la T° une fois par jour), ben ce second stock tiédit.
Et on se retrouve avec un premier stock solaire à "haute" température et de de l'eau tiède sous la douche...
[/quote]
Bonjour,
Vu que mon ballon ECS est isolé avec seulement 25 (ou 35 je ne sais plus) mm de PU, je pensais le faire. Sinon, l'ECS sera maintenu à bonne température grace au serpentin relié au poele bouilleur lorsque je ferai du feu. Cela ne m'empèchera pas de surisoler le ballon et la liaison...
A+
CED
[referp=98210;quote="Jean-Matthieu STRICKER"]avec 2 ballons en série je te conseille de très bien isoler la conduite entre les 2 ballons et sur-isoler le ballon supérieur.
Avec ce système, si on ne soutire pas pendant qq jours, le contenu du ballon supérieur se refroidi....[/quote]
C'est ce que je pense également (bon pas l'expérience nécessaire sans doute pour bien étayer).
Avec un stock solaire au début du circuit qui lui est à priori régulièrement rechargé en calories; le second, lui est juste là pour conserver le remplissage via le premier à chaque soutirage.
Du coup, comme le second stock n'a pas d'apports calorifique(sauf si résistance branchée pour grimper la T° une fois par jour), ben ce second stock tiédit.
Et on se retrouve avec un premier stock solaire à "haute" température et de de l'eau tiède sous la douche...
Bonjour,
Vu que mon ballon ECS est isolé avec seulement 25 (ou 35 je ne sais plus) mm de PU, je pensais le faire. Sinon, l'ECS sera maintenu à bonne température grace au serpentin relié au poele bouilleur lorsque je ferai du feu. Cela ne m'empèchera pas de surisoler le ballon et la liaison...
A+
CED
-
ced31
- Stagiaire Solaire

- Messages : 112
- Enregistré le : jeu. juil. 11, 2013 6:19 am
- Localisation : Cugnaux (31)
- Contact :
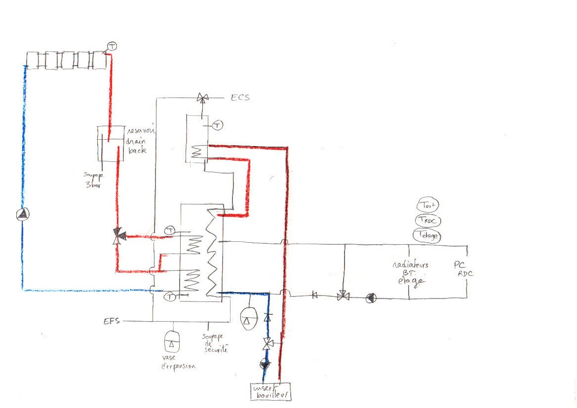
Rebonjour,
Mon nouveau schéma d'installation :
- suppression de la vanne 3V pour sélectionner le chauffage d'ECS ou le BT par le poele : passage systématique dans le ballon d'ECS : des avis?
- poele relié directement au ballon au lieu du serpentin et le deuxième serpentin relié au solaire : ca fait gagner un vase d'expansion mais une V3V supplémentaire.
-Pour la sécurité surchauffe du poele, existe t'il des vannes qui fonctionnent sans électricité pour injecter de l'EFS en cas de surchauffe?
- Pour la régulation, je pensais prendre une genius +. Sera t'elle suffisante pour gérer toute l'installation (poele , solaire et chauffage)?
Merci pour vos avis
A+
CED
Mon nouveau schéma d'installation :
- suppression de la vanne 3V pour sélectionner le chauffage d'ECS ou le BT par le poele : passage systématique dans le ballon d'ECS : des avis?
- poele relié directement au ballon au lieu du serpentin et le deuxième serpentin relié au solaire : ca fait gagner un vase d'expansion mais une V3V supplémentaire.
-Pour la sécurité surchauffe du poele, existe t'il des vannes qui fonctionnent sans électricité pour injecter de l'EFS en cas de surchauffe?
- Pour la régulation, je pensais prendre une genius +. Sera t'elle suffisante pour gérer toute l'installation (poele , solaire et chauffage)?
Merci pour vos avis
A+
CED
- Jean-Matthieu STRICKER
- Expert Solaire

- Messages : 592
- Enregistré le : mer. avr. 04, 2012 10:36 am
- Localisation : 67610 LA WANTZENAU (Strasbourg nord)
- Contact :
Bonjour,
bonne progression Ced !
Je ne comprend pas l'utilité de la V3V du côté de l'insert bouilleur ?
Le clapet AR se suffit pas ?
Pour faire simple avec le bouilleur tu peux avoir un thermostat qui enclenche le circulateur à partir de 60 à 70°C dans le poêle
Un autre thermostat ou sonde en bas du stock ou bien sur le départ de l'insert peut activer un voyant ou fermer l'arrivée d'air si la température est à 90°C.
Je réfléchit a cette éventuelle situation pour une installation future d'un poêle bouilleur.
Pour la sécurité il existe des soupapes thermiques prévue pour cet usage. Il est recommandé d'en mettre une pour palier à toute défaillance de l'électronique. A défaut, il faut une soupape de sécurité 3 bar sur le circuit de chauffage (en général elle est incorporée dans la chaudière)
De mon côté les pertes entre ballons ont été résolues par une isolation copieuse !
bonne progression Ced !
Je ne comprend pas l'utilité de la V3V du côté de l'insert bouilleur ?
Le clapet AR se suffit pas ?
Pour faire simple avec le bouilleur tu peux avoir un thermostat qui enclenche le circulateur à partir de 60 à 70°C dans le poêle
Un autre thermostat ou sonde en bas du stock ou bien sur le départ de l'insert peut activer un voyant ou fermer l'arrivée d'air si la température est à 90°C.
Je réfléchit a cette éventuelle situation pour une installation future d'un poêle bouilleur.
Pour la sécurité il existe des soupapes thermiques prévue pour cet usage. Il est recommandé d'en mettre une pour palier à toute défaillance de l'électronique. A défaut, il faut une soupape de sécurité 3 bar sur le circuit de chauffage (en général elle est incorporée dans la chaudière)
De mon côté les pertes entre ballons ont été résolues par une isolation copieuse !
Modifié en dernier par Jean-Matthieu STRICKER le mer. sept. 11, 2013 8:51 am, modifié 2 fois.
Jean-Matthieu
__________________________
6,6 m² de capteurs GM Tinox en autovidange et PV 215 Wc en auto-consommation
300 l d'ECS Solaire et 500 l couplés au plancher chauffant
CR APPER, rubrique "en pratique", "Solaire thermique en autovidange"
__________________________
6,6 m² de capteurs GM Tinox en autovidange et PV 215 Wc en auto-consommation
300 l d'ECS Solaire et 500 l couplés au plancher chauffant
CR APPER, rubrique "en pratique", "Solaire thermique en autovidange"
- monteric
- Modérateur

- Messages : 1790
- Enregistré le : sam. sept. 10, 2011 17:50 pm
- Localisation : Chavilleu (01)
- Contact :
Salut Ced,
Concernant le passage systématique dans l'ECS, mon avis est que c'est risqué!
Je pense que ton ballon sera de petite capacité et il y a surement un risque de saturation cette fois du ballon ce qui va au mieux t'obliger d’arrêter le poele ! Je sais ca fait des V3V en plus mais ca permet plus de souplesse et surement moins de risque.
Pour la V3V apres le poele, c'est plutot un Thermovar qu'il faut, il en existe de plusieurs capacité, il faut regardé les préconisation du constructeur du poele, sur le mien c'est autour de 50 à 55°.
Pour la sécurité, normalement les poeles ont un dispositif, par exemple celui que j'ai a un systeme d'injection d'eau froide dans la partie bouilleur...
Coté régulation pourquoi ne pas voir avec Patrick et son Maxisun qui va largement couvrir tes besoins ?
Je sais, meme si je suis encore sur l'UVR qui est vraiment bien, je teste tranquillement la regulation de Patrick et franchement pour une installation comme la tienne ....
A+
Eric
Concernant le passage systématique dans l'ECS, mon avis est que c'est risqué!
Je pense que ton ballon sera de petite capacité et il y a surement un risque de saturation cette fois du ballon ce qui va au mieux t'obliger d’arrêter le poele ! Je sais ca fait des V3V en plus mais ca permet plus de souplesse et surement moins de risque.
Pour la V3V apres le poele, c'est plutot un Thermovar qu'il faut, il en existe de plusieurs capacité, il faut regardé les préconisation du constructeur du poele, sur le mien c'est autour de 50 à 55°.
Pour la sécurité, normalement les poeles ont un dispositif, par exemple celui que j'ai a un systeme d'injection d'eau froide dans la partie bouilleur...
Coté régulation pourquoi ne pas voir avec Patrick et son Maxisun qui va largement couvrir tes besoins ?
Je sais, meme si je suis encore sur l'UVR qui est vraiment bien, je teste tranquillement la regulation de Patrick et franchement pour une installation comme la tienne ....
A+
Eric
20 m²thermique, Poele bouilleur, Chaudiere granulé, UVR16X2 + UVR610
Photovoltaïque : environ 1kWc, CADOE-OPP
Capteur à Air (façon Guy Isabel)
Suivre l'installation : http://chavillieu.cadoe.net
Association : http://ateliersvertssolaire.com
Photovoltaïque : environ 1kWc, CADOE-OPP
Capteur à Air (façon Guy Isabel)
Suivre l'installation : http://chavillieu.cadoe.net
Association : http://ateliersvertssolaire.com