Maison passive entièrement solaire
Modérateurs : ramses, Balajol, monteric, ametpierre, j2c
- Balajol
- Modérateur

- Messages : 2474
- Enregistré le : dim. avr. 03, 2011 23:27 pm
- Localisation : Saint-OMER 62
Bonjour Evo-2,
Au fur et à mesure de ta lecture tu vas trouver des éléments,astuces, adaptés à ton cas et de ce fait te construire quelque chose parfaitement adapté à tes besoins, compétences techniques et possibilité financières.
La meilleure solution est celle qui te convient
Bonne lecture et à bientôt pour ton projet.
Cordialement
Bertrand
Au fur et à mesure de ta lecture tu vas trouver des éléments,astuces, adaptés à ton cas et de ce fait te construire quelque chose parfaitement adapté à tes besoins, compétences techniques et possibilité financières.
La meilleure solution est celle qui te convient
Bonne lecture et à bientôt pour ton projet.
Cordialement
Bertrand
-6 m2 en auto-vidange (Circuit Fermé, eau pure sans glycol), Capteurs sous polycarbonate 16 mm (toiture local)
-9 m2 WEISHAUPT et ballon 1000L circuit pressurisé glycolé ; 2 Solareg Genius II; Domoticz
Compte rendu de mon installation ici(1er champ)
-9 m2 WEISHAUPT et ballon 1000L circuit pressurisé glycolé ; 2 Solareg Genius II; Domoticz
Compte rendu de mon installation ici(1er champ)
- evo-2
- Newbie

- Messages : 37
- Enregistré le : lun. avr. 16, 2012 0:43 am
- Localisation : Welkenraedt , Belgique
Voila en continuant mes investigation je rencontre un boiler solaire de la marque consolar
Qui d'apprêt pas mal de gens es super il fait ecs par un serpentin hygiénique
Et l'eau pour le chauffage es prise dans l'eau morte du ballon comme j'ai put comprendre connaissez vous se genre de système ou équivalent
Cordialement
Qui d'apprêt pas mal de gens es super il fait ecs par un serpentin hygiénique
Et l'eau pour le chauffage es prise dans l'eau morte du ballon comme j'ai put comprendre connaissez vous se genre de système ou équivalent
Cordialement
Mieux vaut être saoul, que con
Ça dure moins longtemps !
Ça dure moins longtemps !
- Balajol
- Modérateur

- Messages : 2474
- Enregistré le : dim. avr. 03, 2011 23:27 pm
- Localisation : Saint-OMER 62
Bonsoir evo-2,
Récemment Monteric a démarré ce post:
http://forum.apper-solaire.org/viewtopi ... highlight=
Cordialement
Bertrand
Récemment Monteric a démarré ce post:
http://forum.apper-solaire.org/viewtopi ... highlight=
Cordialement
Bertrand
-6 m2 en auto-vidange (Circuit Fermé, eau pure sans glycol), Capteurs sous polycarbonate 16 mm (toiture local)
-9 m2 WEISHAUPT et ballon 1000L circuit pressurisé glycolé ; 2 Solareg Genius II; Domoticz
Compte rendu de mon installation ici(1er champ)
-9 m2 WEISHAUPT et ballon 1000L circuit pressurisé glycolé ; 2 Solareg Genius II; Domoticz
Compte rendu de mon installation ici(1er champ)
- evo-2
- Newbie

- Messages : 37
- Enregistré le : lun. avr. 16, 2012 0:43 am
- Localisation : Welkenraedt , Belgique
Ben le projet commence a bien se ficeler
Penser vous que l'on peut mettre une citerne tampon avant ce genre de boiler a production ecs instantané et cela en vaut t'il le coup
Car je me dis que les belles journées d hiver se seraient pas mal de pouvoir accumuler la chaleur dans 2 ou 3 mille litre et comme ca de pouvoir chauffer pendant 2 ou 3 jours sons appoint et sans soleil
Enfin se n'es qu’une idée
Et je voulais aussi demander y a t'il vraiment un gain avec des panneaux tube sous vide ou ces beaucoup de blabla car on m'en a proposé pour 500 euro des
Capteur 22 tubes Head pipe
Cela vous parait 'il bon
Cordialement Arnaud
Penser vous que l'on peut mettre une citerne tampon avant ce genre de boiler a production ecs instantané et cela en vaut t'il le coup
Car je me dis que les belles journées d hiver se seraient pas mal de pouvoir accumuler la chaleur dans 2 ou 3 mille litre et comme ca de pouvoir chauffer pendant 2 ou 3 jours sons appoint et sans soleil
Enfin se n'es qu’une idée
Et je voulais aussi demander y a t'il vraiment un gain avec des panneaux tube sous vide ou ces beaucoup de blabla car on m'en a proposé pour 500 euro des
Capteur 22 tubes Head pipe
Cela vous parait 'il bon
Cordialement Arnaud
Mieux vaut être saoul, que con
Ça dure moins longtemps !
Ça dure moins longtemps !
- evo-2
- Newbie

- Messages : 37
- Enregistré le : lun. avr. 16, 2012 0:43 am
- Localisation : Welkenraedt , Belgique
Une autre bête question j'ai utilisé l’outil recherche du forum mais je n'ai rien trouvé sur le sujet traqueur
Vu que je voudrais bien mettre mes capteur dans le fond de mon jardin je me suis dit que se serait pas mal de faire un traqueur de soleil mais je ne trouve rien qui en parle je suis certainement trop bête que pour utiliser la recherche lol
Vu que je voudrais bien mettre mes capteur dans le fond de mon jardin je me suis dit que se serait pas mal de faire un traqueur de soleil mais je ne trouve rien qui en parle je suis certainement trop bête que pour utiliser la recherche lol
Mieux vaut être saoul, que con
Ça dure moins longtemps !
Ça dure moins longtemps !
- Balajol
- Modérateur

- Messages : 2474
- Enregistré le : dim. avr. 03, 2011 23:27 pm
- Localisation : Saint-OMER 62
Bonjour Evo-2,
Pour le "Suivi solaire" tu as ceci dans la section pratique: (A mon avis non indispensable si tu as une expo plein sud)
http://www.apper-solaire.org/?Pratique/40suivi
Pour la comparaison Tube-Plan, tu as ceci:
http://www.apper-solaire.org/?Capteurs
Si tu veux absolument un ballon tampon, le schéma que tu as présenté plus haut est envisageable..
Comme certains te l’on déjà fait remarqué, avec une maison BBC, un appoint Bois n'est il pas suffisant?
Réflexion personnelle qui n'engage que moi
Cordialement
Bertrand
PS: pour la recherche, tu tapes dans la barre GOOGLE Apper et le sujet de ta recherche, bien souvent plus efficace que la recherche interne au site APPER
Pour le "Suivi solaire" tu as ceci dans la section pratique: (A mon avis non indispensable si tu as une expo plein sud)
http://www.apper-solaire.org/?Pratique/40suivi
Pour la comparaison Tube-Plan, tu as ceci:
http://www.apper-solaire.org/?Capteurs
Si tu veux absolument un ballon tampon, le schéma que tu as présenté plus haut est envisageable..
Comme certains te l’on déjà fait remarqué, avec une maison BBC, un appoint Bois n'est il pas suffisant?
Réflexion personnelle qui n'engage que moi
Cordialement
Bertrand
PS: pour la recherche, tu tapes dans la barre GOOGLE Apper et le sujet de ta recherche, bien souvent plus efficace que la recherche interne au site APPER
Modifié en dernier par Balajol le dim. mai 06, 2012 19:54 pm, modifié 3 fois.
-6 m2 en auto-vidange (Circuit Fermé, eau pure sans glycol), Capteurs sous polycarbonate 16 mm (toiture local)
-9 m2 WEISHAUPT et ballon 1000L circuit pressurisé glycolé ; 2 Solareg Genius II; Domoticz
Compte rendu de mon installation ici(1er champ)
-9 m2 WEISHAUPT et ballon 1000L circuit pressurisé glycolé ; 2 Solareg Genius II; Domoticz
Compte rendu de mon installation ici(1er champ)
- Balajol
- Modérateur

- Messages : 2474
- Enregistré le : dim. avr. 03, 2011 23:27 pm
- Localisation : Saint-OMER 62
Bonjour Evo-2
En passant vite fait, il faut déjà correctement brancher les divers echangeurs
(La branche chaude toujours en haut)
Cordialement
Bertrand
En passant vite fait, il faut déjà correctement brancher les divers echangeurs
(La branche chaude toujours en haut)
Cordialement
Bertrand
-6 m2 en auto-vidange (Circuit Fermé, eau pure sans glycol), Capteurs sous polycarbonate 16 mm (toiture local)
-9 m2 WEISHAUPT et ballon 1000L circuit pressurisé glycolé ; 2 Solareg Genius II; Domoticz
Compte rendu de mon installation ici(1er champ)
-9 m2 WEISHAUPT et ballon 1000L circuit pressurisé glycolé ; 2 Solareg Genius II; Domoticz
Compte rendu de mon installation ici(1er champ)
- Balajol
- Modérateur

- Messages : 2474
- Enregistré le : dim. avr. 03, 2011 23:27 pm
- Localisation : Saint-OMER 62
Bonsoir Evo-2 et tous,
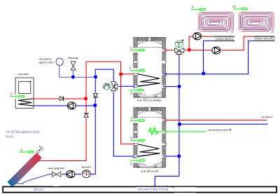
Le circulateur plancher chauffant devrait être sur la branche "froide" surtout dans le sens de circulation représenté;
Le vase d'expension à l'aspiration du circulateur (Ainsi que la soupape non représentée);
Comment récupères tu les calories du ballon tampon 1000 litres, la branche chaude est représentée mais pas la froide ainsi que le circulateur
Le circuit plancher chauffant serait beaucoup mieux sur le ballon 1000 litres que sur celui de droite, côté ECS la T° est trop importante.
Dans le 1000 litres, une T° de 30° sera utilisable tout en maintenant l'ECS à une T° plus Haute.
Avis personnel bien entendu
Cordialement
Bertrand
Le circulateur plancher chauffant devrait être sur la branche "froide" surtout dans le sens de circulation représenté;
Le vase d'expension à l'aspiration du circulateur (Ainsi que la soupape non représentée);
Comment récupères tu les calories du ballon tampon 1000 litres, la branche chaude est représentée mais pas la froide ainsi que le circulateur
Le circuit plancher chauffant serait beaucoup mieux sur le ballon 1000 litres que sur celui de droite, côté ECS la T° est trop importante.
Dans le 1000 litres, une T° de 30° sera utilisable tout en maintenant l'ECS à une T° plus Haute.
Avis personnel bien entendu
Cordialement
Bertrand
-6 m2 en auto-vidange (Circuit Fermé, eau pure sans glycol), Capteurs sous polycarbonate 16 mm (toiture local)
-9 m2 WEISHAUPT et ballon 1000L circuit pressurisé glycolé ; 2 Solareg Genius II; Domoticz
Compte rendu de mon installation ici(1er champ)
-9 m2 WEISHAUPT et ballon 1000L circuit pressurisé glycolé ; 2 Solareg Genius II; Domoticz
Compte rendu de mon installation ici(1er champ)
- Balajol
- Modérateur

- Messages : 2474
- Enregistré le : dim. avr. 03, 2011 23:27 pm
- Localisation : Saint-OMER 62
Bonsoir evo-2,
La boue est crée par les microrganismes présents dans l'eau, les résiduts métalliques arrachés aux ballons, tuayuteries etc. C'est une pollution de l'eau qui cirule dans le circuit chauffage.
Dans la partie "chauffage" à droite de ton schéma, cela me parait confu
A la base des 2 ballons tu as bien l'eau froide sanitaire qui arrive ( avec une vanne d'isolement)
L'eau chaude sanitaire ressort bien en haut du ballon ECS.
Mais pourquoi une vanne thermostatique qui mélange l'eau froide sanitaire avec le départ chaud plancher chauffant?
L'entrée froide de cette vanne devrait provenir du retour plancher chauffant
Je verrai de même les circulateurs planchers chauffant sur les branches froides avec des clapets Anti retour comme tu as fait sur le circuit primaire.
Cordialement
Bertrand
La boue est crée par les microrganismes présents dans l'eau, les résiduts métalliques arrachés aux ballons, tuayuteries etc. C'est une pollution de l'eau qui cirule dans le circuit chauffage.
Dans la partie "chauffage" à droite de ton schéma, cela me parait confu
A la base des 2 ballons tu as bien l'eau froide sanitaire qui arrive ( avec une vanne d'isolement)
L'eau chaude sanitaire ressort bien en haut du ballon ECS.
Mais pourquoi une vanne thermostatique qui mélange l'eau froide sanitaire avec le départ chaud plancher chauffant?
L'entrée froide de cette vanne devrait provenir du retour plancher chauffant
Je verrai de même les circulateurs planchers chauffant sur les branches froides avec des clapets Anti retour comme tu as fait sur le circuit primaire.
Cordialement
Bertrand
Modifié en dernier par Balajol le jeu. mai 10, 2012 23:57 pm, modifié 1 fois.
-6 m2 en auto-vidange (Circuit Fermé, eau pure sans glycol), Capteurs sous polycarbonate 16 mm (toiture local)
-9 m2 WEISHAUPT et ballon 1000L circuit pressurisé glycolé ; 2 Solareg Genius II; Domoticz
Compte rendu de mon installation ici(1er champ)
-9 m2 WEISHAUPT et ballon 1000L circuit pressurisé glycolé ; 2 Solareg Genius II; Domoticz
Compte rendu de mon installation ici(1er champ)
- evo-2
- Newbie

- Messages : 37
- Enregistré le : lun. avr. 16, 2012 0:43 am
- Localisation : Welkenraedt , Belgique
donc la traduction de boue est juste mais je ne comprenais pas se que sa venais faire la
niveau chauffage j'ai mis une vanne thermostatique parseque je pensait que l'eau au niveau chaud serait toujours a des temperature variable donc avec cette vanne je regule la T° d'entree du chauffage par exemple 35°
pour la boue il y a des solution fiable ?
merci
niveau chauffage j'ai mis une vanne thermostatique parseque je pensait que l'eau au niveau chaud serait toujours a des temperature variable donc avec cette vanne je regule la T° d'entree du chauffage par exemple 35°
pour la boue il y a des solution fiable ?
merci
Mieux vaut être saoul, que con
Ça dure moins longtemps !
Ça dure moins longtemps !
- Balajol
- Modérateur

- Messages : 2474
- Enregistré le : dim. avr. 03, 2011 23:27 pm
- Localisation : Saint-OMER 62
Bonjour Evo-2 ,
Ok pour la regulation de la T° D'entrée plancher chauffant mais tu dois "refroidir" l' eau de ta réserve avec le RETOUR du plancher chauffant et non l'arrivée d'eau froide sanitaire
En page 4 de ce document tu as la régulation T° plancher chauffant avec un mitigeur thermostatique:
http://www.apper-solaire.org/Pages/Fich ... /index.pdf
Tu mélanges une foi de plus les deux circuits
L'arrivée en bas du ballon pour remplissage ok ( avec une vanne d'isolement et un groupe de sécurité ou un clapet pour éviter toute pollution de ton circuit eau sanitaire par le chauffage) Mais l'eau froide sanitaire ne doit pas être connectée à la vanne thermostatique.
35°C en entrée me semble être déjà beaucoup pour une maison BBC
Pour éliminer la boue tu as le pot de décantation comme ceci:
http://www.leguideduchauffage.com/photo ... tation.jpg
Certains le fabriquent avec un filtre
Tu peu aussi traiter l'eau, mais je ne pense pas que cela soit indispensable.
Les utilisateurs de plancher chauffant du FORUM pourront te conseiller bien mieux que moi sur ces points
Cordialement
Bertrand
Ok pour la regulation de la T° D'entrée plancher chauffant mais tu dois "refroidir" l' eau de ta réserve avec le RETOUR du plancher chauffant et non l'arrivée d'eau froide sanitaire
En page 4 de ce document tu as la régulation T° plancher chauffant avec un mitigeur thermostatique:
http://www.apper-solaire.org/Pages/Fich ... /index.pdf
Tu mélanges une foi de plus les deux circuits
L'arrivée en bas du ballon pour remplissage ok ( avec une vanne d'isolement et un groupe de sécurité ou un clapet pour éviter toute pollution de ton circuit eau sanitaire par le chauffage) Mais l'eau froide sanitaire ne doit pas être connectée à la vanne thermostatique.
35°C en entrée me semble être déjà beaucoup pour une maison BBC
Pour éliminer la boue tu as le pot de décantation comme ceci:
http://www.leguideduchauffage.com/photo ... tation.jpg
Certains le fabriquent avec un filtre
Tu peu aussi traiter l'eau, mais je ne pense pas que cela soit indispensable.
Les utilisateurs de plancher chauffant du FORUM pourront te conseiller bien mieux que moi sur ces points
Cordialement
Bertrand
Modifié en dernier par Balajol le ven. mai 11, 2012 15:18 pm, modifié 2 fois.
-6 m2 en auto-vidange (Circuit Fermé, eau pure sans glycol), Capteurs sous polycarbonate 16 mm (toiture local)
-9 m2 WEISHAUPT et ballon 1000L circuit pressurisé glycolé ; 2 Solareg Genius II; Domoticz
Compte rendu de mon installation ici(1er champ)
-9 m2 WEISHAUPT et ballon 1000L circuit pressurisé glycolé ; 2 Solareg Genius II; Domoticz
Compte rendu de mon installation ici(1er champ)
