SSC en complément de chaudière fioul en Vendée
Modérateurs : ramses, Balajol, monteric, ametpierre, j2c, françois34, p_bricoleur
- nicoso
- Etudiant Solaire

- Messages : 177
- Enregistré le : mar. sept. 07, 2010 14:40 pm
- Localisation : treize-septiers (85)
bonjour a tous, nouveau sur le forum, je vous soumets mon projet de SSC en complément de ma chaudière fioul
60 m² plancher chauffant (+projet 60 m² supplémentaire)
70 m² radiateur
1000l de fioul uniquement pour le chauffage
4 personnes
en attendant je fais des relevés journaliers de mes besoins réels durant l'hiver
-t°c A/R de mes circuits radiateur et plancher
-consommation de fioul
-ecs consommation eau et électrique
je vous joins mon installation actuelle 2009, ainsi que non projet modif 1
toutes vos remarques seront les bienvenues
60 m² plancher chauffant (+projet 60 m² supplémentaire)
70 m² radiateur
1000l de fioul uniquement pour le chauffage
4 personnes
en attendant je fais des relevés journaliers de mes besoins réels durant l'hiver
-t°c A/R de mes circuits radiateur et plancher
-consommation de fioul
-ecs consommation eau et électrique
je vous joins mon installation actuelle 2009, ainsi que non projet modif 1
toutes vos remarques seront les bienvenues
- Fichiers joints
-
- schéma chaufferie 2009.pdf
- (787.31 Kio) Téléchargé 329 fois
-
- schema chaufferie modif 1.pdf
- (28.84 Kio) Téléchargé 330 fois
Modifié en dernier par nicoso le mar. déc. 14, 2010 14:00 pm, modifié 1 fois.
- Besson François
- Maitre Solaire

- Messages : 1182
- Enregistré le : jeu. janv. 15, 2009 18:09 pm
- Localisation : Echalas(69)
Bonsoir a tous , et bienvenue Nicoso
J ai toujours du mal avec ces bouteilles , pour le coup , on peut pas dire que ça simplifie l hydrau
Tu prevois de la bi passer ? ça fait 2 v3v en plus
Les deux v3v en sorties d echangeurs plancher et radiateurs , pourquoi ?
5 gm et 2500l , ça va faire tres juste en soutient de chauffage et suite a une discution , il apparait que les foyers bouilleurs et autres poeles ne sont pas toujours au top pour hydrau accumuler , le principale defaut etant la temperature autour de l appareil pour arriver a remplir le ballon
Si la cuve peux supporter la pression d un circuit de chauffage , tu dois pouvoir supprimer 3 echangeurs
J ai toujours du mal avec ces bouteilles , pour le coup , on peut pas dire que ça simplifie l hydrau
Tu prevois de la bi passer ? ça fait 2 v3v en plus
Les deux v3v en sorties d echangeurs plancher et radiateurs , pourquoi ?
5 gm et 2500l , ça va faire tres juste en soutient de chauffage et suite a une discution , il apparait que les foyers bouilleurs et autres poeles ne sont pas toujours au top pour hydrau accumuler , le principale defaut etant la temperature autour de l appareil pour arriver a remplir le ballon
Si la cuve peux supporter la pression d un circuit de chauffage , tu dois pouvoir supprimer 3 echangeurs
Amicalement François
- nicoso
- Etudiant Solaire

- Messages : 177
- Enregistré le : mar. sept. 07, 2010 14:40 pm
- Localisation : treize-septiers (85)
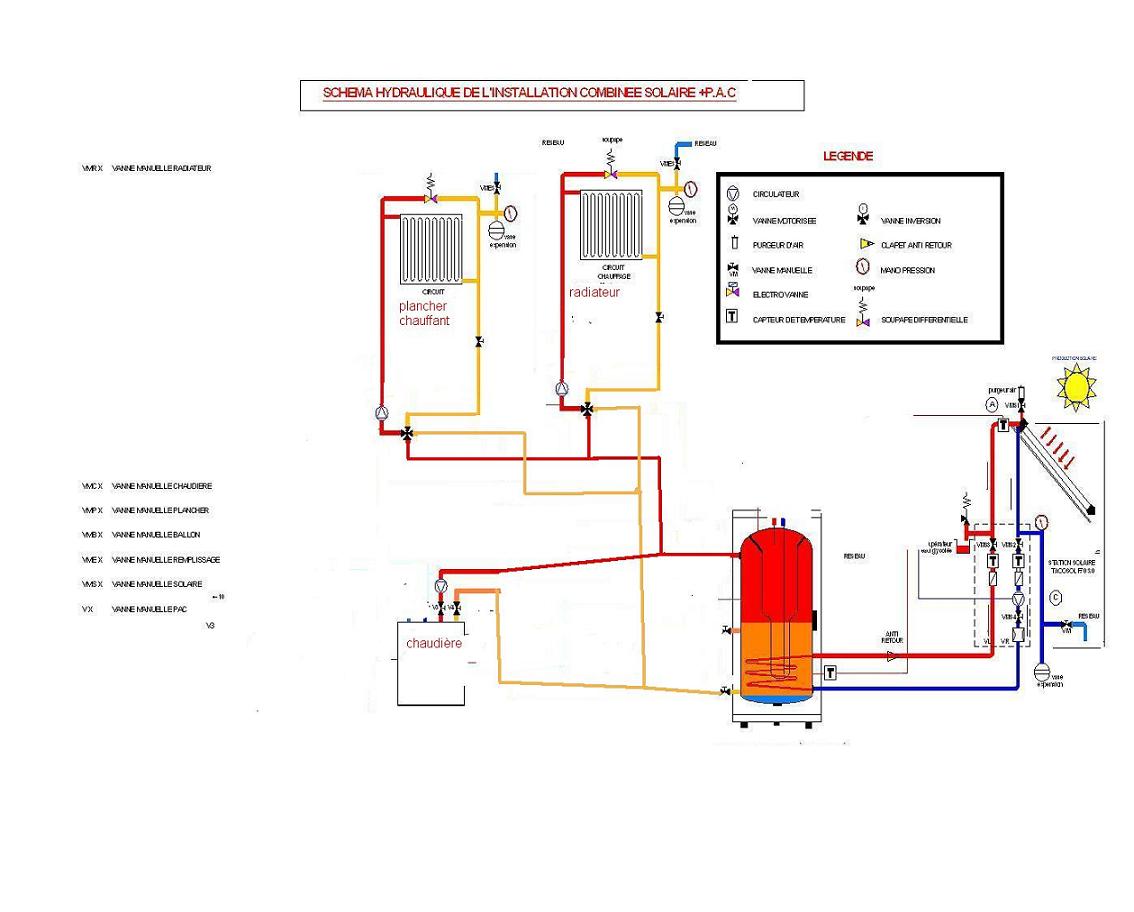
pour simplifier les discutions j'ai numéroté les circulateur (Cir) et les V3V (V) et les 4 réseaux -chaudière (Ch) -radiateur (Rad) -plancher chauffant (Pc) et-(solair)
V Rad 1 et V Pc 1 (V3V manuelle) me permet de basculer de l'installation d'origine a la nouvelle en cas de travaux ou de panne
V2 me permet de by-passé l'échangeur de la cuve d'eau morte, et V3 de by-passé la bouteille de mélange qui est chauffé par la chaudière
V RAd 3 peut être supprimé vu que le circuit radiateur fonctionne a une t°c plus élevé que le PC
pour la cuve, je pensais utiliser une cuve a fioul de 1500 ou 2000 litre donc sans préssion qui puisse passer par une porte de 90 cm
la surface de capteur n'est pas encore calculé, ça dépendra de mes besoins, j'en serais plus a la fin de l'hiver
le circuit cheminée est en projet, je n'ai que le conduit de fumée pour l'instant, mais il plus facile de prévoir un échangeur a l'avance qu'après
V Rad 1 et V Pc 1 (V3V manuelle) me permet de basculer de l'installation d'origine a la nouvelle en cas de travaux ou de panne
V2 me permet de by-passé l'échangeur de la cuve d'eau morte, et V3 de by-passé la bouteille de mélange qui est chauffé par la chaudière
V RAd 3 peut être supprimé vu que le circuit radiateur fonctionne a une t°c plus élevé que le PC
pour la cuve, je pensais utiliser une cuve a fioul de 1500 ou 2000 litre donc sans préssion qui puisse passer par une porte de 90 cm
la surface de capteur n'est pas encore calculé, ça dépendra de mes besoins, j'en serais plus a la fin de l'hiver
le circuit cheminée est en projet, je n'ai que le conduit de fumée pour l'instant, mais il plus facile de prévoir un échangeur a l'avance qu'après
- Fichiers joints
-
- schema chaufferie modif 1.pdf
- (42.31 Kio) Téléchargé 297 fois
- vile-coyote
- Maitre Solaire

- Messages : 878
- Enregistré le : mar. nov. 06, 2007 12:44 pm
- Localisation : bretagne (56)
salut voisin lointain mais voisin,
bienvenu sur le forum,
joli projet mais quelle usine a gaz,
il me semble que c'est une chaudière a condensation, non ?
pour les ballons du commerce, il n'y a pas un ballon de plus de 1000 l qui passe dans une porte de 90 !
il font tous 100 cm de diamètre.
ensuite pourquoi te complique tu la vie avec la bouteille de mélange existante, autant utiliser la stratification naturelle du ballon de 2000L
enfin et pour finir,
as tu ouvert en grand les robinets de radiateur pour faire baisser la consigne chaudière au max ?
étant moi meme seulement sur radiateurs, je n'imaginais pouvoir avoir un jour par -9°c dehors de l'eau a 35 dans mes radiateurs sans avoir froid !
tout est possible
A+ et surtout au plaisir de lire tes relevés, et ton étude préalable.
bienvenu sur le forum,
joli projet mais quelle usine a gaz,
il me semble que c'est une chaudière a condensation, non ?
pour les ballons du commerce, il n'y a pas un ballon de plus de 1000 l qui passe dans une porte de 90 !
il font tous 100 cm de diamètre.
ensuite pourquoi te complique tu la vie avec la bouteille de mélange existante, autant utiliser la stratification naturelle du ballon de 2000L
enfin et pour finir,
as tu ouvert en grand les robinets de radiateur pour faire baisser la consigne chaudière au max ?
étant moi meme seulement sur radiateurs, je n'imaginais pouvoir avoir un jour par -9°c dehors de l'eau a 35 dans mes radiateurs sans avoir froid !
tout est possible
A+ et surtout au plaisir de lire tes relevés, et ton étude préalable.
mon ancienne installation https://www.apper-solaire.org/Pages/Experiences/Delcourt%20Bertrand%2085/ses%2020m2%20de%20capteurs%20tubes%20et%20son%20ballon%20combi/index.htm
bientôt un nouveau projet solaire thermique
bientôt un nouveau projet solaire thermique
- nicoso
- Etudiant Solaire

- Messages : 177
- Enregistré le : mar. sept. 07, 2010 14:40 pm
- Localisation : treize-septiers (85)
joli projet mais quelle usine a gaz, Lol
les vannes 3V manuelles (V Rad 1 et V Pc 1) sont la pour passer du circuit d'origine au circuit ballon solaire quand mon installation sera prète
il me semble que c'est une chaudière a condensation, non ?
non, c'est une chaudière traditionnel De DIETR...... de 1993
pour les ballons du commerce, il n'y a pas un ballon de plus de 1000 l qui passe dans une porte de 90 ! Roll
c'est pour cela que je me tourne vers une cuve eau morte construite a partir d'une cuve a fioul Rotex de 2000 litres (largeur 80 cm)
a ce sujet si quelqu'un en trouve je suis intéressé
ensuite pourquoi te complique tu la vie avec la bouteille de mélange existante, autant utiliser la stratification naturelle du ballon de 2000L
je garde la bouteille de mélange (qui ne fait que 12 litres) pour simplifier mes raccordements, il reste 2 sorties disponibles
en plus elle chauffe toute seul par thermosiphon quand la chaudière est en marche sans que le circulateur (Cir Ch) soit en marche
as tu ouvert en grand les robinets de radiateur pour faire baisser la consigne chaudière au max ?
ma chaudière est toujours au minimum, consigne a 30°c
par contre je ne sais pas si c'est recommandé pour la corrosion
pour simplifier je refais mon schéma en ne gardant que se qui est nécessaire
Suppression de deux V3V manuelle, une V3V motorisé, un clapet, et l'échangeur cheminée dans la cuve eau morte
ci-joint le schéma modifié simplifié, voir aussi le montage actuelle dans le message 1
a+
- Fichiers joints
-
- schema chaufferie modif 2.pdf
- (41.77 Kio) Téléchargé 282 fois
- vile-coyote
- Maitre Solaire

- Messages : 878
- Enregistré le : mar. nov. 06, 2007 12:44 pm
- Localisation : bretagne (56)
bonsoirà tous,
je te joins un schéma des plus simple, selon mon idée..
c'est très simple,
c'est 2 circuits distincts de gestion de température,
1 départ PC
1 départ radiateur
ca diminue les cycles courts de la chaudière,
et l'installation solaire travaille a la plus basse température nécessaire sur l'installation..
a j'oubliais,
a partir du moment ou tu es sur radiateurs, ton installation devient une fabrique d'eau tiède, les débit étant tellement élevé, que c'est compliqué de bien stratifier. mais ce n'est pas grave, ca marche aussi très bien d'avoir 2000L a 35°C..
au plaisir de te lire
je te joins un schéma des plus simple, selon mon idée..
c'est très simple,
c'est 2 circuits distincts de gestion de température,
1 départ PC
1 départ radiateur
ca diminue les cycles courts de la chaudière,
et l'installation solaire travaille a la plus basse température nécessaire sur l'installation..
a j'oubliais,
a partir du moment ou tu es sur radiateurs, ton installation devient une fabrique d'eau tiède, les débit étant tellement élevé, que c'est compliqué de bien stratifier. mais ce n'est pas grave, ca marche aussi très bien d'avoir 2000L a 35°C..
au plaisir de te lire
Modifié en dernier par vile-coyote le ven. oct. 22, 2010 19:57 pm, modifié 1 fois.
mon ancienne installation https://www.apper-solaire.org/Pages/Experiences/Delcourt%20Bertrand%2085/ses%2020m2%20de%20capteurs%20tubes%20et%20son%20ballon%20combi/index.htm
bientôt un nouveau projet solaire thermique
bientôt un nouveau projet solaire thermique
- Besson François
- Maitre Solaire

- Messages : 1182
- Enregistré le : jeu. janv. 15, 2009 18:09 pm
- Localisation : Echalas(69)
Bonsoir a tous
@ Vile , ton schema ne peux pas fonctionner avec une cuve sans pression ?
@ Nicoso , je me demande quel est l interet des deux echangeurs de reprise sur la cuve
Passé le coté hydrau , il va falloir penser a "gerer" toute ces vannes , si le schema est simple , la regule aussi
@ Vile , ton schema ne peux pas fonctionner avec une cuve sans pression ?
@ Nicoso , je me demande quel est l interet des deux echangeurs de reprise sur la cuve
Passé le coté hydrau , il va falloir penser a "gerer" toute ces vannes , si le schema est simple , la regule aussi
Amicalement François
- nicoso
- Etudiant Solaire

- Messages : 177
- Enregistré le : mar. sept. 07, 2010 14:40 pm
- Localisation : treize-septiers (85)
bonsoir
Vile
- ta chaudière chauffe les circuit chauffages ou le ballon?
- peut tu chauffer avec la chaudière les radiateurs a 35°c et continué a prendre dans le ballon de l'eau a 25°c pour le PC, je pense que non
si j'utilise des échangeurs , il n'y a pas de brassage de l'eau et avec une belle cheminée ça devrait être pas mal
François
c'est pour ne pas mélanger les 2 circuits qui ont des t°c de retour et de départ différente, et ainsi exploité le maxi d'énergie solaire
plusieurs configuration sont possible
1 ballon > 30°c
-échangeur rad et pc en service
2 ballon < 30°c et vanne mélangeuse du pc pas au maxi
-échangeur rad fermé si la t°c retour Rad < au ballon + chaudière en service
-échangeur pc en service
3 ballon < 30°c et vanne mélangeuse du pc au maxi
-échangeur rad fermé si la t°c retour Rad < au ballon+ chaudière en service
-échangeur pc en service + V3V Pc vers la chaudière
4 ballon entre 20 et 30°c et vanne mélangeuse du pc au maxi
-échangeur rad fermé si la t°c retour Rad < au ballon + chaudière en service
-échangeur pc en service + V3V Pc vers la chaudière
5 ballon < 20°c
-chaudière en service
-échangeur rad et pc fermés
sonde de t°c sur
-haut du ballon au niveau des échangeurs
-retour circuit Radiateur
-capteur sur la vanne mélangeuse du pc position maxi
et les 2 sondes de la boucle solaire (capteur et bas du ballon)
+ bas du ballon ecs
soit 5 sondes et 1 capteur de position
a+
Vile
- ta chaudière chauffe les circuit chauffages ou le ballon?
- peut tu chauffer avec la chaudière les radiateurs a 35°c et continué a prendre dans le ballon de l'eau a 25°c pour le PC, je pense que non
a j'oubliais,
a partir du moment ou tu es sur radiateurs, ton installation devient une fabrique d'eau tiède, les débit étant tellement élevé, que c'est compliqué de bien stratifier.
si j'utilise des échangeurs , il n'y a pas de brassage de l'eau et avec une belle cheminée ça devrait être pas mal
François
@ Nicoso , je me demande quel est l interet des deux echangeurs de reprise sur la cuve
c'est pour ne pas mélanger les 2 circuits qui ont des t°c de retour et de départ différente, et ainsi exploité le maxi d'énergie solaire
plusieurs configuration sont possible
1 ballon > 30°c
-échangeur rad et pc en service
2 ballon < 30°c et vanne mélangeuse du pc pas au maxi
-échangeur rad fermé si la t°c retour Rad < au ballon + chaudière en service
-échangeur pc en service
3 ballon < 30°c et vanne mélangeuse du pc au maxi
-échangeur rad fermé si la t°c retour Rad < au ballon+ chaudière en service
-échangeur pc en service + V3V Pc vers la chaudière
4 ballon entre 20 et 30°c et vanne mélangeuse du pc au maxi
-échangeur rad fermé si la t°c retour Rad < au ballon + chaudière en service
-échangeur pc en service + V3V Pc vers la chaudière
5 ballon < 20°c
-chaudière en service
-échangeur rad et pc fermés
Passé le coté hydrau , il va falloir penser a "gerer" toute ces vannes , si le schema est simple , la regule aussi
sonde de t°c sur
-haut du ballon au niveau des échangeurs
-retour circuit Radiateur
-capteur sur la vanne mélangeuse du pc position maxi
et les 2 sondes de la boucle solaire (capteur et bas du ballon)
+ bas du ballon ecs
soit 5 sondes et 1 capteur de position
a+
- vile-coyote
- Maitre Solaire

- Messages : 878
- Enregistré le : mar. nov. 06, 2007 12:44 pm
- Localisation : bretagne (56)
désolé, mais je ne concois pas un système de chauffage sans un circuit fermé, c'est tellement plus simple à gérer..
et surtout pas d'évaporation de condensation sur les murs, etc...
pour le reste nicoso,
j'étais moi aussi sur chaudière fuel quand mon projet a démarré,
j'ai bifurqué sur PAC entre temps mais la n'est pas le propos,
en fait, j'avais comme principale soucis de faire travailler ma chaudière en très basse température, et elle n'était pas prévue pour cela,
au bout de 18 mois elle était devenu très sale,
et les cycles de fonctionnement ne dépassait jamais les 4 minutes fatidiques a l'élimination de la buée...elle n'aurait pas vécu bien longtemps comme cela. il est préférable de rallonger les cycles
- puisque chaque départ est géré séparément, il est très facilé d'avoir une chaudière qui chauffe la totalité d'un ballon, comme indiqué cela évite les courts cycle néfaste a la chaudière, et l'on puise dans cette réserve pour gérer chaque température séparément.
le solaire en fait autant, il chauffe une grande réserve ( la meme ) dont le bas de la réserve est a la température la plus basse utilisée dans le circuit chauffage, ou bien le PC ou bien les radiateurs.
pas la peine de stocker de l'eau plus froide que ce dont on a besoin, les premières heures de soleil ne servant qu'a réchauffer de l'eau qui est trop froide donc qui ne sert pas ! ( expérience perso ) et ca c'est une grosse perte de rendement.
tu imagine dans ton projet que l'eau de chauffage sera a la bonne température pour les radiateurs, mais en fait, tu va parfois te retrouver avec de l'eau a 65°C dans ton ballon ( grace au solaire ), comment va tu gérer cette température, il te faudras bien aussi gérer le départ chauffage ! ( 1 sonde de plus et donc 1 V3V de plus)
maintenant utiliser un échangeur par circuit va favoriser la stratification a une seule condition,
que les échangeurs se trouvent exactement a la bonne hauteur en fonctionde leurs température et de départ et de retour.... doux rève utopique.
parfois un peu de simplicité hydraulique et électrique ne fais pas de mal..
tu as tout l'hiver pour réfléchir.
m'enfin ce que j'en dit..
si tu veux passer à la maison, voir une install hésite pas..
mon ancienne installation https://www.apper-solaire.org/Pages/Experiences/Delcourt%20Bertrand%2085/ses%2020m2%20de%20capteurs%20tubes%20et%20son%20ballon%20combi/index.htm
bientôt un nouveau projet solaire thermique
bientôt un nouveau projet solaire thermique
- m_you49
- Maitre Solaire

- Messages : 3635
- Enregistré le : sam. déc. 31, 2005 12:36 pm
- Localisation : Beaupréau-en-Mauges - 49
Salut nicoso.
Pour les conseils, je vois que ça répond, et je suis d'accord avec vile: simplicité d'abord.
Vas voir chez lui pour avoir une idée.
Par ailleurs, peux tu éditer ton premier message de manière à corriger le titre:
"Vendée" au lieu de "vendéé". Merci.
Bon courage
@ +
EDIT p_bricoleur
Vendée corrigée
FIN EDIT
Super, merci
Pour les conseils, je vois que ça répond, et je suis d'accord avec vile: simplicité d'abord.
Vas voir chez lui pour avoir une idée.
Par ailleurs, peux tu éditer ton premier message de manière à corriger le titre:
"Vendée" au lieu de "vendéé". Merci.
Bon courage
@ +
EDIT p_bricoleur
Vendée corrigée
FIN EDIT
Super, merci
Modifié en dernier par m_you49 le sam. oct. 23, 2010 13:39 pm, modifié 3 fois.
M.You - 49
- nicoso
- Etudiant Solaire

- Messages : 177
- Enregistré le : mar. sept. 07, 2010 14:40 pm
- Localisation : treize-septiers (85)
bonjours
désolé pour la faute, j'espère qu'il n'y en a pas d'autre
ma chaudière de 1993 est très propre quand je l'ouvre une fois par an, la tienne était peut-être mal réglée .Elle tourne a basse t°c depuis qu'on a acheté la maison il y a 6 ans
Merci de l'invitation voisin à 110 Km près, je te ferais signe quand j'aurais l'occasion.javascript:emoticon('
')
A part cela, j'ai re-simplifié mes schémas.
J'essais de faire une installation efficace sans trop faire de modification sur mon installation actuelle qui n'a qu'un an, c'est pour cela que je garde la bouteille de mélange.
L'installation actuelle est gérée par une régule Delta Do... (circulateur,V3V du plancher,chaudière)
Donc j'ai enlevé une V3V,ne reste que "V3V régulation t°c retour ballon" pour gérer la t°c sortie ballon s'il est trop chaud ou by-passer complètement le ballon s'il est plus froid que le "retour chauffage"
Et "V3V by-pass de la bouteille de mélange" pour éviter la bouteille si le circuit radiateur a besoin de la chaudière et que le ballon est suffisamment chaud pour le PC
Mon circuit solaire est t'il correct
a+
corriger le titre:
"Vendée" au lieu de "vendéé"
désolé pour la faute, j'espère qu'il n'y en a pas d'autre
j'avais comme principale soucis de faire travailler ma chaudière en très basse température, et elle n'était pas prévue pour cela,
au bout de 18 mois elle était devenu très sale,
et les cycles de fonctionnement ne dépassait jamais les 4 minutes fatidiques a l'élimination de la buée...elle n'aurait pas vécu bien longtemps comme cela. il est préférable de rallonger les cycles
ma chaudière de 1993 est très propre quand je l'ouvre une fois par an, la tienne était peut-être mal réglée .Elle tourne a basse t°c depuis qu'on a acheté la maison il y a 6 ans
salut voisin lointain mais voisin,
si tu veux passer à la maison, voir une install hésite pas.. Souriant
Merci de l'invitation voisin à 110 Km près, je te ferais signe quand j'aurais l'occasion.javascript:emoticon('
A part cela, j'ai re-simplifié mes schémas.
J'essais de faire une installation efficace sans trop faire de modification sur mon installation actuelle qui n'a qu'un an, c'est pour cela que je garde la bouteille de mélange.
L'installation actuelle est gérée par une régule Delta Do... (circulateur,V3V du plancher,chaudière)
Donc j'ai enlevé une V3V,ne reste que "V3V régulation t°c retour ballon" pour gérer la t°c sortie ballon s'il est trop chaud ou by-passer complètement le ballon s'il est plus froid que le "retour chauffage"
Et "V3V by-pass de la bouteille de mélange" pour éviter la bouteille si le circuit radiateur a besoin de la chaudière et que le ballon est suffisamment chaud pour le PC
Mon circuit solaire est t'il correct
a+
- Fichiers joints
-
- schema chaufferie modif 3.pdf
- (816.5 Kio) Téléchargé 284 fois
- thermitch
- Maitre Solaire

- Messages : 4065
- Enregistré le : dim. mars 16, 2008 13:45 pm
- Localisation : Marcillé-Robert (35)
- Contact :
Pour conforter l'idée de Vile sur les long cycles d'une chaudière fioul, j'ai deux projets actuellement qui me sont poussés par des gens d'origine scandinave.
Ça se fait apparemment beaucoup là-bas.
- Tamponnage dans une cuve de 1000 litres
- Tamponnage dans une structure stéatite de type poêle de masse
=> dans les deux cas, la chaudière ne doit tourner qu'une seule fois par jour
Reste à déterminer le temps de la "flambée" et réduire le volume d'eau interne de la chaudière pour ne pas trop passer de calories à la réchauffer.
Ça se fait apparemment beaucoup là-bas.
- Tamponnage dans une cuve de 1000 litres
- Tamponnage dans une structure stéatite de type poêle de masse
=> dans les deux cas, la chaudière ne doit tourner qu'une seule fois par jour
Reste à déterminer le temps de la "flambée" et réduire le volume d'eau interne de la chaudière pour ne pas trop passer de calories à la réchauffer.
- Besson François
- Maitre Solaire

- Messages : 1182
- Enregistré le : jeu. janv. 15, 2009 18:09 pm
- Localisation : Echalas(69)
Bonsoir a tous , Nicoso
Le schema hydrau me parrait correct d apres ce que tu souhaites faire
Juste deux remarques
Avec une cuve pehd , tu sera obligé d utiliser un echangeur pour le bois
Pour ton echangeur de chauffage , en haut de cuve , prevoie de le faire descendre "assez" bas dans la cuve , compte tenu que ces cuves ne sont pas tres hautes
Le schema hydrau me parrait correct d apres ce que tu souhaites faire
Juste deux remarques
Avec une cuve pehd , tu sera obligé d utiliser un echangeur pour le bois
Pour ton echangeur de chauffage , en haut de cuve , prevoie de le faire descendre "assez" bas dans la cuve , compte tenu que ces cuves ne sont pas tres hautes
Amicalement François
- vile-coyote
- Maitre Solaire

- Messages : 878
- Enregistré le : mar. nov. 06, 2007 12:44 pm
- Localisation : bretagne (56)
bonjour a tous,
c'est très bien, je vois que tu viens d'intégrer le fait que l'eau de ta réserve sera peut etre beaucoup plus chaude que prévue, meme si elle ne dépassera jamais les 68°C environ. ( sécurité sur décharge a 80°C en haut de panneau )
pour le reste je rejoins francois, ton échangeur chauffage, devra descendre le plus bas possible dans la cuve.
pour finir, il est inconcevable d'avoir de l'eau a moins de 20°C dans la cuve.
c'est très bien, je vois que tu viens d'intégrer le fait que l'eau de ta réserve sera peut etre beaucoup plus chaude que prévue, meme si elle ne dépassera jamais les 68°C environ. ( sécurité sur décharge a 80°C en haut de panneau )
pour le reste je rejoins francois, ton échangeur chauffage, devra descendre le plus bas possible dans la cuve.
pour finir, il est inconcevable d'avoir de l'eau a moins de 20°C dans la cuve.
mon ancienne installation https://www.apper-solaire.org/Pages/Experiences/Delcourt%20Bertrand%2085/ses%2020m2%20de%20capteurs%20tubes%20et%20son%20ballon%20combi/index.htm
bientôt un nouveau projet solaire thermique
bientôt un nouveau projet solaire thermique
- nicoso
- Etudiant Solaire

- Messages : 177
- Enregistré le : mar. sept. 07, 2010 14:40 pm
- Localisation : treize-septiers (85)
bonjours
que penser vous de ce CESI et de son tarif
http://www.leboncoin.fr/bricolage_jardi ... tm?ca=18_s
est il intéressant pour mon projet de SSC a ballon séparé
que penser vous de ce CESI et de son tarif
http://www.leboncoin.fr/bricolage_jardi ... tm?ca=18_s
est il intéressant pour mon projet de SSC a ballon séparé