
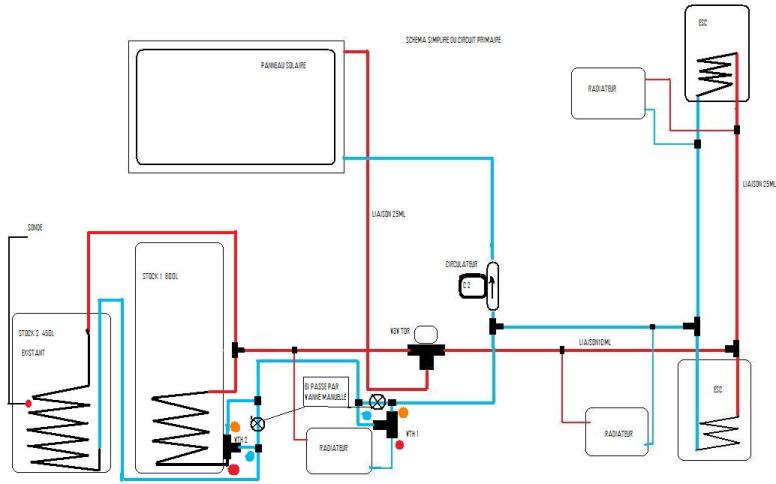
Dans le cadre de l agrandissement de mon stock solaire et avec le sousis de reguler de façon simple , je souhaite appliquer le "systeme" que j ai mis en place sur le radiateur du garage , ce qui me permet de prechauffer mes longues lignes et de "gratter" quelques calories quand le soleil n est pas genereux
L idée est de placer une vanne thermostatique sur le retour des stocks afin de donner la prioritée a stock 1 , puis suivant la consigne de la vth ouvrir progressivement le retour de stock 2
A votre avis , ce montage est il viable sur le plan hydraulique , sachant que les vth que j ai ce" contante "d ouvrir le froid , ce qui crée a mon avis , une zone "morte" de regulation sur la hauteur de l echangeur de stock 1
Dans cette configuration , je conserverais la sonde de regule dans stock 2 ?
Merci de me faire part de vos critiques

Amicalement François