l'année passée j'ai auto construit 4m2 de capteur pour chauffer la piscine de 12m3 en faisant passer l'eau de la piscine dans les panneaux.(pas de problème de corosion, traitement lampe UV)(250 gr de chlor pour une saison)
Cette année j'ai fais 2m2 de capteur en plus afin de faire de l'ecs
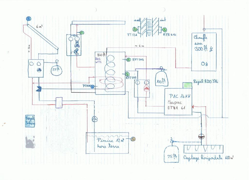
je veux coupler les panneaux à un stock tampon esc instantanée de 800lt
le stock doit aussi servire pour la pompe a chaleur en place pour faire l'eau l'hiver,(l'échangeur du haut pourais servire pour la piscine??? )
j'ai commandé le ballon double echangeur ,la régulation delta sol BX, la liaison pour15m de 16mm et le groupe pompe chez ravensbergersolar.de pour un bon prix il me semble
je ne suis pas sur d'avoir fais les choses dans le bon ordre...mais...
j'accepte volontier les questions ou les remarques, je met mon casque...
je n'ai pas réussi a joindre un schémat pour ce soir
salutations à tous
sylvère
