cela me donne une bonne base de départ.
je vais partir sur un ballon simple échangeur de 400l (moi qui pensais partir sur un 200l
pourquoi pas un KIT APPER 400l + 1 GM.
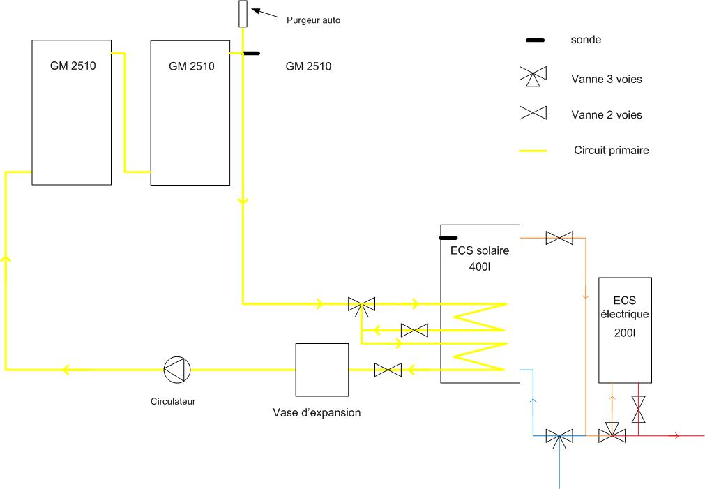
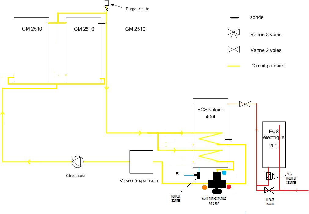
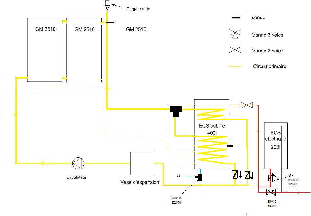
un petit schéma et je vais jouer avec http://ines.solaire.free.fr/
après il restera le reste, PER ou cuivre et diamètre , vanne, ...
les données sont bonnes??



