CESI 300L avec 2 GM tinox à 60 degrés
Modérateurs : ramses, Balajol, monteric, ametpierre
- AD 44
- Maitre Solaire

- Messages : 1389
- Enregistré le : mer. janv. 11, 2012 12:39 pm
- Localisation : Divatte sur Loire
@ balajol,
Accessibles , ils le seront , je pense.
Je voudrais fixer les capteurs en facade sud +17°, pas très haut ,en fait (pas de masque solaire).
C'est une maison R+1, ils seraient au niveau du plancher de l'étage.
Faudrait que je post une photo pour que ce soit plus clair.
Accessibles , ils le seront , je pense.
Je voudrais fixer les capteurs en facade sud +17°, pas très haut ,en fait (pas de masque solaire).
C'est une maison R+1, ils seraient au niveau du plancher de l'étage.
Faudrait que je post une photo pour que ce soit plus clair.
Modifié en dernier par AD 44 le dim. janv. 29, 2012 15:35 pm, modifié 3 fois.
CESI 300L + radiateur - 4.5m² tinox
PV 930Wc auto-conso
Puits climatique + DF
(je ponce...donc...j'essuie)
PV 930Wc auto-conso
Puits climatique + DF
(je ponce...donc...j'essuie)
-
hedon
- Stagiaire Solaire

- Messages : 84
- Enregistré le : mar. avr. 07, 2009 22:12 pm
- Localisation : chevilly 45520
mon inclinaison était de 45° plein sud , j'avais acheté un kit solaire Alliance avec centrale resol. et j'avais pris un panneau de trop pour avoir un meilleur rendement en hiver, aujourd'hui j'ai cédé mes panneaux et gardé le chauffe-eau et la centrale car je suis entrain d'installer un chauffage solaire autovidangeable avec 22.50 m² de panneaux plan orientable au sol.
si on augmente la surface il faut p revoir soit du autovidangeable soit une boucle de décharge.
salutations.
hedon
si on augmente la surface il faut p revoir soit du autovidangeable soit une boucle de décharge.
salutations.
hedon
- AD 44
- Maitre Solaire

- Messages : 1389
- Enregistré le : mer. janv. 11, 2012 12:39 pm
- Localisation : Divatte sur Loire
bonjour tout le monde,
Suite à diverses lectures, il apparait qu'un préparateur avec une cuve inox soit plus "durable", mais plus cher également.
Est -ce la seule partie du préparateur qui necessite le remplacement totale du préparateur? Y a t'il d'autres éléments inchangeables dans le préparateur?
Je m'explique, quand la cuve d'un ballon est percée, je suppose que l'on doit changer tout le ballon.
Si la cuve est inoxydable , on peut supposer que cette cuve ne percera pas, mais si une autre pièce "importante" du préparateur pète et que ça oblige à changer de préparateur, autant ne pas investir plus dans une cuve inox!
J'espère avoir été clair
merci
Suite à diverses lectures, il apparait qu'un préparateur avec une cuve inox soit plus "durable", mais plus cher également.
Est -ce la seule partie du préparateur qui necessite le remplacement totale du préparateur? Y a t'il d'autres éléments inchangeables dans le préparateur?
Je m'explique, quand la cuve d'un ballon est percée, je suppose que l'on doit changer tout le ballon.
Si la cuve est inoxydable , on peut supposer que cette cuve ne percera pas, mais si une autre pièce "importante" du préparateur pète et que ça oblige à changer de préparateur, autant ne pas investir plus dans une cuve inox!
J'espère avoir été clair
merci
Modifié en dernier par AD 44 le sam. févr. 11, 2012 14:11 pm, modifié 1 fois.
CESI 300L + radiateur - 4.5m² tinox
PV 930Wc auto-conso
Puits climatique + DF
(je ponce...donc...j'essuie)
PV 930Wc auto-conso
Puits climatique + DF
(je ponce...donc...j'essuie)
- AD 44
- Maitre Solaire

- Messages : 1389
- Enregistré le : mer. janv. 11, 2012 12:39 pm
- Localisation : Divatte sur Loire
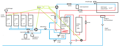
bonsoir à toutes et à tous,
Je n'ai pas voulu ajouter un fil supplémentaire au forum qui en compte deja pas mal. Voilà pourquoi je continue à poster sur mon premier sujet même s'il a évolué entre temps.
Après reflexion et lecture , j'ai fini par pondre un semblant de projet. J'ai volé plein d'infos sur ce site, dans le bouquin référence,sur des blogs relatant des expériences analogues et ailleurs au grés de mes visites.
Le schéma que je soumets à votre examen n'est certainement pas exempt de reproches (c'est la raison pour laquelle j'attends vos remarques).
Malgré toute ma bonne volonté et mon acharnement (qui ont leurs limites
), je n'ai toujours pas compris toutes les subtilités de la plomberie, de la circulation des fluides, du calcul des pertes de charges, des transferts d'énergies... Du coup, mon schéma est-il peut etre totalement à revoir! Si c'est le cas n'hésitez pas à me le dire directement et je reverrai ma copie en conséquence.
J'ai l'intention de placer les panneaux en facade sud+15° (environ) inclinés à 60°. La circulation sera forcée avec antigel car j'ai beau retourner l'instal dans tous les sens, je n'arrive pas à obtenir une pente régulière vers le stockage pour une autovidange satisfaisante.
Entre mon premier message et aujourd'hui, il s'est passé 11mois (c'est dire la lenteur à laquelle j'avance
), il en etait de même pour ma maison, puis pour la vmc , le puits climatique...etc. Je sais , c'est déconcertant!
Vous devez probablement en avoir un peu marre d'examiner pour la enieme fois un projet solaire. Si le mien est complètement inepte , je m'en excuse par avance.
Merci
Je n'ai pas voulu ajouter un fil supplémentaire au forum qui en compte deja pas mal. Voilà pourquoi je continue à poster sur mon premier sujet même s'il a évolué entre temps.
Après reflexion et lecture , j'ai fini par pondre un semblant de projet. J'ai volé plein d'infos sur ce site, dans le bouquin référence,sur des blogs relatant des expériences analogues et ailleurs au grés de mes visites.
Le schéma que je soumets à votre examen n'est certainement pas exempt de reproches (c'est la raison pour laquelle j'attends vos remarques).
Malgré toute ma bonne volonté et mon acharnement (qui ont leurs limites
J'ai l'intention de placer les panneaux en facade sud+15° (environ) inclinés à 60°. La circulation sera forcée avec antigel car j'ai beau retourner l'instal dans tous les sens, je n'arrive pas à obtenir une pente régulière vers le stockage pour une autovidange satisfaisante.
Entre mon premier message et aujourd'hui, il s'est passé 11mois (c'est dire la lenteur à laquelle j'avance
Vous devez probablement en avoir un peu marre d'examiner pour la enieme fois un projet solaire. Si le mien est complètement inepte , je m'en excuse par avance.
Merci
Modifié en dernier par AD 44 le lun. janv. 07, 2013 11:40 am, modifié 5 fois.
CESI 300L + radiateur - 4.5m² tinox
PV 930Wc auto-conso
Puits climatique + DF
(je ponce...donc...j'essuie)
PV 930Wc auto-conso
Puits climatique + DF
(je ponce...donc...j'essuie)
- patrick07
- Maitre Solaire

- Messages : 1869
- Enregistré le : lun. avr. 03, 2006 11:07 am
- Localisation : Sud Ardèche -07- St Germain
- Contact :
Bonjour,
La récupération d'énergie par le serpentin du haut dans un ballon du commerce fonctionne moyen.
Voir avec un "petit mur chauffant" et éventuellement un ballon fabrication maison à la surface d'échange du serpentin haut mieux adaptée.
La récupération d'énergie par le serpentin du haut dans un ballon du commerce fonctionne moyen.
Voir avec un "petit mur chauffant" et éventuellement un ballon fabrication maison à la surface d'échange du serpentin haut mieux adaptée.
Patrick
[url=https://ard-tek.com/index.php/forum/sujets-recents]Le forum du MaxiSun[/url]
[url=https://ard-tek.com/index.php/forum/sujets-recents]Le forum du MaxiSun[/url]
- monteric
- Modérateur

- Messages : 1786
- Enregistré le : sam. sept. 10, 2011 17:50 pm
- Localisation : Chavilleu (01)
- Contact :
Bonjour,
Personnellement je ne comprends pas la présence d'une vanne et circulateur en sortie du cumulus électrique ?
En ce qui concerne ton mur chauffant il me semble judicieux de "prendre l'eau" plus bas dans ton ballon car en théorie on envoi dans un mur autour de 35° ...
A+
Eric
Personnellement je ne comprends pas la présence d'une vanne et circulateur en sortie du cumulus électrique ?
En ce qui concerne ton mur chauffant il me semble judicieux de "prendre l'eau" plus bas dans ton ballon car en théorie on envoi dans un mur autour de 35° ...
A+
Eric
20 m²thermique, Poele bouilleur, Chaudiere granulé, UVR16X2 + UVR610
Photovoltaïque : environ 1kWc, CADOE-OPP
Capteur à Air (façon Guy Isabel)
Suivre l'installation : http://chavillieu.cadoe.net
Association : http://ateliersvertssolaire.com
Photovoltaïque : environ 1kWc, CADOE-OPP
Capteur à Air (façon Guy Isabel)
Suivre l'installation : http://chavillieu.cadoe.net
Association : http://ateliersvertssolaire.com
- AD 44
- Maitre Solaire

- Messages : 1389
- Enregistré le : mer. janv. 11, 2012 12:39 pm
- Localisation : Divatte sur Loire
Bonjour, merci pour vos commentaires,
[quote="remi.450"]Si le ballon solaire est à 80°C, le p'tit mur chauffant ne va pas apprécier.
Un simple thermostatique entre départ et refoulement pompe pour réguler la température d'entrée dans le mur.[/quote]
Oui en effet, mieux vaut sans doute limiter la température en entrée de mur.
J'avais pas pensé aux problemes de dilatation liés aux T° élevées.
De plus cette limitation de T° permettrait peut etre de différer un peu plus l'utilisation du solaire en épuisant un peu moins vite la réserve. (quelques heures ou minutes de gagnées la nuit suivant le captage).
Merci pour cette remarque.
[referp=87754;quote="monteric"]Personnellement je ne comprends pas la présence d'une vanne et circulateur en sortie du cumulus électrique ?[/quote]
Je me suis inspiré de ce que d'autre ont fait (balajol par exemple). Apparemment ce peut etre utile en été. Ca permettrait de retarder la surchauffe eventuelle. Une partie des calories produitent dans la réserve ECS solaire est envoyée dans le cumulus elec durant la journée sans qu'il y ait besoin de soutirage.
C'est peut etre pas très pertinent ?! je sais pas. Ca me semblait pas mal pourtant.
[referp=87754;quote="monteric"]En ce qui concerne ton mur chauffant il me semble judicieux de "prendre l'eau" plus bas dans ton ballon car en théorie on envoi dans un mur autour de 35° ... [/quote]
Du coup, l'astuce de remi peut corriger cela, non?!
[quote="remi.450"]Si le ballon solaire est à 80°C, le p'tit mur chauffant ne va pas apprécier.
Un simple thermostatique entre départ et refoulement pompe pour réguler la température d'entrée dans le mur.[/quote]
Oui en effet, mieux vaut sans doute limiter la température en entrée de mur.
J'avais pas pensé aux problemes de dilatation liés aux T° élevées.
De plus cette limitation de T° permettrait peut etre de différer un peu plus l'utilisation du solaire en épuisant un peu moins vite la réserve. (quelques heures ou minutes de gagnées la nuit suivant le captage).
Merci pour cette remarque.
[referp=87754;quote="monteric"]Personnellement je ne comprends pas la présence d'une vanne et circulateur en sortie du cumulus électrique ?[/quote]
Je me suis inspiré de ce que d'autre ont fait (balajol par exemple). Apparemment ce peut etre utile en été. Ca permettrait de retarder la surchauffe eventuelle. Une partie des calories produitent dans la réserve ECS solaire est envoyée dans le cumulus elec durant la journée sans qu'il y ait besoin de soutirage.
C'est peut etre pas très pertinent ?! je sais pas. Ca me semblait pas mal pourtant.
[referp=87754;quote="monteric"]En ce qui concerne ton mur chauffant il me semble judicieux de "prendre l'eau" plus bas dans ton ballon car en théorie on envoi dans un mur autour de 35° ... [/quote]
Du coup, l'astuce de remi peut corriger cela, non?!
CESI 300L + radiateur - 4.5m² tinox
PV 930Wc auto-conso
Puits climatique + DF
(je ponce...donc...j'essuie)
PV 930Wc auto-conso
Puits climatique + DF
(je ponce...donc...j'essuie)
