Ayant goûté à un bouclage sanitaire sur mon ancienne installation solaire, je me suis juré de remettre en place.
A l'époque j'avais 20m de tuyau en tout, sur le seule bouclage que j'avais. En diamètre 14.
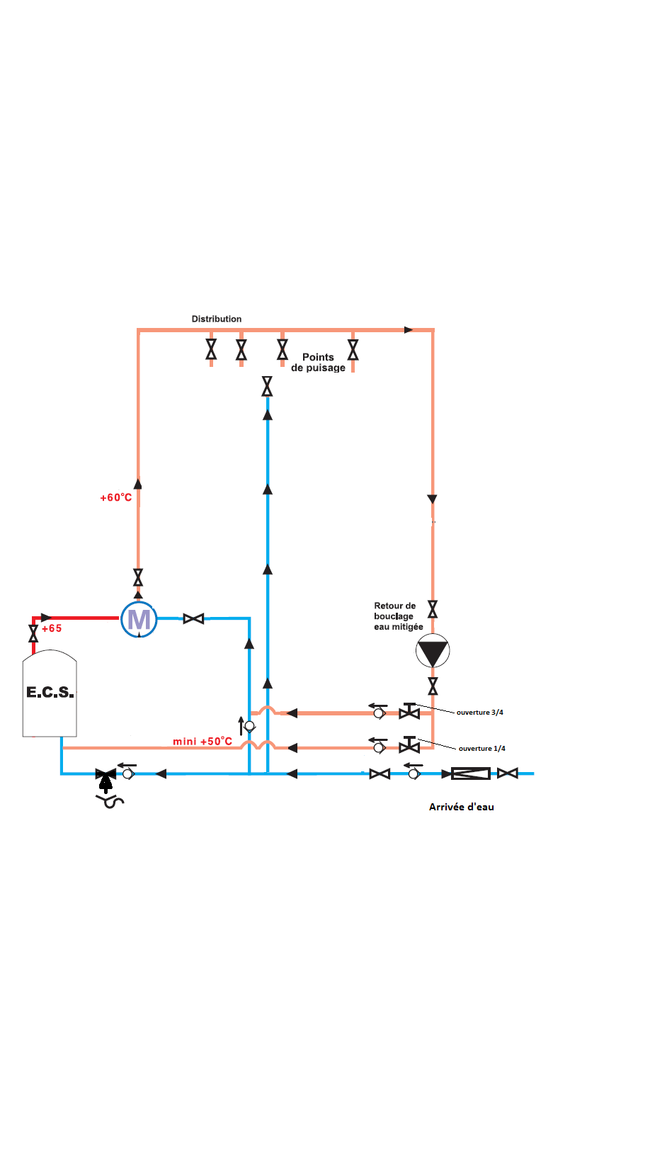
Quand j'ai rénové ma maison, je me suis mis en tête de mettre des boucles sanitaires;
OUI, DES ;)
Une pour la cuisine, et une pour la salle de bain.
Sachant que les robinets thermostatiques installé dans les douches et baignoires ont la fâcheuse tendance à merder quand l'arrivée d'eau chaude n'est pas supérieur à 60°.
Sachant aussi que j'ai 2 gamins qui ont la fâcheuse tendance à ouvrir le robinet en GRAND, sans se préoccuper de la position (quand on se lave les mains).
Sachant que ma femme ne se préoccupe pas de la position du robinet.. et quand elle ouvre, elle ouvre.. et si c'est sur eau chaude, ça reste sur eau chaude après usage.
En prévision de la remise en service du chauffe eau solaire, j'ai prévu de distribuer l'eau chaude la plus froide possible. Le départ eau chaude est réglé à 45° pour la salle de bain.
Dans la cuisine, par contre, l'usage de l'eau chaude est utile pour faire la vaisselle.. et 45° n'est pas toujours assez chaud, c'est réglé sur 55°.
Chaque circuit a son propre réglage de température.
Parce que j'avais envie, j'ai fais la plomberie en cuivre. Sauf que le cuivre ça coûte un oeuil. L'idée était de réduire un peu le cout en réduisant le tube.
J'ai donc rendu dissymétrique les circuits.
Le départ en 16, le retour en 12, en me disant que ça suffirait.

Sur la photo, le circuit cuisine est câblé. (Le câblage du circulateur est à revoir : du 2,5mm² c'est trop gros.. et la boite ne ferme plus.)
ERREUR : Dans les faits, 12.. c'est trop petit. Le circulateur peine à faire tourner l'eau dans une boucle qui ne fait que 30m. J'imagine même pas sur 40m ce que ça va donner.
Je vais être bon pour passer en 14 la boucle de retour. (sauf pour la partie qui est déjà dans la maison, et qui est inaccessible.)
Alors, quand on parle de boucle sanitaire, je vois déjà des gens tomber par terre car ça gaspille de l'énergie.
OUI !
Quand on parle de boucle sanitaire, avec une température basse, on voit venir les bactéries à des kilomètres.
Alors pour limiter les dégâts, Le circulateur n'est pas piloté via une horloge ou un thermostat, comme ça se fait habituellement. ça évite de conserver la boucle chaude (et donc la prolifération des bactéries, et le gaspillage de chaleur).
Pour se faire je fonctionne avec une minuterie par circuit :

Actionnée par un bouton, proche du lieu de consommation :

Si je n'avais pas utilisé ça, je pense que :
* le contenu du ballon aurait été dilapidé dans la journée
* que je n'aurais sans doute pas vu la faiblesse de circulation. Le circulateur aurait circulé quasiment en continu pour maintenir la boucle chaude.
A suivre.




