Clément, Domwood,
Effectivement la remarque de Download est bonne, mais ça c'est l'optimisation de la puissance, bilan thermique, pièce où est la cuve TRES chaude pour les humain etc ... tu as dû y réfléchir ..
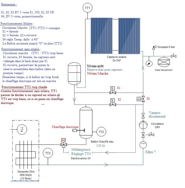
Clément j'ai regardé ton deuxième schéma, je vois bien la vanne mélangeuse pour réguler la température, mais pas trop la raison de la deuxième (enfin il me semble que c'est pour by-passer les capteurs sans soleil) .. En même temps j'ai plein de questions, en particulier sur : que faire quand c'est trop chaud ? donc surchauffe des capteurs etc ... là il y a qq chose qui me gêne. En même temps le back-drain fonctionne t-il pour tous les cas de figure ? et aussi attention, les tubes du back drain ont des dispositions bien précises pour assurer vidange, et remplissage d'air des capteurs (du moins c'est ce que je crois avoir compris).
Ton troisième schéma, plus simple, ne prends pas en compte le fonctionnement sans solaire (??), et attention au back-drain, à travers la vanne 3V ... mais j'ai pas forcément bien compris ..
J'ai lu que le back-drain, permet aussi de couper les capteurs (et donc vidanger) si c'est trop chaud. En même temps ça m'a fait penser à la réserve d'eau chaude (ce serait bête de couper le solaire et de pas continuer à stocker) ...
Et du coup, évidemment le circuit redevient plus complexe ... la vanne mélangeuse, prendra sur le stockage, et il faut isoler les capteurs avec le back drain, par des vannes. Toujours un seul circulateur? Si on (re)met 2 circulateurs, je pense qu'il faut à minima une EV pour isoler le haut et le bas. Sauf si les circulateurs sont gratuits les EV sont moins chères je pense ...
Voici un schéma que j'ai modifié, en même temps ça agite mes idées pour mon projet (mais qui sera un peu différent), du coup Clément, avec des variantes on retrouve des fonctions vues sur les tous premiers schémas (en particulier avec séparation circuits capteurs et charge). Un schéma prend du temps pour s'affiner, il y aura d'autres versions LOL.
Si j'ai bien vu la chose, ça prend en compte :
- le fonctionnent 100% du temps, solaire ou pas, nuit etc ... à l'arrêt les capteurs se purgent, mais aussi si pas de solaire, ou si trop chaud ...
-découplage entre capteurs et back drain, et le bas avec régul et bidon de stockage
- stockage à haute température avec un certain volume (optionnel .. mais il faut un volume pour chauffer) et vanne mitigeuse
- fonctionnement en solaire, et sans solaire (sur résistance, ou sur la réserve d'eau chaude (pour un temps)
- passage en arrêt des capteurs, si manque de solaire, ou trop chaud, avec back drain ..
- niveau sécurité si coupure électrique S1 est NO, et permet la vidange des capteurs.
Faut sans doute encore agiter tout ça ... LOL
Fichier modifié, erreur dans un commentaire ...

- APPER - Clément 3.jpg (66.41 Kio) Vu 7722 fois