projet d'installation avec msd
Modérateurs : ramses, Balajol, monteric, ametpierre, j2c, françois34, andrebayle
- ringeval
- Expert Solaire

- Messages : 746
- Enregistré le : sam. nov. 01, 2008 11:34 am
- Localisation : saint silvain sous toulx-creuse (23)
bonsoir,
- merci yves de ta réponse; donc je conserve cette bouteille
- gilles, je ne comprends pas pourquoi le serpentin du 500 litres serait inversé; ce serpentin me permettant de récupérer les calories fournies par la cuisinière à bouilleur.
Sinon, sur le plan, le vase d'expansion est situé au niveau de la pompe panneaux solaires, est-ce-que cela pose un problème par rapport au 2° circuit (500l.-casse pression)?
merci encore
thierry
- merci yves de ta réponse; donc je conserve cette bouteille
- gilles, je ne comprends pas pourquoi le serpentin du 500 litres serait inversé; ce serpentin me permettant de récupérer les calories fournies par la cuisinière à bouilleur.
Sinon, sur le plan, le vase d'expansion est situé au niveau de la pompe panneaux solaires, est-ce-que cela pose un problème par rapport au 2° circuit (500l.-casse pression)?
merci encore
thierry
- ringeval
- Expert Solaire

- Messages : 746
- Enregistré le : sam. nov. 01, 2008 11:34 am
- Localisation : saint silvain sous toulx-creuse (23)
bonjour,
suite à une discussion téléphonique avec François Besson, je reviens sur mon projet;
François pense que la récupération de chaleur par le serpentin bas du ballon de 500 litres ne fonctionnera pas. L'eau serait trop froide du à la stratification , ou je ne pourrais pas optimiser l'utilisation de cette reserve.
Qu'en pensez-vous?
Si vous partagez cet avis, que faire? sachant que j'ai ce ballon de 500l.
François suggérait de rajouter un échangeur raccordé sur le haut du ballon; mais ça complique encore plus l'install, rajout d'un accélérateur....
ou, essayer de revendre ce ballon, et d'en racheter un autre;
ou, une idée qui me vient à l'instant, permuter les deux ballons,le ballon ecs devient reserve cuisinière,
merci de vos idées
thierry
suite à une discussion téléphonique avec François Besson, je reviens sur mon projet;
François pense que la récupération de chaleur par le serpentin bas du ballon de 500 litres ne fonctionnera pas. L'eau serait trop froide du à la stratification , ou je ne pourrais pas optimiser l'utilisation de cette reserve.
Qu'en pensez-vous?
Si vous partagez cet avis, que faire? sachant que j'ai ce ballon de 500l.
François suggérait de rajouter un échangeur raccordé sur le haut du ballon; mais ça complique encore plus l'install, rajout d'un accélérateur....
ou, essayer de revendre ce ballon, et d'en racheter un autre;
ou, une idée qui me vient à l'instant, permuter les deux ballons,le ballon ecs devient reserve cuisinière,
merci de vos idées
thierry
- Besson François
- Maitre Solaire

- Messages : 1182
- Enregistré le : jeu. janv. 15, 2009 18:09 pm
- Localisation : Echalas(69)
Bonsoir a tous , Thierry
Non au schema 2 , l echangeur du ballon esc sera insuffisant en chauffage , de plus le ballon de 500l , si c est un ballon de chauffage , n est pas emaillé , donc pas prevu pour l eau sanitaire
La seule alternative sans ajout d element , serait de mettre le ballon de 500l a l envers , cette solution n est pas completement satisfaisante car le ballon ne pourrait plus etre chargé completement au solaire
A tous , le ballon chargé par le bouilleur sera le mode de chauffage principale , on est pas sur un schema de principe , mais sur une realisation definitive , merci de vos avis
Non au schema 2 , l echangeur du ballon esc sera insuffisant en chauffage , de plus le ballon de 500l , si c est un ballon de chauffage , n est pas emaillé , donc pas prevu pour l eau sanitaire
La seule alternative sans ajout d element , serait de mettre le ballon de 500l a l envers , cette solution n est pas completement satisfaisante car le ballon ne pourrait plus etre chargé completement au solaire
A tous , le ballon chargé par le bouilleur sera le mode de chauffage principale , on est pas sur un schema de principe , mais sur une realisation definitive , merci de vos avis
Amicalement François
- YvesBr
- Maitre Solaire

- Messages : 1422
- Enregistré le : lun. mars 20, 2006 23:54 pm
- Localisation : Moselle - aéroport 57
Bonjour,
Ces schémas me laissent un peu perplexe. Je trouve que le ballon de 500 l est mal utilisé.
Cependant, je n'arrive pas à imaginer un schéma stisfaisant.
Il me semble qu'il faudrait que le fluide caloporteur dans le ballon soit aussi celui qui est dans les diffuseurs et le bouilleur. Le circuit solaire devrait être isolé.
Le schéma mis en oeuvre par Pierre ne serait-il pas une bonne solution ?
http://www.apper-solaire.org/Pages/Expe ... 20solaire/
Yves
Ces schémas me laissent un peu perplexe. Je trouve que le ballon de 500 l est mal utilisé.
Cependant, je n'arrive pas à imaginer un schéma stisfaisant.
Il me semble qu'il faudrait que le fluide caloporteur dans le ballon soit aussi celui qui est dans les diffuseurs et le bouilleur. Le circuit solaire devrait être isolé.
Le schéma mis en oeuvre par Pierre ne serait-il pas une bonne solution ?
http://www.apper-solaire.org/Pages/Expe ... 20solaire/
Yves
- Besson François
- Maitre Solaire

- Messages : 1182
- Enregistré le : jeu. janv. 15, 2009 18:09 pm
- Localisation : Echalas(69)
Bonsoir a tous
Je reviens sur l idée de l echangeur a plaque , afin de remplacer celui qui "manque " , au final je ne crois pas que ça soit une bonne solution , le ballon sera "brassé"
@ YvesBr , je ne trouve pas non plus de solution satisfaisante , isoler le circuit solaire serait peut etre une bonne alternative , ainsi tout le reste serait sans mpg , donc melangeable
Je reviens sur l idée de l echangeur a plaque , afin de remplacer celui qui "manque " , au final je ne crois pas que ça soit une bonne solution , le ballon sera "brassé"
@ YvesBr , je ne trouve pas non plus de solution satisfaisante , isoler le circuit solaire serait peut etre une bonne alternative , ainsi tout le reste serait sans mpg , donc melangeable
Amicalement François
- ringeval
- Expert Solaire

- Messages : 746
- Enregistré le : sam. nov. 01, 2008 11:34 am
- Localisation : saint silvain sous toulx-creuse (23)
bonjour,
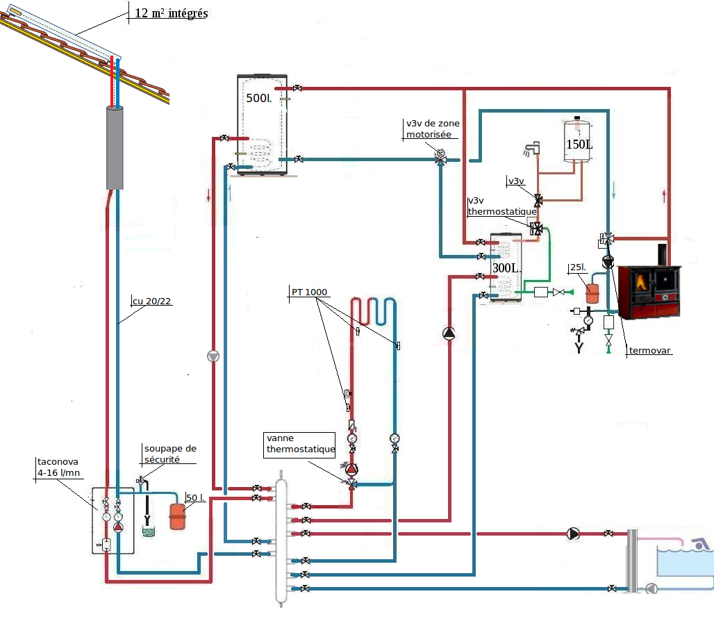
Donc, au niveau du stocke, ça va (j'aurais peut-être le problème inverse, mes 12 m² de panneaux ne suffiront peut-être pas.Il me faudra, peut-être fermer 1 ou 2 circuits)
Je pourrais, directement injecter ma cuisinière bouilleur dans ces murs.Ca ne devrait pas poser de problèmes particuliers.
Si je rajoute cet échangeur de 500litres, c'est pour pouvoir faire fonctionner cette cuisinière à plein régime pendant 4-5-6 heures par jour (le constructeur préconise un ballon tampon de 150 litres), et de constituer un réserve pour le lendemain, si le soleil ne se pointe pas.
Donc, cette reserve, aurait pu être de 300litres.
mais effectivement, je n'avais pas pensé que mon ballon de 500litres n'est pas émaillé.Donc, ça ne peut pas faire d'inverser ces ballons.
Sinon, je ne suis toujours pas convaincu, qu'avec l'échangeur en bas, cela ne puisse pas fonctionner; Lorsque ma cuisinière s'arrêtera j'aurais 500 litres d'eau à 70-80°; pour mes murs, j'ai besoin d'eau à 30-40°. Si je puise sur le bas, ça va refroidir le stocke,En bas, mais aussi en haut. d'accord, il y a la stratification, mais ça représente quoi, en définitif ? 10° grand maximum entre le haut et le bas? Il arrivera un moment où je ne récupérerais pas la totalité des calories; Mais est ce vraiment un problème? Le lendemain, lorsque je remettrais ma cuisinière en route, j'aurais à la faire fonctionner moins longtemps pour avoir ma réserve à 70-80°.Donc, ce n'est pas vraiment une perte de calories.
Par contre, si je mets cet échangeur en haut (J'ai regardé, on peut le mettre à l'envers, il suffirait de dessouder le pieds de de le ressouder sur le dessus), je vais envoyer de l'eau à 60-70 voir 80° alors que je n'ai besoin que de 30° , est ce vraiment utile?
thierry
Je viens de recalculer le volume de mes murs chauffants: 6 murs ep.15cm, sur chaque mur, 45 à 60 mètres de multicouche 12/14 au pas de 15 de 0.20 à 2.00mètres de haut. Ce qui me donne un volume total de plus de 6 m³.Non au schema 2 , l echangeur du ballon esc sera insuffisant en chauffage , de plus le ballon de 500l , si c est un ballon de chauffage , n est pas emaillé , donc pas prevu pour l eau sanitaire
Donc, au niveau du stocke, ça va (j'aurais peut-être le problème inverse, mes 12 m² de panneaux ne suffiront peut-être pas.Il me faudra, peut-être fermer 1 ou 2 circuits)
Je pourrais, directement injecter ma cuisinière bouilleur dans ces murs.Ca ne devrait pas poser de problèmes particuliers.
Si je rajoute cet échangeur de 500litres, c'est pour pouvoir faire fonctionner cette cuisinière à plein régime pendant 4-5-6 heures par jour (le constructeur préconise un ballon tampon de 150 litres), et de constituer un réserve pour le lendemain, si le soleil ne se pointe pas.
Donc, cette reserve, aurait pu être de 300litres.
mais effectivement, je n'avais pas pensé que mon ballon de 500litres n'est pas émaillé.Donc, ça ne peut pas faire d'inverser ces ballons.
Sinon, je ne suis toujours pas convaincu, qu'avec l'échangeur en bas, cela ne puisse pas fonctionner; Lorsque ma cuisinière s'arrêtera j'aurais 500 litres d'eau à 70-80°; pour mes murs, j'ai besoin d'eau à 30-40°. Si je puise sur le bas, ça va refroidir le stocke,En bas, mais aussi en haut. d'accord, il y a la stratification, mais ça représente quoi, en définitif ? 10° grand maximum entre le haut et le bas? Il arrivera un moment où je ne récupérerais pas la totalité des calories; Mais est ce vraiment un problème? Le lendemain, lorsque je remettrais ma cuisinière en route, j'aurais à la faire fonctionner moins longtemps pour avoir ma réserve à 70-80°.Donc, ce n'est pas vraiment une perte de calories.
Par contre, si je mets cet échangeur en haut (J'ai regardé, on peut le mettre à l'envers, il suffirait de dessouder le pieds de de le ressouder sur le dessus), je vais envoyer de l'eau à 60-70 voir 80° alors que je n'ai besoin que de 30° , est ce vraiment utile?
thierry
- Besson François
- Maitre Solaire

- Messages : 1182
- Enregistré le : jeu. janv. 15, 2009 18:09 pm
- Localisation : Echalas(69)
Bonsoir a tous , Thierry
Je bosse en // sur ton schema , j en bave , mais j aime ça
" Si je puise sur le bas, ça va refroidir le stocke,En bas, mais aussi en haut."
Non ça va refroidir que le tier bas du ballon , le haut ne refroidira que par deperdition
"je vais envoyer de l'eau à 60-70 voir 80° alors que je n'ai besoin que de 30° , est ce vraiment utile "
Tu as une vanne th de melange qui n envoyera que de l eau a la temperature choisie dans tes murs , et ne ponctionnera que le juste necessaire dans ton ballon
Bref , le ballon a l envers , oui c est le choix le plus economique , autrement j ai commencé une ebauche avec un echangeur a plaques , mais dur a terminer
Je bosse en // sur ton schema , j en bave , mais j aime ça
" Si je puise sur le bas, ça va refroidir le stocke,En bas, mais aussi en haut."
Non ça va refroidir que le tier bas du ballon , le haut ne refroidira que par deperdition
"je vais envoyer de l'eau à 60-70 voir 80° alors que je n'ai besoin que de 30° , est ce vraiment utile "
Tu as une vanne th de melange qui n envoyera que de l eau a la temperature choisie dans tes murs , et ne ponctionnera que le juste necessaire dans ton ballon
Bref , le ballon a l envers , oui c est le choix le plus economique , autrement j ai commencé une ebauche avec un echangeur a plaques , mais dur a terminer
Modifié en dernier par Besson François le mer. mai 12, 2010 20:08 pm, modifié 1 fois.
Amicalement François
- YvesBr
- Maitre Solaire

- Messages : 1422
- Enregistré le : lun. mars 20, 2006 23:54 pm
- Localisation : Moselle - aéroport 57
[quote="ringeval"]
Sinon, je ne suis toujours pas convaincu, qu'avec l'échangeur en bas, cela ne puisse pas fonctionner; Lorsque ma cuisinière s'arrêtera j'aurais 500 litres d'eau à 70-80°; pour mes murs, j'ai besoin d'eau à 30-40°. Si je puise sur le bas, ça va refroidir le stocke,En bas, mais aussi en haut. d'accord, il y a la stratification, mais ça représente quoi, en définitif ? 10° grand maximum entre le haut et le bas? Il arrivera un moment où je ne récupérerais pas la totalité des calories; Mais est ce vraiment un problème? [/quote]
Bonjour thierry,
Non, non, non, tu te fourvoie. Tu auras le bas du stock à 30°C, et juste au-dessus de l'échangeur, de l'eau à 80°C. Tu ne tireras aucune calorie de la partie supérieure, tant qu'aucun mouvement ne sera imposé à ta masse d'eau.
Oui, c'est un problème car quand tu mettras ton bouilleur en route, en un quart d'heure tu auras réchauffé le bas et tu ne sausra plus quoi faire des calories qui continueront à arriver.
Si tu persistes dans cette idée, tu vas au devant de gros soucis.
Yves
Sinon, je ne suis toujours pas convaincu, qu'avec l'échangeur en bas, cela ne puisse pas fonctionner; Lorsque ma cuisinière s'arrêtera j'aurais 500 litres d'eau à 70-80°; pour mes murs, j'ai besoin d'eau à 30-40°. Si je puise sur le bas, ça va refroidir le stocke,En bas, mais aussi en haut. d'accord, il y a la stratification, mais ça représente quoi, en définitif ? 10° grand maximum entre le haut et le bas? Il arrivera un moment où je ne récupérerais pas la totalité des calories; Mais est ce vraiment un problème? [/quote]
Bonjour thierry,
Non, non, non, tu te fourvoie. Tu auras le bas du stock à 30°C, et juste au-dessus de l'échangeur, de l'eau à 80°C. Tu ne tireras aucune calorie de la partie supérieure, tant qu'aucun mouvement ne sera imposé à ta masse d'eau.
Oui, c'est un problème car quand tu mettras ton bouilleur en route, en un quart d'heure tu auras réchauffé le bas et tu ne sausra plus quoi faire des calories qui continueront à arriver.
Si tu persistes dans cette idée, tu vas au devant de gros soucis.
Yves
- Besson François
- Maitre Solaire

- Messages : 1182
- Enregistré le : jeu. janv. 15, 2009 18:09 pm
- Localisation : Echalas(69)
Bonjour a tous
Merci Yves , je commençais a me sentir seul sur cette remarque
Il y aurait bien une alternative , un peu bancalle , brasser le ballon de haut en bas des que le circulateur des murs se met en route , cette solution serait plus de "depannage"
Si quelqu un a une idée pour finir mon ebauche , je calle
, il faut aussi ajouter le raccordement en haut du ballon esc , le top serait de pouvoir alimenter l echangeur haut du ballon esc via le ballon de chauffage afin de gagner en autonomie esc hors periode de chauffage
Merci Yves , je commençais a me sentir seul sur cette remarque
Il y aurait bien une alternative , un peu bancalle , brasser le ballon de haut en bas des que le circulateur des murs se met en route , cette solution serait plus de "depannage"
Si quelqu un a une idée pour finir mon ebauche , je calle
Amicalement François
