Boitier et câblage de mes régulations SR618 et CD12 pour SSC
Modérateurs : ramses, Balajol, monteric, ametpierre, j2c
-
looping
- Apprenti Solaire

- Messages : 370
- Enregistré le : mar. févr. 19, 2008 13:42 pm
- Localisation : Hallivillers (80)
Bonsoir à tous ,
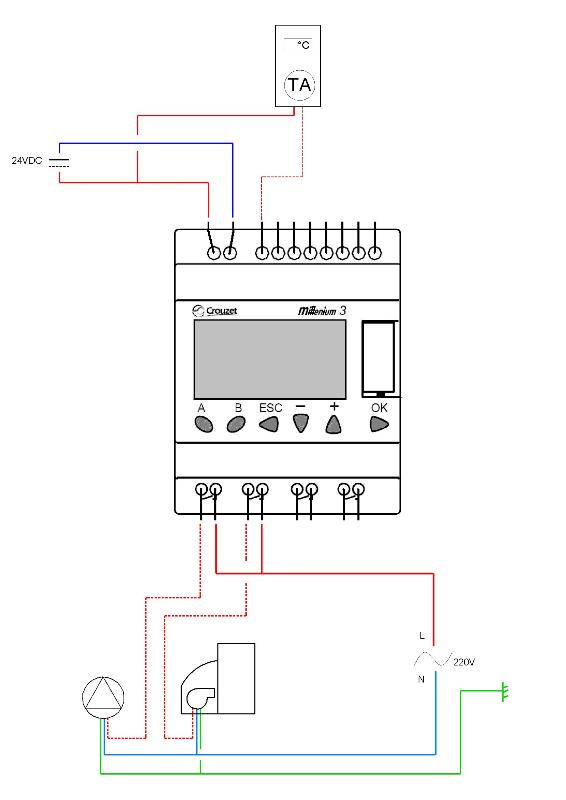
J'ai fait le choix de réguler ma futur installation SSC à partir d'une régulation du commerce pour la partie solaire/ballon tampon , et la partie chauffage par un automate M3 CD12 .
Une fois le choix du matériel effectué , j'ai commence à réfléchir au câblage de l'ensemble , et à la possibilité de faire cohabiter tout celà .
Nul en électronique ( j'en rassure certains ) , le câblage n'est pas forcément ma tasse de thé non plus .
Je me suis donc efforcé dans un premier temps de trouver un beau boitier qui pourrait contenir les régulations et le matériel périphérique .
J'ai eu un peu de chance avec l'achat du tableau nu car les dimensions étaient quasi parfaites
Le résultat en image :
Dites moi ce que vous en pensez
Pour l'étape 2 ( installations des fils , cartes et autres ) j'ai quelques idées à vous soumettre .
J'ai fait le choix de réguler ma futur installation SSC à partir d'une régulation du commerce pour la partie solaire/ballon tampon , et la partie chauffage par un automate M3 CD12 .
Une fois le choix du matériel effectué , j'ai commence à réfléchir au câblage de l'ensemble , et à la possibilité de faire cohabiter tout celà .
Nul en électronique ( j'en rassure certains ) , le câblage n'est pas forcément ma tasse de thé non plus .
Je me suis donc efforcé dans un premier temps de trouver un beau boitier qui pourrait contenir les régulations et le matériel périphérique .
J'ai eu un peu de chance avec l'achat du tableau nu car les dimensions étaient quasi parfaites
Le résultat en image :
Dites moi ce que vous en pensez
Pour l'étape 2 ( installations des fils , cartes et autres ) j'ai quelques idées à vous soumettre .
Modifié en dernier par looping le ven. avr. 15, 2011 6:38 am, modifié 3 fois.
-
looping
- Apprenti Solaire

- Messages : 370
- Enregistré le : mar. févr. 19, 2008 13:42 pm
- Localisation : Hallivillers (80)
la suite des photos :
Comme vous pourrez le constater , il y a de la place sous les rails Din
Moi j'y verrais bien un super CI avec convertisseurs PT , relais , borniers , fusibles de protection etc...
A+
Gérald

Comme vous pourrez le constater , il y a de la place sous les rails Din
Moi j'y verrais bien un super CI avec convertisseurs PT , relais , borniers , fusibles de protection etc...
A+
Gérald
Modifié en dernier par looping le dim. nov. 14, 2010 23:15 pm, modifié 1 fois.
-
looping
- Apprenti Solaire

- Messages : 370
- Enregistré le : mar. févr. 19, 2008 13:42 pm
- Localisation : Hallivillers (80)
Bonjour à tous ,
merci pour vos appréciations .
Etrange que vos inquiétudes se portent sur l'espace restant .
Rassurez-vous , il y reste largement la place pour loger les fils et d'éventuels circuits imprimés .
Une fois la façade enlevée , c'est très "aéré" et les rails sont déclipsables !
Suite de ma démarche .
Pourquoi 1 Régulation et 1 automate ?
Pour étayer ma réflexion , je vais m'appuyer sur le document qu'a mis en ligne P-Bricoleur sur son site présentant le M3 :
http://solari-home.wifeo.com/fonctions-solaires.php
Je le remercie au passage de m'avoir autorisé à utiliser son travail
A moins d'être un mordu de la programmation d'automate , vous trouverez les fonctions suivantes dans les régulations du commerce ( liste non figée ) :
Les fonctions de base:
La boucle solaire ( thermostat différentiel avec hystérésis )
La limitation de température dans les ballons
L'affichage des températures
Le refroidissement nocturne
La circulation interdite si les capteurs sont trop chauds
La circulation antigel
Le mode vacances
Fonctions supplémentaires :
Le pilotage d'un circulateur avec variation de vitesses ( variation de débit )
Boucle de décharge ( activation circulateur et/ou vanne )
L'installation avec deux ballons ( ou plus avec priorités )
L'installation avec deux champs de capteurs ( ou plus )
La puissance instantanée
Le compteur d'énergie
Fonctions spécifiques SSC :
Réchauffage retour plancher chauffant
Chauffage d’appoint avec plage horaire
L'autre avantage de choisir une régulation existante , c'est de bénéficier d'un afficheur convivial , de sondes fournies et d'un câblage facile .
Pour les fonctions de chauffage ( utilisation des calories stockées autre que CESI ) , il n'a pas de formule adaptée à votre configuration , d'ou l'intérêt , cette fois-ci , de faire appel à un automate programmable .
Prochain chapitre : qu'est-ce qu'on peut bien faire avec un M3 CD12 ?
( j'entend déjà rigoler les utilisateurs du XD26 )
A+
Gérald
merci pour vos appréciations .
Etrange que vos inquiétudes se portent sur l'espace restant .
Rassurez-vous , il y reste largement la place pour loger les fils et d'éventuels circuits imprimés .
Une fois la façade enlevée , c'est très "aéré" et les rails sont déclipsables !
Suite de ma démarche .
Pourquoi 1 Régulation et 1 automate ?
Pour étayer ma réflexion , je vais m'appuyer sur le document qu'a mis en ligne P-Bricoleur sur son site présentant le M3 :
http://solari-home.wifeo.com/fonctions-solaires.php
Je le remercie au passage de m'avoir autorisé à utiliser son travail
A moins d'être un mordu de la programmation d'automate , vous trouverez les fonctions suivantes dans les régulations du commerce ( liste non figée ) :
Les fonctions de base:
La boucle solaire ( thermostat différentiel avec hystérésis )
La limitation de température dans les ballons
L'affichage des températures
Le refroidissement nocturne
La circulation interdite si les capteurs sont trop chauds
La circulation antigel
Le mode vacances
Fonctions supplémentaires :
Le pilotage d'un circulateur avec variation de vitesses ( variation de débit )
Boucle de décharge ( activation circulateur et/ou vanne )
L'installation avec deux ballons ( ou plus avec priorités )
L'installation avec deux champs de capteurs ( ou plus )
La puissance instantanée
Le compteur d'énergie
Fonctions spécifiques SSC :
Réchauffage retour plancher chauffant
Chauffage d’appoint avec plage horaire
L'autre avantage de choisir une régulation existante , c'est de bénéficier d'un afficheur convivial , de sondes fournies et d'un câblage facile .
Pour les fonctions de chauffage ( utilisation des calories stockées autre que CESI ) , il n'a pas de formule adaptée à votre configuration , d'ou l'intérêt , cette fois-ci , de faire appel à un automate programmable .
Prochain chapitre : qu'est-ce qu'on peut bien faire avec un M3 CD12 ?
( j'entend déjà rigoler les utilisateurs du XD26 )
A+
Gérald
Modifié en dernier par looping le mer. nov. 17, 2010 14:06 pm, modifié 2 fois.
-
looping
- Apprenti Solaire

- Messages : 370
- Enregistré le : mar. févr. 19, 2008 13:42 pm
- Localisation : Hallivillers (80)
Salut Michel ,
En réalité , j'aime bien les choses compactes .
En plus , il faut convaincre Madame de l'utilité de ce bidule dans le couloir , et moins il est apparent , moins je risque des ennuits ( WAF )
Si vous observez bien , vous remarquerez qu'il n'y a pas de fond au boitier. Ca peut être utile si on veut intercaler un contour ( pas trop gros )
Franchement je trouve bien adapté à mon usage ce tableau .
A+
Gérald
En réalité , j'aime bien les choses compactes .
En plus , il faut convaincre Madame de l'utilité de ce bidule dans le couloir , et moins il est apparent , moins je risque des ennuits ( WAF )
Si vous observez bien , vous remarquerez qu'il n'y a pas de fond au boitier. Ca peut être utile si on veut intercaler un contour ( pas trop gros )
Franchement je trouve bien adapté à mon usage ce tableau .
A+
Gérald
Modifié en dernier par looping le mer. nov. 17, 2010 14:15 pm, modifié 1 fois.
-
looping
- Apprenti Solaire

- Messages : 370
- Enregistré le : mar. févr. 19, 2008 13:42 pm
- Localisation : Hallivillers (80)
Bonjour ,
Etape 1 :
Modifier le fonctionnement du système de chauffage actuel .
Aujourd'hui le bruleur de ma chaudière fioul , dont la seule fonction est le chauffage de l'eau des radiateurs , est commandé par le thermostat d'ambiance . Je ne vous détaille pas le fonctionnement du thermostat . S'il y a besoin de chauffage le bruleur se met en marche jusqu'à la température de consigne puis se coupe etc....Le circulateur du circuit des radiateurs tourne en permanence pendant la saison de chauffe ( position 1 , 40W ) .
Ce fonctionnement a l'avantage d'être simple . Malgrès tout , on peut lui reprocher de consommer inutilement les 40W du circulateur si le besoin de chauffage est nul ( la nuit ou en période douce par exemple ) .
La première étape de la mise en place du CD12 consiste à modifier ce fonctionnement en ne commandant le démarrage chaudière et le circulateur qu'en cas de besoin de chauffage . Les temporisations des demarrages/arrêt peut avoir son utilité . Dans le cas du circulateur par exemple , il peut continuer à tourner pour extraire les calories du corps de chauffe pendant quelques minutes .
Etape 1 :
Modifier le fonctionnement du système de chauffage actuel .
Aujourd'hui le bruleur de ma chaudière fioul , dont la seule fonction est le chauffage de l'eau des radiateurs , est commandé par le thermostat d'ambiance . Je ne vous détaille pas le fonctionnement du thermostat . S'il y a besoin de chauffage le bruleur se met en marche jusqu'à la température de consigne puis se coupe etc....Le circulateur du circuit des radiateurs tourne en permanence pendant la saison de chauffe ( position 1 , 40W ) .
Ce fonctionnement a l'avantage d'être simple . Malgrès tout , on peut lui reprocher de consommer inutilement les 40W du circulateur si le besoin de chauffage est nul ( la nuit ou en période douce par exemple ) .
La première étape de la mise en place du CD12 consiste à modifier ce fonctionnement en ne commandant le démarrage chaudière et le circulateur qu'en cas de besoin de chauffage . Les temporisations des demarrages/arrêt peut avoir son utilité . Dans le cas du circulateur par exemple , il peut continuer à tourner pour extraire les calories du corps de chauffe pendant quelques minutes .
Modifié en dernier par looping le mar. nov. 23, 2010 21:44 pm, modifié 2 fois.
- thermitch
- Maitre Solaire

- Messages : 4065
- Enregistré le : dim. mars 16, 2008 13:45 pm
- Localisation : Marcillé-Robert (35)
- Contact :
[quote="looping"]...
La première étape de la mise en place du CD12 consiste à modifier ce fonctionnement en ne commandant le démarrage chaudière et le circulateur qu'en cas de besoin de chauffage ...[/quote]
Attention en fonction de la chaudière, j'en ai fait la triste expérience l'année dernière.
J'ai une vielle chaudière, tout vraie fonte avec 80 litres dedans.
Rien que pour réchauffer le corps de chauffe et le contenu c'est un gouffre.
Résultat : j'ai doublé la conso ... heureusement que ça n'a duré que deux semaines.
Ce genre de bête est prévue pour être maintenue à température.
... mais bon, je ne l'ai pas encore rallumée cette année
La première étape de la mise en place du CD12 consiste à modifier ce fonctionnement en ne commandant le démarrage chaudière et le circulateur qu'en cas de besoin de chauffage ...[/quote]
Attention en fonction de la chaudière, j'en ai fait la triste expérience l'année dernière.
J'ai une vielle chaudière, tout vraie fonte avec 80 litres dedans.
Rien que pour réchauffer le corps de chauffe et le contenu c'est un gouffre.
Résultat : j'ai doublé la conso ... heureusement que ça n'a duré que deux semaines.
Ce genre de bête est prévue pour être maintenue à température.
... mais bon, je ne l'ai pas encore rallumée cette année
-
looping
- Apprenti Solaire

- Messages : 370
- Enregistré le : mar. févr. 19, 2008 13:42 pm
- Localisation : Hallivillers (80)
Bonsoir ,
Réponses à Michel
Dans mon cas , il s'agit de chauffage seul , je l'ai indiqué .
Imagine que le besoin de chauffage est nul pendant plusieurs heures . Si je maintiens le corps de chauffe pour simplement compenser les pertes de la chaudière , celle-ci va dépenser plus de calories que si je l'arrête pour ensuite lui demander une chauffe complète . Une chaudière constamment chaude diffuse plus plus que si elle se refroidit d'elle même .
De plus , j'ai précisé que le circulateur pouvait continuer à extraire les calories . Ma chaudière se trouve dans l'habitation , donc ça règle le problème des pertes éventuelles .
Au delà du problème de circulateur qui tournait en continu , je change surtout le mode de régulation car pour fonctionner avec un ballon tampon , c'est le fonctionnement le plus simple . C'est le démarrage du circulateur qui est commandé en cas de besoin de chauffage .
A+
Gérald
Réponses à Michel
Tu parles d'un ballon ECS intégré ?J'ai une vielle chaudière, tout vraie fonte avec 80 litres dedans
Dans mon cas , il s'agit de chauffage seul , je l'ai indiqué .
Ce n'est pas logique ! ( dans mon cas , je le précise )Ce genre de bête est prévue pour être maintenue à température
Imagine que le besoin de chauffage est nul pendant plusieurs heures . Si je maintiens le corps de chauffe pour simplement compenser les pertes de la chaudière , celle-ci va dépenser plus de calories que si je l'arrête pour ensuite lui demander une chauffe complète . Une chaudière constamment chaude diffuse plus plus que si elle se refroidit d'elle même .
De plus , j'ai précisé que le circulateur pouvait continuer à extraire les calories . Ma chaudière se trouve dans l'habitation , donc ça règle le problème des pertes éventuelles .
Au delà du problème de circulateur qui tournait en continu , je change surtout le mode de régulation car pour fonctionner avec un ballon tampon , c'est le fonctionnement le plus simple . C'est le démarrage du circulateur qui est commandé en cas de besoin de chauffage .
A+
Gérald
- thermitch
- Maitre Solaire

- Messages : 4065
- Enregistré le : dim. mars 16, 2008 13:45 pm
- Localisation : Marcillé-Robert (35)
- Contact :
Non, non, pas de ballon ECS ... juste le corps de chauffe de la vielle Budérus que tu peux voir là
80 litres de contenance + l'épaisseur énorme à l'époque de la bonne vraie fonte, ça fait de la masse à charger
En fin de saison dernière, je me suis mis à l'éteindre manuellement le matin pour la rallumer le soir
=> conso = 12 litres/jours
Dans les mêmes conditions de t° extérieure fin octobre, je l'ai laissé allumée
=> conso = 6 litres
Comme tu l'as bien remarqué : c'est complètement fonction de la chaudière.
80 litres de contenance + l'épaisseur énorme à l'époque de la bonne vraie fonte, ça fait de la masse à charger
En fin de saison dernière, je me suis mis à l'éteindre manuellement le matin pour la rallumer le soir
=> conso = 12 litres/jours
Dans les mêmes conditions de t° extérieure fin octobre, je l'ai laissé allumée
=> conso = 6 litres
Comme tu l'as bien remarqué : c'est complètement fonction de la chaudière.
- remi.450
- Maitre Solaire

- Messages : 2589
- Enregistré le : lun. août 27, 2007 18:59 pm
- Localisation : St Jean de la Ruelle (45)
Bonjour,
Pour répondre à Looping.
Ton circulateur si il tourne 5000 h par an te coûtes 20€/an
Par contre mettre une sde extérieure ou un thermostat qui coupe le chauffage à 17/18°C extérieur est plus efficace.
Régulé sur un simple thermostat d'ambiance n'est pas le top.
Si tu peux le faire en fonction de l'extérieur, tu vas gagner en conso et confort et encore plus avec V3V.
Ton thermostat intérieur sera une limite de chauffage tout simplement.
J'ai réalisé un p'tit programme avec le M3. Une V3V et 2 sdes de température.
http://forum.apper-solaire.org/viewtopi ... 2718#62718
Pour répondre à Looping.
Ton circulateur si il tourne 5000 h par an te coûtes 20€/an
Par contre mettre une sde extérieure ou un thermostat qui coupe le chauffage à 17/18°C extérieur est plus efficace.
Régulé sur un simple thermostat d'ambiance n'est pas le top.
Si tu peux le faire en fonction de l'extérieur, tu vas gagner en conso et confort et encore plus avec V3V.
Ton thermostat intérieur sera une limite de chauffage tout simplement.
J'ai réalisé un p'tit programme avec le M3. Une V3V et 2 sdes de température.
http://forum.apper-solaire.org/viewtopi ... 2718#62718
Modifié en dernier par remi.450 le sam. nov. 20, 2010 15:00 pm, modifié 1 fois.
-
looping
- Apprenti Solaire

- Messages : 370
- Enregistré le : mar. févr. 19, 2008 13:42 pm
- Localisation : Hallivillers (80)
Bonsoir ,
Pour répondre à Rémi
Un peu de provocation :
Est-ce que vous laisseriez une lumière allumée en permanence sous prétexte qu'elle ne coûte rien en électricité ?
J'ai une vanne 4 voies ( équivallente à la 3 voies ) que je règle manuellement . Le réglage manuel n'a rien d'une corvée . Je ne bouge le réglage que pour les périodes de grand froid . En ce moment la vanne est à 5 ( sur une échelle de 10 ) l'eau circule à 35-40°C .
A part cela , je me répète , mais je vais réguler le chauffage par le circulateur car je vais fonctionner avec chaudière et ballon tampon .
Dans un premier temps je ne prévois pas de motoriser la vanne de mélange , donc je choisis le plus simple .
Pour répondre à Michel
Dans mon cas :
Chaudière fioul à ventouse de 28KW .
Cycle de chauffe de 20°C à 60°C : 6 minutes
150 Kg de fonte ( équivallent en capacité à 20L d'eau ) et contenance de 30L
Soit pour le calcul simplifié : 50L chauffés = 50 x 1.16 x 40 =2.3 KWh , sachant que le circulateur tourne et puise des calories en même temps .
6 minutes à une puissance de 28 KW = 2.8 KWh ( 0.3 Litres de fioul )
Donc ça colle . Une montée en température de la chaudière et son contenu seuls , c'est moins d'1/2 litre de fioul . Pour la totalité de l'eau du circuit de chauffage c'est encore différent , et pour l'habitation , le calcul n'a plus rien à voir .
Comparons ce qui est comparable .
A+
Gérald
Pour répondre à Rémi
Ce n'est pas tant un problème de coût que la recherche de non gaspillage .Ton circulateur si il tourne 5000 h par an te coûtes 20€/an
Un peu de provocation :
Est-ce que vous laisseriez une lumière allumée en permanence sous prétexte qu'elle ne coûte rien en électricité ?
Mon thermostat d'ambiance est super précis car il régule en PID tout ou rien ( autrement appelé fonction auto-adaptative ) . Jamais de sur-chauffe .Régulé sur un simple thermostat d'ambiance n'est pas le top.
Si tu peux le faire en fonction de l'extérieur, tu vas gagner en conso et confort et encore plus avec V3V.
Ton thermostat intérieur sera une limite de chauffage tout simplement.
J'ai une vanne 4 voies ( équivallente à la 3 voies ) que je règle manuellement . Le réglage manuel n'a rien d'une corvée . Je ne bouge le réglage que pour les périodes de grand froid . En ce moment la vanne est à 5 ( sur une échelle de 10 ) l'eau circule à 35-40°C .
A part cela , je me répète , mais je vais réguler le chauffage par le circulateur car je vais fonctionner avec chaudière et ballon tampon .
Dans un premier temps je ne prévois pas de motoriser la vanne de mélange , donc je choisis le plus simple .
Pour répondre à Michel
Je n'ai pas d'explication à ce que tu as observé . Mais ça ne me parait pas logique . Il ne faut pas mélanger les notions d'inertie de la maison , celle de la chaudière et le rendement .En fin de saison dernière, je me suis mis à l'éteindre manuellement le matin pour la rallumer le soir
=> conso = 12 litres/jours
Dans les mêmes conditions de t° extérieure fin octobre, je l'ai laissé allumée
=> conso = 6 litres
Dans mon cas :
Chaudière fioul à ventouse de 28KW .
Cycle de chauffe de 20°C à 60°C : 6 minutes
150 Kg de fonte ( équivallent en capacité à 20L d'eau ) et contenance de 30L
Soit pour le calcul simplifié : 50L chauffés = 50 x 1.16 x 40 =2.3 KWh , sachant que le circulateur tourne et puise des calories en même temps .
6 minutes à une puissance de 28 KW = 2.8 KWh ( 0.3 Litres de fioul )
Donc ça colle . Une montée en température de la chaudière et son contenu seuls , c'est moins d'1/2 litre de fioul . Pour la totalité de l'eau du circuit de chauffage c'est encore différent , et pour l'habitation , le calcul n'a plus rien à voir .
Comparons ce qui est comparable .
A+
Gérald
