Cette année devrait se concrétiser par la réalisation d'une installation chauffage solaire + ecs.
Le système sera constitué de:
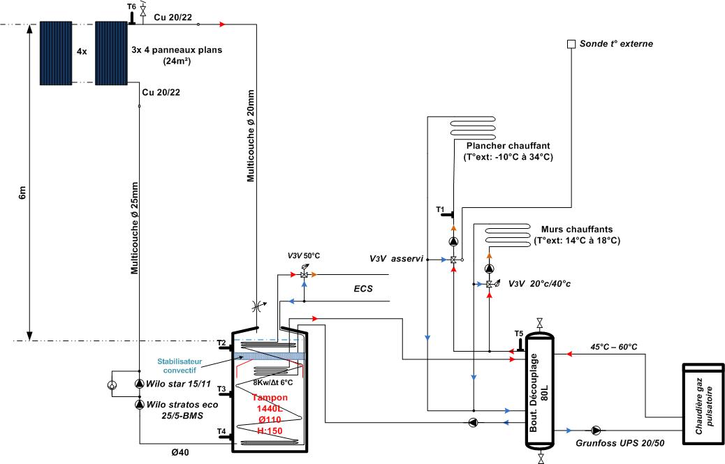
12x capteurs plans type échelle (1m x2m).
1 cuve de récup 1440L (Dia:110cm h:160cm environ) anciennement cuve de jus d'orange, puis de vinification... puis tampon solaire!!
une bouteille casse pression.. enfin.. là ou tout arrive et tout repart!.. fait dans une bouteille de propane récupérée..
Le système sera en autovidangeable.
La gestion sera assuré par un automate programmable CROUZET M3.
L'appoint est assuré par la chaudière gaz (ville).
Les charges à alimenter seront un PCBT ainsi que des murs chauffants (en cours de réalisation!..auto-construit bien sûr!
L'exposition des champs de capteurs est SUD-SUD/OUEST.
L'inclinaison sera comprise entre 40° et 50°.
localisation: région Toulousaine.
Dans l’immédiat, la bouteille casse pression sera connecté à la chaudière.. la T° du PCBT sera régulé non plus directement par la chaudière, mais via la bouteille casse pression et une V3V+sonde externe+M3.
La raison est de pouvoir "soulager" les marche/arrêt de la chaudière.
pendant ce temps, je vais monter mes panneaux sur le toit + préparation du ballon tampon.
Dans l'avenir... je compte supprimer mon abonnement gaz... l'appoint sera fait via une chaudière bois bûche situé en externe.
Ci-joint, un premier jet du projet.
Bonne soirée,
çabrule



