Bonsoir à tous,
pour Bo39 ,
l'adresse est TBS France Sarl 61 route des Vallées 37510 Ballan-Miré
Tél 0247542222
La V3V est à 65,90 HT et l'électrovane à 57,20 HT il faut compter 8,5€ de frais de port.
Pour m_you49 j'ai eu une heureuse surprise quand on a déposer la DT pour l'installation solaire de mon père la réponse Positive est intervenu en moins de 15 jours sur la commune d'Orléans. 8)
J'ai touvé cela plutôt très bien par rapport à mon expérience ou j'ai "attendu" trois mois pour recevoir l'autorisation en recommander hors délai en plus.

Ils ne savent même pas compter je pense qu'ils ont tout simplement attendu le dernier jour pour l'envoyer :evil:
Pour JéJé, effectivement mon Tempo est un peu historique car quand je suis passé sur la pac je ne savais pas trop si à l'étage par temps très froid la pac suffirait le résultat et bien oui, même si je continue de me les geler dans la cuisine vers les 15 à 17 °C. Il faut que j'attende de refaire le plancher chauffant de la cuisine :? De plus j'ai bénéficie du même abonnement pour 12 15 et 18 kVa Cela me permet de ne pas avoir de mauvaise surprise désagréable et de voir si je peu descendre quand je serait dans la configuration final après un an de recule. Cependant je suis sur un tableau excel la comparaisont de ce que je pairais sur les trois tarifs voir le fichier ci dessous. pour le moment je suis bénéficiaire avec ce tarif mais il n'est pas certains que dans ma solution final que je reste dans cette configuration. Je suis ce point de toute manière car il est important. Donc pour le moment les jours rouges c'est le solaire et ma vieille chaudière fioul.
Autre point important c'est la piscine couverte et non découverte en effet j'avais ma vielle grange en bardage bois qui avait sa vielle toiture qui était a refaire. Cela me génait de refaire tout cela pour mettre deux voitures alors j'avais ce rève depuis 5 ans de cette petite piscine chauffé( je suis pas dans le sud malheureusement) sauf les 22 jours rouges avec les solutions les plus économique possible donc le solaire et la pac sur nappe.
Donc depuis 5 ans petit a petit j'ai fait 100m² de pc, puis la pac sur nappe puis le solaire, puis la piscine et maintenant je restaure ma grange avec un double bardage bois avec 20 cm de laine de roche haute densité et on se fait notre première chambre au rez de chaussé pour nos vieux jours c'est pas du luxe avec mes problème de genoux.
Mon projet doit se finir fin juin.
c'est pour cela que j'ai besoin de vos lumière pour voir s'il n'y a pas un loup quelques part.
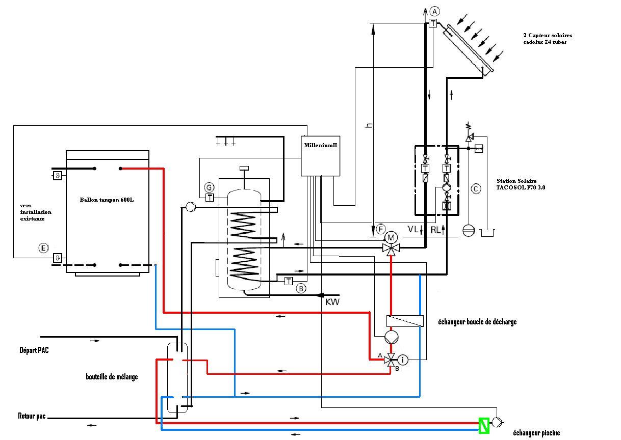
J'en ai trouvé un ce matin en cas de complément par le solaire de mon ballon tampon le retour ce fait par la pac ce qui ne doit pas le top il faut que je trouve une meilleur solution.
Je sais que cela resemble a une usine à gaz mais si vous avez des avis je suis preneur
