projet d'installation avec msd
Modérateurs : ramses, Balajol, monteric, ametpierre, j2c, françois34, andrebayle
- Besson François
- Maitre Solaire

- Messages : 1182
- Enregistré le : jeu. janv. 15, 2009 18:09 pm
- Localisation : Echalas(69)
Bonsoir a tous
La bouteille etant la base de repartition des circuits , cela peut fonctionner si tous les sous ensembles sont ouvert et qu un deuxieme circulateur vient piocher dans la bouteille , sinon le circulateur solaire enverra comme bon lui semble dans les differents echangeurs au gres de pertes de charges
Je ne suis pas sur que dans cette situation il n y aura pas de circulation parasite si les debits ne sont pas equilibrés
Avec les elements que tu as deja acheté et sans frais suplementaires , j abandonnerais le msd , pour n alimenter les murs qu avec l eau du ballon de chauffage , ce dernier etant chauffé soit par l echangeur solaire soit directement par le bouilleur
La bouteille etant la base de repartition des circuits , cela peut fonctionner si tous les sous ensembles sont ouvert et qu un deuxieme circulateur vient piocher dans la bouteille , sinon le circulateur solaire enverra comme bon lui semble dans les differents echangeurs au gres de pertes de charges
Je ne suis pas sur que dans cette situation il n y aura pas de circulation parasite si les debits ne sont pas equilibrés
Avec les elements que tu as deja acheté et sans frais suplementaires , j abandonnerais le msd , pour n alimenter les murs qu avec l eau du ballon de chauffage , ce dernier etant chauffé soit par l echangeur solaire soit directement par le bouilleur
Amicalement François
- ringeval
- Maitre Solaire

- Messages : 757
- Enregistré le : sam. nov. 01, 2008 11:34 am
- Localisation : saint silvain sous toulx-creuse (23)
bonjour,
patrick:
j'ai actuellement quasimment tout: les ballons, 5 accélérateurs, les divers vannes(thermique, tor....)la régul., la bouteille n'est peut-être pas encore fabriquée (c'st le fils d'un pote qui doit me la faire et je ne sais pas si il l'a faite).
françois:
il y aura toujours deux accélérateurs qui fonctionneront ensemble:
-solaire et murs
ou -solaire et ecs
ou - solaire et décharge piscine
et idem avec la reserve 500litres.
mes accélérateurs après ma bouteille auront une vitesse plus faible et la section de mes tuyaux, avant et après la bouteille sera la même (cu20/22).
donc débit inférieur après la bouteille.
par contre, pour les msd, j'aurais un accélérateur à vitesse variable afin que le débit des murs soit au pire égal à celui du solaire ou reserve.
thermitch:
pour résumer mon projet;
au départ, j'avais dans l'idée de faire du psd, avec appoint bois séparé; au fil des mois, je me suis dit qu'il était dommage de n'utiliser ces murs que pour le solaire, donc cette cuisinière à bouilleur,
ce qu'il faut savoir, cette maison est relativement bien isolée, en général ( sauf par grand froid sans soleil), lorsque cette cuisinière sera en fonctionnement, elle devrait suffire pour maintenir une température correcte dans la maison. D'où l'idée de ne chauffer qu'une réserve, pendant l'utilisation de cette cuisinière, à plein régime pendant 4-5-6 heures en fin de journée, si le soleil était absent. et le lendemain matin, si le soleil ne s'est pas plus pointé, j'envoie ces 500 litres dans les murs.
sinon, pour régler ces problèmes de ballon, est ce que celà ne pourrait pas être cela?
patrick:
Je ne sais pas le matériel que tu as déjà acheté
j'ai actuellement quasimment tout: les ballons, 5 accélérateurs, les divers vannes(thermique, tor....)la régul., la bouteille n'est peut-être pas encore fabriquée (c'st le fils d'un pote qui doit me la faire et je ne sais pas si il l'a faite).
françois:
je pense avoir bien compris le fonctionnement d'une bouteille casse pressionLa bouteille etant la base de repartition des circuits , cela peut fonctionner si tous les sous ensembles sont ouvert et qu un deuxieme circulateur vient piocher dans la bouteille , sinon le circulateur solaire enverra comme bon lui semble dans les differents echangeurs au gres de pertes de charges
il y aura toujours deux accélérateurs qui fonctionneront ensemble:
-solaire et murs
ou -solaire et ecs
ou - solaire et décharge piscine
et idem avec la reserve 500litres.
mes accélérateurs après ma bouteille auront une vitesse plus faible et la section de mes tuyaux, avant et après la bouteille sera la même (cu20/22).
donc débit inférieur après la bouteille.
par contre, pour les msd, j'aurais un accélérateur à vitesse variable afin que le débit des murs soit au pire égal à celui du solaire ou reserve.
thermitch:
tout à fait, et c'est géré il me semble, voir ma réponse du dessus.Thierry, je n'ai pas repassé les dix pages Embarassé mais on avait bien parlé de la gestion de cette bouteille et de l'importance des divers débit primaires et secondaires ? Confus
pour résumer mon projet;
au départ, j'avais dans l'idée de faire du psd, avec appoint bois séparé; au fil des mois, je me suis dit qu'il était dommage de n'utiliser ces murs que pour le solaire, donc cette cuisinière à bouilleur,
ce qu'il faut savoir, cette maison est relativement bien isolée, en général ( sauf par grand froid sans soleil), lorsque cette cuisinière sera en fonctionnement, elle devrait suffire pour maintenir une température correcte dans la maison. D'où l'idée de ne chauffer qu'une réserve, pendant l'utilisation de cette cuisinière, à plein régime pendant 4-5-6 heures en fin de journée, si le soleil était absent. et le lendemain matin, si le soleil ne s'est pas plus pointé, j'envoie ces 500 litres dans les murs.
sinon, pour régler ces problèmes de ballon, est ce que celà ne pourrait pas être cela?
- Besson François
- Maitre Solaire

- Messages : 1182
- Enregistré le : jeu. janv. 15, 2009 18:09 pm
- Localisation : Echalas(69)
Bonsoir a tous , Thierry
Oui , c est une solution en demi teinte , restera que tu ne pourra pas charger totalement ton ballon au solaire , mais tu ne le souhaitais pas au depart
Si tu choisis cette solution , il faudra bien affiner le schema et certainement ajouter quelques anti retour , le debit entre le circuit echangeur ballon/ bouteille aura plus de debit que le circuit murs du fait de la vanne de melange qui ne ponctionera que ce qui est necessaire , je crains des circulations parasites
Oui , c est une solution en demi teinte , restera que tu ne pourra pas charger totalement ton ballon au solaire , mais tu ne le souhaitais pas au depart
Si tu choisis cette solution , il faudra bien affiner le schema et certainement ajouter quelques anti retour , le debit entre le circuit echangeur ballon/ bouteille aura plus de debit que le circuit murs du fait de la vanne de melange qui ne ponctionera que ce qui est necessaire , je crains des circulations parasites
Amicalement François
- Besson François
- Maitre Solaire

- Messages : 1182
- Enregistré le : jeu. janv. 15, 2009 18:09 pm
- Localisation : Echalas(69)
Bonjour a tous , Thierry
Si via l echangeur du ballon , mais plus en direct , avec les elements que tu as , ce serait la solution pour conserver le ballon de 500l en reserve solaire et bois
Quand on vois un schema solaire avec un ballon de 500l , la logique voudrait qu il serve d hydrau accumulateur solaire , ce n est pas ton choix
Au final l important est que ton instal fonctionne , le ballon a l envers reste a mes yeux la solution la plus economique
Si via l echangeur du ballon , mais plus en direct , avec les elements que tu as , ce serait la solution pour conserver le ballon de 500l en reserve solaire et bois
Quand on vois un schema solaire avec un ballon de 500l , la logique voudrait qu il serve d hydrau accumulateur solaire , ce n est pas ton choix
Au final l important est que ton instal fonctionne , le ballon a l envers reste a mes yeux la solution la plus economique
Modifié en dernier par Besson François le dim. mai 16, 2010 12:44 pm, modifié 2 fois.
Amicalement François
- ringeval
- Maitre Solaire

- Messages : 757
- Enregistré le : sam. nov. 01, 2008 11:34 am
- Localisation : saint silvain sous toulx-creuse (23)
bonjour,
étant en train d'installer, quelques points à préciser;
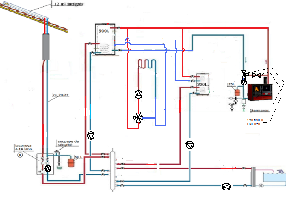
-Pour le système bois, François me disait de rajouter une vanne d'équilibrage avec la termovar, c'est également conseillé par le fabricant de ma cuisinière; et, je ne sais pas trop quoi prendre; il existe 2 sortes de vannes: manuelle ou automatique; en manuelle, pour régler le débit, il faudrait un appareil spécial, en auto, le prix est exorbitant. Alors que faire?
-Francois a peur que mon système ai des retours indésirés avec les murs chauffants et sa vanne thermique. Est-ce-que cela ne résoudrait pas cet éventuel problème? avec éventuellement l'ajout d'un clapet anti retour sur cette boucle?
merci encore
thierry
étant en train d'installer, quelques points à préciser;
-Pour le système bois, François me disait de rajouter une vanne d'équilibrage avec la termovar, c'est également conseillé par le fabricant de ma cuisinière; et, je ne sais pas trop quoi prendre; il existe 2 sortes de vannes: manuelle ou automatique; en manuelle, pour régler le débit, il faudrait un appareil spécial, en auto, le prix est exorbitant. Alors que faire?
-Francois a peur que mon système ai des retours indésirés avec les murs chauffants et sa vanne thermique. Est-ce-que cela ne résoudrait pas cet éventuel problème? avec éventuellement l'ajout d'un clapet anti retour sur cette boucle?
merci encore
thierry
- remi.450
- Maitre Solaire

- Messages : 2589
- Enregistré le : lun. août 27, 2007 18:59 pm
- Localisation : St Jean de la Ruelle (45)
Bonsoir,
Pour équilibrer une inestallation hydraulique simple, rien ne vaut mieux qu'un simple robinet à soupape et un bon thermomètre.
Avant il n'y avait pas tous ces appareils, et on réglaient tout au thermomètre ou avec des manomètres.
Je n'ai pas détaillé le schéma hydraulique, mais faut pas ce prendre trop la tête.
PS : les vannes qui règlent les débits automatiquement ne sont pas nécessaire sur ce type d'instal.
Rémi
Pour équilibrer une inestallation hydraulique simple, rien ne vaut mieux qu'un simple robinet à soupape et un bon thermomètre.
Avant il n'y avait pas tous ces appareils, et on réglaient tout au thermomètre ou avec des manomètres.
Je n'ai pas détaillé le schéma hydraulique, mais faut pas ce prendre trop la tête.
PS : les vannes qui règlent les débits automatiquement ne sont pas nécessaire sur ce type d'instal.
Rémi
- Besson François
- Maitre Solaire

- Messages : 1182
- Enregistré le : jeu. janv. 15, 2009 18:09 pm
- Localisation : Echalas(69)
Bonsoir a tous , Thierry
Sur le bi pass de la thermovar , il faut bien une vanne , ça serait trop long a expliquer , tu comprendra en observant fonctionner l affaire , j ai mis une 1/4 de tour a bille , mais pas simple ni precis a regler
Pour le circuit msd , que tu utilises une vanne de melange motorisée ou un simple mitigeur thermostatique , le probleme reste entier
Le debit necessaire a tes capteurs ne sera jamais le meme que celui du msd , donc deux problemes
1 :au mieux ,une partie de l eau en provenance des capteurs va y retourner sans etre refroidie
2 : au pire ,une partie de cette eau va aller ou bon lui semble au gres de pertes de charges
Comme tes differents circuits sont piqués sur la bouteille , aussi bien coté chaud que coté froid , l utilisation d anti retours est inutile , si tu veux bloquer ces circulations parasites , je ne vois qu une electrovanne nf sur chaques circuits
A ce stade , je tenterais le coup sans ev , le temps de voir en details
Sur le bi pass de la thermovar , il faut bien une vanne , ça serait trop long a expliquer , tu comprendra en observant fonctionner l affaire , j ai mis une 1/4 de tour a bille , mais pas simple ni precis a regler
Pour le circuit msd , que tu utilises une vanne de melange motorisée ou un simple mitigeur thermostatique , le probleme reste entier
Le debit necessaire a tes capteurs ne sera jamais le meme que celui du msd , donc deux problemes
1 :au mieux ,une partie de l eau en provenance des capteurs va y retourner sans etre refroidie
2 : au pire ,une partie de cette eau va aller ou bon lui semble au gres de pertes de charges
Comme tes differents circuits sont piqués sur la bouteille , aussi bien coté chaud que coté froid , l utilisation d anti retours est inutile , si tu veux bloquer ces circulations parasites , je ne vois qu une electrovanne nf sur chaques circuits
A ce stade , je tenterais le coup sans ev , le temps de voir en details
Amicalement François
- thermitch
- Maitre Solaire

- Messages : 4065
- Enregistré le : dim. mars 16, 2008 13:45 pm
- Localisation : Marcillé-Robert (35)
- Contact :
Non, non, non
Pas de débit parasite si ...
Le principe même de la bouteille est que tout se gère par un rapport adéquat des débits au primaire et au secondaire.
On en a déjà parlé au cours de ces 11 pages et c'est primordial à maîtriser
ça me fait penser que si ta régule gère la vitesse du circulateur solaire ... ça va coincer 
Pas de débit parasite si ...
Le principe même de la bouteille est que tout se gère par un rapport adéquat des débits au primaire et au secondaire.
On en a déjà parlé au cours de ces 11 pages et c'est primordial à maîtriser
- ringeval
- Maitre Solaire

- Messages : 757
- Enregistré le : sam. nov. 01, 2008 11:34 am
- Localisation : saint silvain sous toulx-creuse (23)
bonjour,thermitch, tous
Je viens de penser à un truc; avec ce système en direct, je devrais pouvoir, l'été, faire fonctionner ce système solaire la nuit, pour refroidir mes murs, ce qui serait la cerise sur le gâteau
thierry
c'est bien ce que j'avais compris, mais, c'était plus par rapport à une remarque de luc.Le principe même de la bouteille est que tout se gère par un rapport adéquat des débits au primaire et au secondaire.
On en a déjà parlé au cours de ces 11 pages et c'est primordial à maîtriser Clin d'oeil
ça, j'y avais pensé; et ma regulation ne s'occupera pas de la vitesse de la pompe solaire; celle çi sera en vitesse 1, 2 ou 3 à définir, par des essais, et les autres pompes seront réglée en conséquence .ça me fait penser que si ta régule gère la vitesse du circulateur solaire ... ça va coincer
Je viens de penser à un truc; avec ce système en direct, je devrais pouvoir, l'été, faire fonctionner ce système solaire la nuit, pour refroidir mes murs, ce qui serait la cerise sur le gâteau
thierry
- Besson François
- Maitre Solaire

- Messages : 1182
- Enregistré le : jeu. janv. 15, 2009 18:09 pm
- Localisation : Echalas(69)
Bonsoir a tous
Eh ben moi je voudrais bien que l on m explique comment le circuit msd qui sera alimenter via une vanne de melange pourrait caller son debit sur le circuit solaire , fixe ou variable d ailleur
Qui dit vanne de melange , dit melange du primaire avec une partie du retour et ce de façon completement aleatoire suivant la consigne de temperature d entrée , j me trompe ?
Eh ben moi je voudrais bien que l on m explique comment le circuit msd qui sera alimenter via une vanne de melange pourrait caller son debit sur le circuit solaire , fixe ou variable d ailleur
Qui dit vanne de melange , dit melange du primaire avec une partie du retour et ce de façon completement aleatoire suivant la consigne de temperature d entrée , j me trompe ?
Amicalement François
