Croyant de longue date mais pratiquant depuis peu, je vous soumets un projet d'installation pour avis et, avant de commettre irréparable...
Comment cumuler les avantages du PSD et du SSC ?
rendement pour l'un et meilleure regul pour l'autre (à moins d'avoir une chape très épaisse pour déphaser).
Ai je ré-inventé l'eau chaude ?
Dites moi...
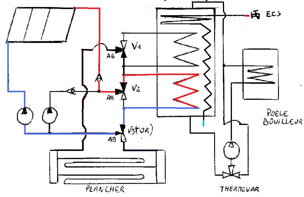
en complément du schéma
Les panneaux, le PC et les 2 échangeurs sont sur le mm circuit pressurisé et glycolé.
Les 3V V2 puis V1, l'une après l'autre, établissent la reprise des calories en privilégiant la partie basse du stock (rendement et stratification).
Le schéma permettrai que le solaire soit utilisé en permanence soit en couverture totale ou en préchauffage.
V3 bascule le chauffage PC vers stockage
Un poêle bouilleur assure l'appoint.
Merci par avance et passez de bonnes fêtes
Yan24

